Струбцина - "комбайн".

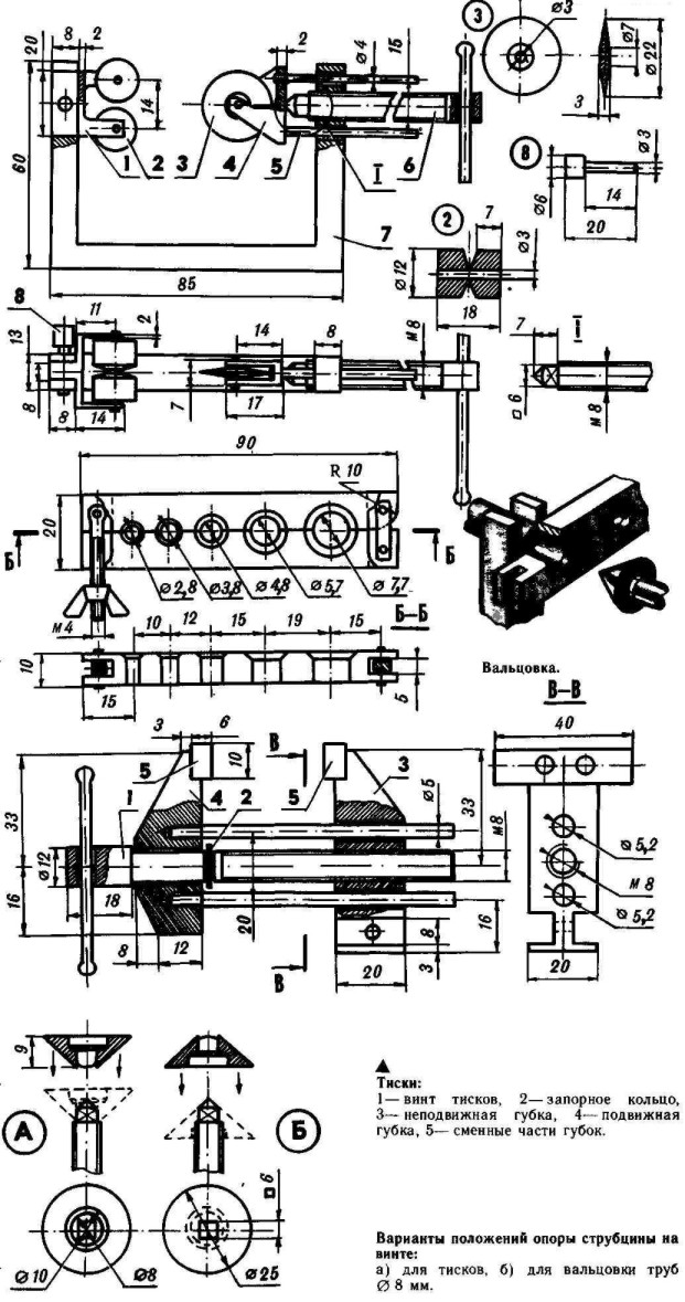
При ремонте тонких трубопроводов (например, автомобиля или холодильника) хорошо бы иметь под руками небольшой труборез, а для подсоединения труб с помощью накидных гаек — приспособление для вальцовки. Не помешают в домашней мастерской и небольшие тиски. Все эти устройства могут быть выполнены в виде комплекта сменного инструмента на основе простой струбцины подходящего размера (или изготовленной специально). В ее конструкции потребуются небольшие доработки для крепления инструментов разного назначения. В первую очередь необходимо отфрезеровать паз под все сменные приспособления (обойма поддерживающих роликов, вальцовка, тиски) и просверлить отверстие под стопор. Обоймы ножа-трубореза и поддерживающих трубку роликов выполняются из стали «3» или стали «45», а сами ролики — из стали «45». Посредине каждого из них делается проточка, чтобы в момент прокатывания по трубе они не завальцовывали канавку, прорезаемую ножом. Сам нож должен быть достаточно твердым, поэтому его лучше выточить из инструментальной углеродистой стали «У8» («серебрянка») или «У10». После изготовления нож необходимо закалить, разогрев паяльной лампой или на конфорке бытовой газовой плиты. Закалка производится в воде.

strubcina1.jpg

Рис. 1.  Труборез и тиски в сборе.

Рис. 2. Констукция трубореза:

1—обойма поддерживающих роликов, 2— поддерживающий ролик, 3— нож, 4— обойма ножа, 5— направляющая обоймы ножа, 6— винт струбцины, 7— струбцина, 8— стопор.

При этом нужно помнить, что раскаленный металл с поверхности изделия выгорает, поэтому толщину режущей кромки заготовки надо оставить не менее 0,5 мм. Шлифовка и заточка производятся после закалки, мелким оселком, по вращающейся заготовке ножа, надетой на винт с гайкой и зажатой в патроне дрели. Если в результате термообработки нож получился очень хрупким и у него выкрашивается режущая кромка, то его необходимо отпустить, нагревая паяльной лампой или на газовой конфорке до слабожелтого («соломенного») цвета. Другое приспособление позволяет легко развальцевать концы трубы. Для этого она зажимается в оправку вальцовки так, чтобы обрабатываемый конец выступал на 2— 5 мм. Благодаря тому, что просверленные в оправке отверстия на 0,2—0,3 мм меньше наружных диаметров труб, последние надежно удерживаются в них. Затем труба вставляется в паз для обоймы поддерживающих роликов, и вальцуемый конец ее оказывается против винта струбцины. Трубы до o6 мм вальцуются концевой частью винта, а o8 мм — с помощью надетой на винт опоры струбцины. Конструкция сменных тисков также очень проста. Они изготавливаются из стали «3» или стали «45». Сменные части губок по возможности надо подвергнуть термообработке. Тиски крепятся к столу или верстаку с помощью струбцины, как это показано на рисунке. При необходимости их можно использовать и как ручные. Для этого они фиксируются на струбцине стопором и поджимаются снизу винтом с надетой на него опорой.

Д. ФЕРИНГЕР

«M-K» 5/90