Самодельный, сверлильный.

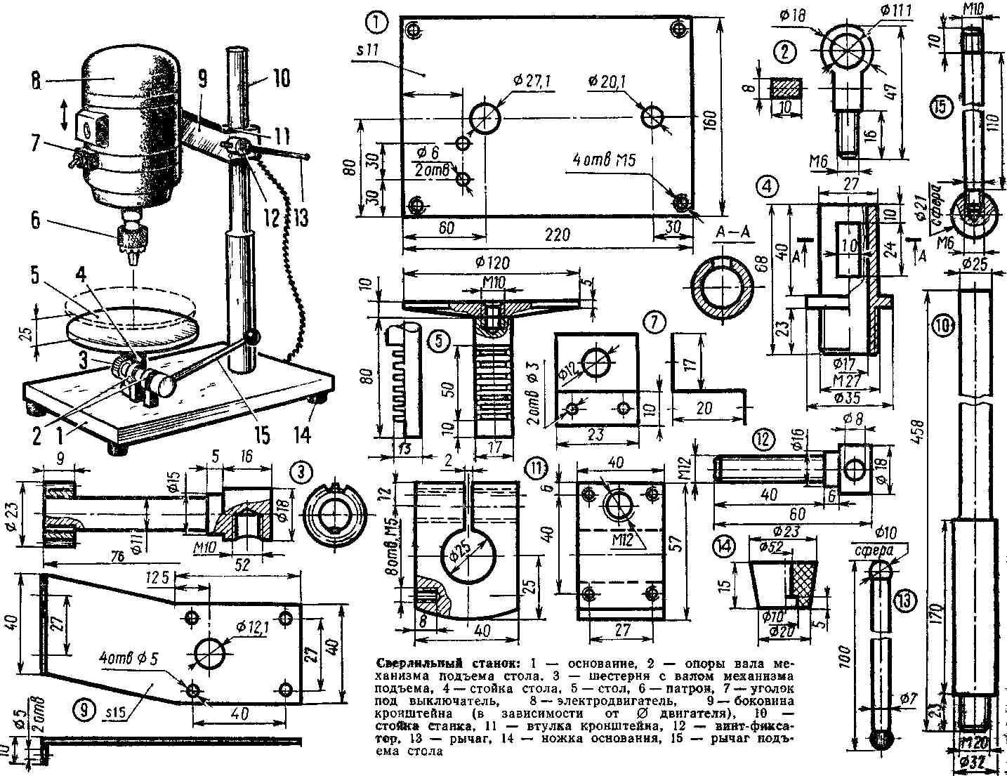
Основная трудность при создании самодельных саерлийькых станков — это изготовление механизма вертикального перемещения рабочего органа. А мто, если сделать станок совсем без этого механизма — так, чтобы подавать не патрон со сверлом, а саму деталь? В этом случае конструкция существенно упрощается. Не претендую на оригинальность своего решения, однако именно эта идея позволила мне спроектировать и изготовить станок, устройство которого показано на рисунке. Основанием служит стальная плита толщиной 11 мм, хотя вместо нее можно применить и другие материалы, например, текстолит (естественно, несколько увеличив его толщину). К основанию с помощью, гаек - М6, М20 и М27 крепятся стойки станка 10 и стола 4, в также опоры вала механизма подъема 2. На первой стойке установлен кронштейн, состоящий из двух боковин 9 из стального листа толщиной 1,5 мм и дюралюминиевой втулки 11. Кронштейн может быть закреплен в любой точке верхней части стойки (ход 265 мм) с помощью винта-фиксатора 12 и рычага 13. В стойке стола имеется прямоугольное отверстие размером 24 х 10 мм для входа зубьев шестерни 3. Сама шестерня посажена на вал и закреплена шпонкой. Рычаг подъема стола 15 соединяется с валом на резьбе М10. Величины подачи — 25 мм — вполне достаточно для выполнения большинства работ. Если же требуется отверстие большей глубины, то его можно сделать в два приема: сначала углубиться на 25 мм, а затем, несколько опустив кронштейн с двигателем, еще на столько же. Словом, станок позволяет сверлить отверстия любой глубины — насколько позволит длина сверла. Механизм подачи стола может быть и без шестерни и зубчатой рейки, а с простым рычажным управлением. Для этого в хвостовике стола свершится неглубокое отверстие диаметром, равным толщине рычага, а на стойке делается продольный выреэ. Подъем стола в этом случае осуществляется с помощью рычага, проходящего одним концом через вырез и упирающегося в отверстие хвостовика. Конструкция станка предлагаемой схемы позволяет применять электродвигатели различных типов. От их мощности будет зависеть и максимальный диаметр используемого сверла. Так, при двигателе в 50 Вт устанавливаемый патрон может работать с 6-мм сверлами, а при 120—150 Вт — с 9-мм. Для крепления патрона надо выточить переходник. Чертеже его не привожу, поскольку данный узел все равно придется подгонять под диаметр выходного вала имеющегося двигателя. И еще один совет: прежде чем включать станок в сеть, его необходимо надежно заземлить.

П.Тарасенко, г. Бобровица, Черниговской обл.

«М-К» № 10, 1986 г.