Используя
принцип получения водорода с помощью
электролиза водного раствора щелочи, описанный в
журнале «Модалист-конструктор» № 7 за 1980 год, я
решил сделать более простой и компактный
аппарат, удобный для работы с небольшими
деталями, при пайке твердыми припоями. Благодаря
малым наружным габаритам электролизера ему
найдется место и на небольшом рабочем столе, а
использование в качестве блока электропитания
стандартного выпрямителя для подзарядки
аккумуляторных батарей облегчает изготовление
установки и делает работу с ней безопасной.
Относительно небольшая, но вполне достаточная
производительность аппарата позволила
предельно упростить конструкцию водяного
затвора и гарантировать пожаро- и
взрывобезопасность. Для тех, кто незнаком с
предыдущей публикацией, напомню устройство
электролизера. Между двумя платами, соединенными
четырьмя шпильками, размещена батарея стальных
пластин-электродов, разделенных резиновыми
кольцами. Внутренняя полость батареи наполовину
заполнена водным раствором КОН или NaOH.
Приложенное к пластинам постоянное напряжение
вызывает электролиз воды и выделение
газообразного водорода и кислорода. Эта смесь
отводится через надетую на штуцер
полихлорвиниловую трубку в промежуточную
емкость, а из нее в водяной затвор. Газ, прошедший
через помещенную там смесь воды с ацетоном в
соотношении 1:1, имеет необходимый для горения
состав и, отведенный другой трубкой в форсунку —
иглу от медицинского шприца, сгорает у ее
выходного отверстия с температурой около 1800° С.
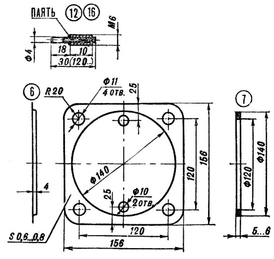
Для плат электролизера я использовал толстое
оргетекло. Этот материал легко обрабатывается,
химически стоек к действию электролита и
позволяет визуально контролировать его уровень,
чтобы при необходимости добавлять через
наливное отверстие дистиллированную воду.
Пластины можно изготовить из листового металла
(нержавеющая сталь, никель, декапированное или
трансформаторное железо) толщиной 0,6—0,8 мм. Для
удобства сборки в пластинах выдавлены круглые
углубления под резиновые кольца уплотнения,
глубина их при толщине кольца 5—6 мм должна быть
2—3 мм. Кольца, предназначенные для герметизации
внутренней полости и электрической изоляции
пластин, вырезаются из листовой
маслобензостойкой или кислотоупорной резины.
Сделать это вручную несложно, и все же идеальный
для этого инструмент — «кругорез-универеал»,
описанный в «М-К» № 4 за 1985 год. Четыре стальные
шпильки М8, соединяющие детали, изолированы
кембриком диам. 10 мм и пропущены в
соответствующие отверстия диам. 11 мм. Количество
пластин в батарее — 9. Оно определяется
параметрами блока электропитания: его мощностью
и максимальным напряжением — из расчета 2В на
пластину. Потребляемый ток зависит от количества
задействованных пластин (чем их меньше, тем ток
больше) и от концентрации раствора щелочи. В
более концентрированном растворе ток меньше, но
лучше применять 4—8-процентный раствор — при
электролизе он не так пенится.

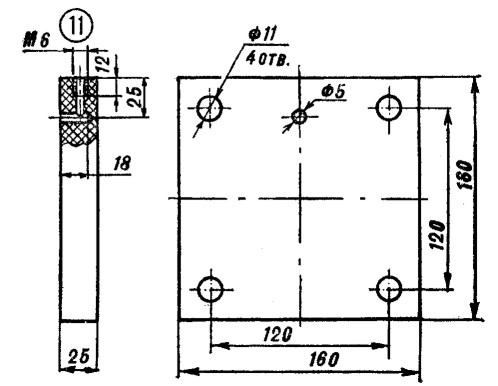
Рис. 2. Устройство электролизера:
1 — изолирующая полихлорвиниловая трубка 0 10 мм,
2 — шпилька М8 (4 шт.),
3 — гайка М8 с шайбой (4 шт.),
4 — левая плата,
5 — пробка-болт М10 с шайбой,
6 — пластина,
7 — резиновое кольцо,
8 — штуцер,
9 — шайба,
10 — полихлорвиниловая трубка диам. 5 мм,
11 —правая плата,
12 — короткий штуцер (3 шт.),
13 — промежуточная емкость,
14 —основание,
15 — клеммы,
16 — барботажная трубка,
17 — форсунка-игла,
18 — корпус водяного затвора.
Контактные клеммы припаиваются к первой и трем последним пластинам. Стандартное зарядное устройство для автомобильных аккумуляторов ВЛ-2, подключенное на 8 пластин, при напряжении 17 В и токе около 5 А обеспечивает необходимую производительность горючей смеси для форсунки — иглы с внутренним диам. 0,6 мм. Оптимальное соотношение диаметра иглы форсунки и производительности электролизера устанавливается опытным путем — так, чтобы зона воспламенения смеси располагалась вне иглы. Если производительность мала или диаметр отверстия слишком велик, горение начнется в самой игле, которая от этого быстро разогреется и оплавится.



Надежным заслоном от распространения пламени по подводящей трубке внутрь электролизера является простейший водяной затвор, который сделан из двух порожних баллончиков для заправки газовых зажигалок. Достоинства их те же, что и у материала плат: легкость механической обработки, химическая стойкость и полупрозрачность, позволяющая контролировать уровень жидкости в водяном затворе. Промежуточная емкость исключает возможность смешивания электролита и состава водяного затвора в режимах интенсивной работы или под действием разряжения, возникающего при выключении электропитания. А чтобы этого избежать наверняка, по окончании работы следует сразу же отсоединять трубку от электролизера. Штуцеры емкостей сделаны из медных трубок диам. 4 и 6 мм, устанавливаются в верхней стенке баллончиков на резьбе. Через них же осуществляется заливка состава водяного затвора и слив конденсата из разделительной емкости. Отличная воронка для этого получится из еще одного пустого баллончика, разрезанного пополам и с установленной на месте клапана тонкой трубкой. Соедините короткой полихлорвиниловой трубкой диам. 5 мм электролизер с промежуточной емкостью, последнюю — с водяным затвором, а его выходной штуцер более длинной трубкой — с форсункой-иглой. Включите выпрямитель, подрегулируйте напряжением или количеством подключаемых пластин номинальный ток и подожгите выходящий из форсунки газ. Если вам необходима большая производительность — увеличьте количество пластин и примените более мощный блок питания — с ЛАТРом и простейшим выпрямителем. Температура пламени также поддается некоторой корректировке составом водяного затвора. Когда в нем только вода, в смеси содержится много кислорода, что в некоторых случаях нежелательно. Залив в водяной затвор метиловый спирт, смесь можно обогатить и поднять температуру до 2600° С. Для снижения температуры пламени водяной затвор заполняют смесью ацетона и воды в соотношении 1:1. Однако в последних случаях следует не забывать пополнять и содержимое водяного затвора.
Ю. ОРЛОВ. г. Троицк, Московская обл.
«М-К» № 10, 1985 г.