Блок фильтров трехполосного усилителя ЗЧ.

Известно, что характеристики динамических головок резко ухудшаются на краях их номинальных диапазонов частот, поэтому очень важно, чтобы на них поступало напряжение только тех частот, которые они могут воспроизвести с достаточной для слушателя верностью. Поскольку широкополосных головок, одинаково хорошо воспроизводящих весь диапазон звуковых частот, пока не выпускается, эту задачу решают введением в звуковоспроизводящий тракт пассивных (на выходе широкополосного УМЗЧ) или активных (на входе трехполосного УМЗЧ) разделительных фильтров. Для разделения полос в последнем случае используют разные способы. Например, в устройстве, описанном в [1], предварительная фильтрация сигнала - разделение на низко- (НЧ) и средне-высокочастотную (СЧ-ВЧ) полосы осуществляется фильтрами нижних (ФНЧ) и верхних (ФВЧ) частот, а в устройстве [2] - с помощью ФНЧ и так называемого фильтра дополнительной функции. Дальнейшее разделение сигнала (на СЧ и ВЧ полосы) обеспечивают в обоих случаях ФНЧ и ФВЧ.

Вниманию читателей предлагается несколько иной способ разделения сигнала на НЧ, СЧ и ВЧ полосы. Крайние полосы выделяются обычными активными ФНЧ и ФВЧ, а средняя формируется, как разность исходного сигнала и сигналов, прошедших эти активные фильтры. Достоинство такого способа разделения полос в том, что сигнал СЧ полосы точно дополняет сигналы ВЧ и НЧ полос (рис.1), а это позволяет снизить требования к точности подбора и стабильности элементов фильтров, недостаток - более пологие, чем у ФНЧ и ФВЧ скаты АЧХ СЧ полосы и в результате - увеличение неравномерности АЧХ по звуковому давлению и рост искажений СЧ головки. Однако эти явления наблюдаются не вблизи частот раздела, а только на краях диапазона, воспроизводимого этой головкой, и их можно в значительной степени избежать, если она будет более широкополосной.

Теоретическое сравнение традиционного (с помощью отдельных фильтров) и предлагаемого методов разделения сигнала ЗЧ затруднительно вследствие различной природы вносимых ими искажений сигнала. Субъективная же оценка звучания акустических систем (АС), работающих с одинаковыми усилителями ЗЧ, но с разными устройствами разделения, показала, что звучание АС с разностным СЧ фильтром более "чистое", чем с полосовым [1]. Основные технические характеристики описываемого блока фильтров следующие: частоты разделения - 400 Гц и 4 кГц; диапазон частот обрабатываемого сигнала - 20...35 000 Гц, входное сопротивление - 150 кОм, чувствительность - 150 мВ; коэффициент гармоник - 0,1 %.

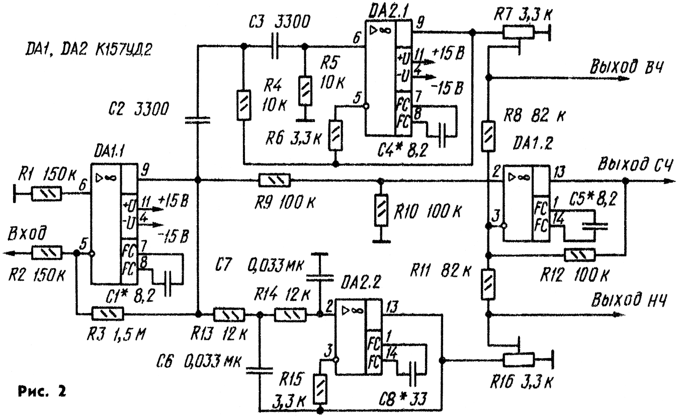
Принципиальная схема устройства приведена на рис.2. Входной сигнал усиливается в 10 раз ОУ DA1.1 и поступает на входы формирователя СЧ сигнала, ФВЧ и ФНЧ. В состав первого из этих фильтров входят элементы C2, CЗ, R4, R5 и ОУ DA2.1, второго - R13, R14, C6, C7 и ОУ DA2.2. Функции формирователя выполняет ОУ DA1.2, на неинвертирующий вход которого поступает весь входной сигнал ЗЧ, а на инвертирующий - сигналы с выходов ФНЧ (20...400 Гц) и ФВЧ (4000...35 000 Гц). Снимаемый с выхода этого каскада сигнал СЧ представляет собой разность исходного сигнала и его ВЧ и НЧ составляющих (400...4000 Гц).

Блок фильтров собран на печатной плате (рис.3) из двустороннего фольгированного стеклотекстолита. Она расчитана на установку резисторов МЛТ и СП3-1А, конденсаторов К21-5 и К22-5 (с допустимым отклонением емкости от указанных на схеме номиналов не более ±10%). ОУ К157УД2 можно заменить на К544УД1, К544УД2 или К140УД8 с любым буквенным индексом. Для питания необходимо использовать стабилизированный источник с малыми пульсациями выходного напряжения.

При налаживании на вход блока подают сигнал частотой 16...18 кГц и напряжением 150 мВ и подстроечным резистором R7 устанавливают минимальное напряжение на выходе СЧ канала. Затем, понизив частоту сигнала до 50...100 Гц, того же результата добиваются резистором R16. Возможное самовозбуждение устраняют подбором конденсаторов C1, C4, C5 и C8.

Л И Т Е Р А Т У Р А

1. А.Чантурия. Трехполосный стереоусилитель - Радио, 1981, №5-6. стр.39, 40;
2. Валентин и Виктор Лексины. Однополосный или многополосный - Радио, 1981, №4, стр.35-38.

© Радио, №3, 1987 г.

А.Чантурия, г. Киев

Назад