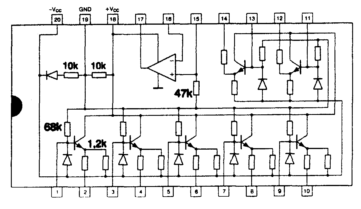
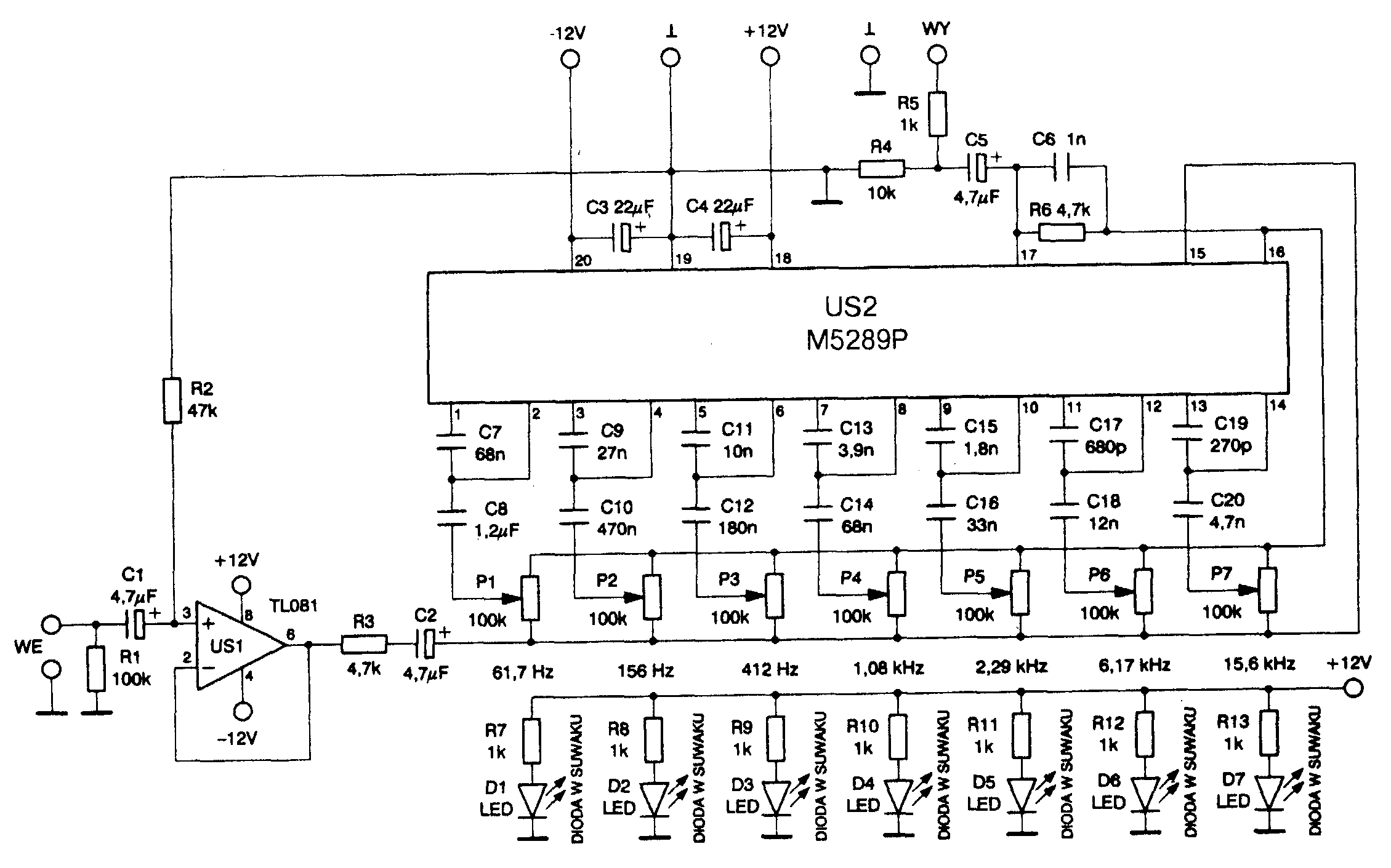
7-полосный графический эквалайзер (см. рис.1.) Дариуша Кубала выполнен на ИМС М5289Р (полный аналог AN7337N), эквивалентная схема которой показана на рис.2. Глубина регулировки АЧХ на частотах, указанных под соответствующими регуляторами на рис.1, составляет ±15 дБ, коэффициент гармоник (ивых = 1 В) не превышает 0,001%, напряжение собственных шумов 3,5 мкВ (в полосе частот 30 Гц - 30 кГц). По цепи +12 В устройство потребляет 90 мА (с учетом свето-диодов01 -D7), а по цепи -12 В всего 20 мА («Praktyczny Elektronik» № 4/01, с.9-13).
Рис. 1.

Рис. 2.