Громкоговоритель с ЭМОС.

При конструировании высококачественных радиокомплексов большое внимание уделяется акустическим системам (АС). И это понятно, ведь качество звучания в значительной степени определяется их параметрами. Обычно радиолюбители стремятся создать высококачественную АС с малыми габаритами. При традиционном подходе к конструированию это связано с немалыми трудностями, поскольку для получения равномерной АЧХ АС в области низших звуковых частот требуется увеличивать объем ящика. Выйти из этого затруднения можно, используя электромеханическую обратную связь (ЭМОС). Она позволяет уменьшить габариты низкочастотного громкоговорителя АС, расширить диапазон воспроизводимых частот, снизить нелинейные искажения, уменьшить влияние переходных процессов на качество звучания.

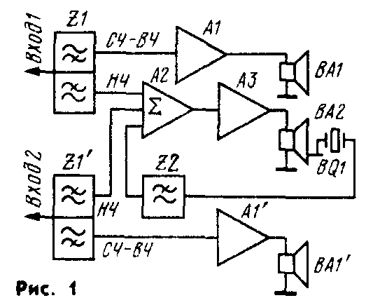
Принцип работы трехполосной АС с ЭМОС поясняет структурная схема, показанная на рис. 1. Входные сигналы каждого из каналов стереофонических предварительных усилителей ЗЧ разделяются фильтрами Z1 и Z1' на НЧ и СЧ-ВЧ составляющие. Далее СЧ-ВЧ сигналы усиливаются усилителями А1 и А1' и воспроизводятся отдельными громкоговорителями ВА1 и ВА1'. НЧ сигналы поступают на сумматор А2. Сюда же через фильтр НЧ Z2 подводится сигнал ЭМОС, снимаемый с пьезокерамического датчика BQ1, установленного на диффузоре НЧ головки. Этот сигнал, вычитаясь из основного НЧ сигнала, обеспечивает отрицательную ЭМОС. Поскольку на частотах ниже 300 Гц, которые воспроизводятся НЧ головкой, звуковое давление может быть принято пропорциональным ускорению ее диффузора, а напряжение, возникающее на пьезокерами-ческом датчике, прямо пропорционально ускорению, напряжение на датчике оказывается прямо пропорциональным звуковому давлению. Для нормальной работы громкоговорителя с ЭМОС необходимо выполнить ряд условий. Во-первых, в диапазоне частот, где ЭМОС отрицательна, усиление в ее петле должно быть большим, а в диапазоне частот, где она положительна,— меньше единицы. Во-вторых, поскольку из-за действия ЭМОС мощность, подводимая к НЧ головке на низшей частоте рабочего диапазона, значительно превышает мощность, поступающую на нее на более высоких частотах, для получения достаточного звукового давления во всем воспроизводимом НЧ головкой диапазоне частот необходимо выбрать головку большой мощности со значительным свободным ходом диффузора и усилитель мощности с номинальной выходной мощностью, в 1,3...1,5 раза превышающей мощность головки. С учетом изложенных соображений был разработан трехполосный громкоговоритель с акустическим оформлением НЧ излучателя в виде закрытого ящика, изготовленного из ДСП толщиной 20 мм, внутренним объемом приблизительно 40 л (500х340х300 мм без звукопоглощающих покрытий и наполнителей), в котором установлена низкочастотная динамическая головка 75ГДН-1Л-4 (старое название 30ГД-2).

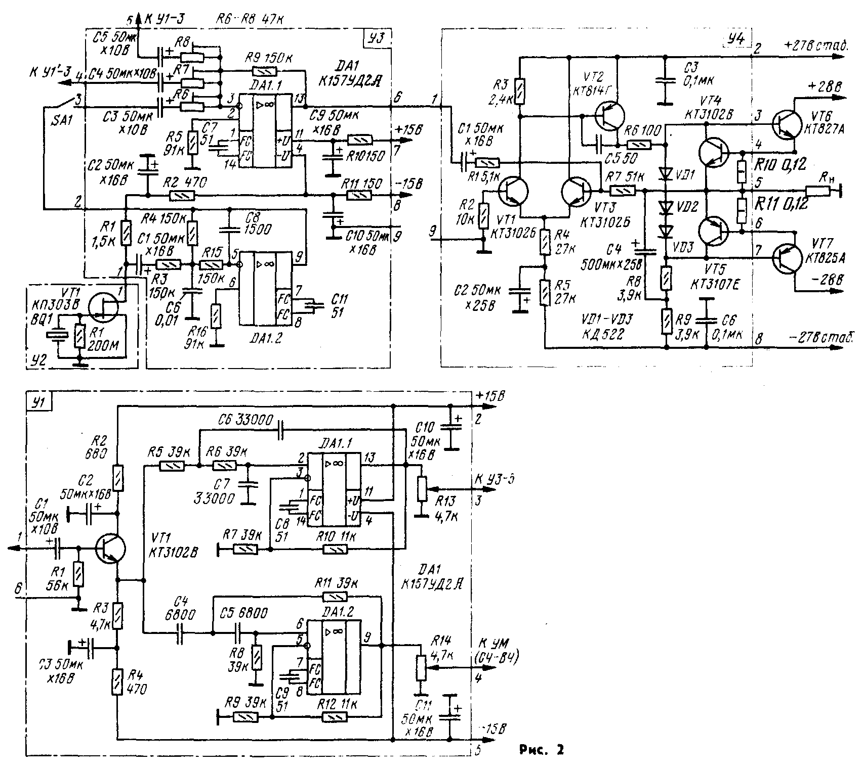
Принципиальная электрическая схема громкоговорителя с ЭМОС приведена на рис. 2. Входной сигнал поступает на эмиттерный повторитель на транзисторе VT1 (У1) и далее на активные разделительные фильтры на ОУ DA1.1. и DA1.2. НЧ и СЧ-ВЧ сигналы снимаются с движков переменных резисторов R13 и R14 соответственно. Затем НЧ сигнал через цепь C5R8 поступает на вход ОУ DA1.1 сумматора (УЗ). На этот же вход через цепь C4R7 подается НЧ сигнал с разделительных фильтров второго канала усилителя (У1'), который на схеме не показан. Сюда же через цепь C3R6 с выхода фильтра НЧ на ОУ DA1.2 поступает сигнал ЭМОС с пьезокерамического датчика BQ1 (У2), предварительно усиленный каскадом на полевом транзисторе VT1, включенном по схеме с общим истоком [Л]. Этот каскад размещен на печатной плате рядом с датчиком BQ1 и позволяет согласовать его с входным сопротивлением ОУ DA1.2 и, таким образом, снизить уровень наводок и помех даже без применения экранированных проводов. Фильтр НЧ на ОУ DA1.2 снижает усиление в петле ЭМОС на частотах, где она положительна. Сигнал ЭМОС вычитается из входного сигнала, после чего разностный сигнал усиливается ОУ DA1.1 и поступает на вход усилителя мощности НЧ сигнала (У4), к выходу которого и подключена НЧ головка с датчиком ЭМОС. СЧ-ВЧ сигнал, снимаемый с выхода разделительных фильтров, поступает на отдельный усилитель мощности. Его функции может выполнять любой высококачественный усилитель 34 с номинальной мощностью 5...15 Вт, работающий на широкополосную динамическую головку, например, 10ГД-36 или малогабаритную АС объемом около 6 л. Для этой цели подойдет усилитель, описанный в статье «Усилитель мощности ЗЧ с нестандартным включением ОУ» (см. «Радио», 1988, № 6, с. 55—56).

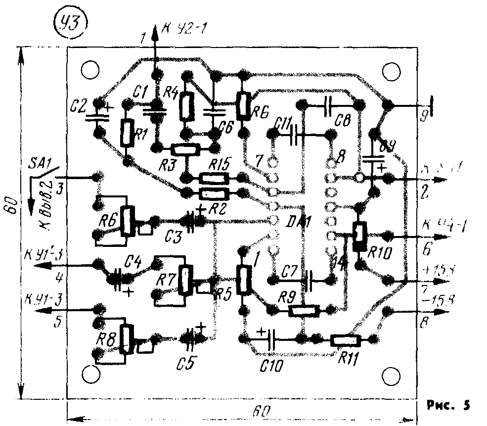
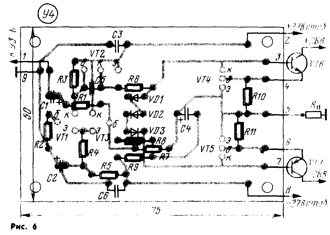
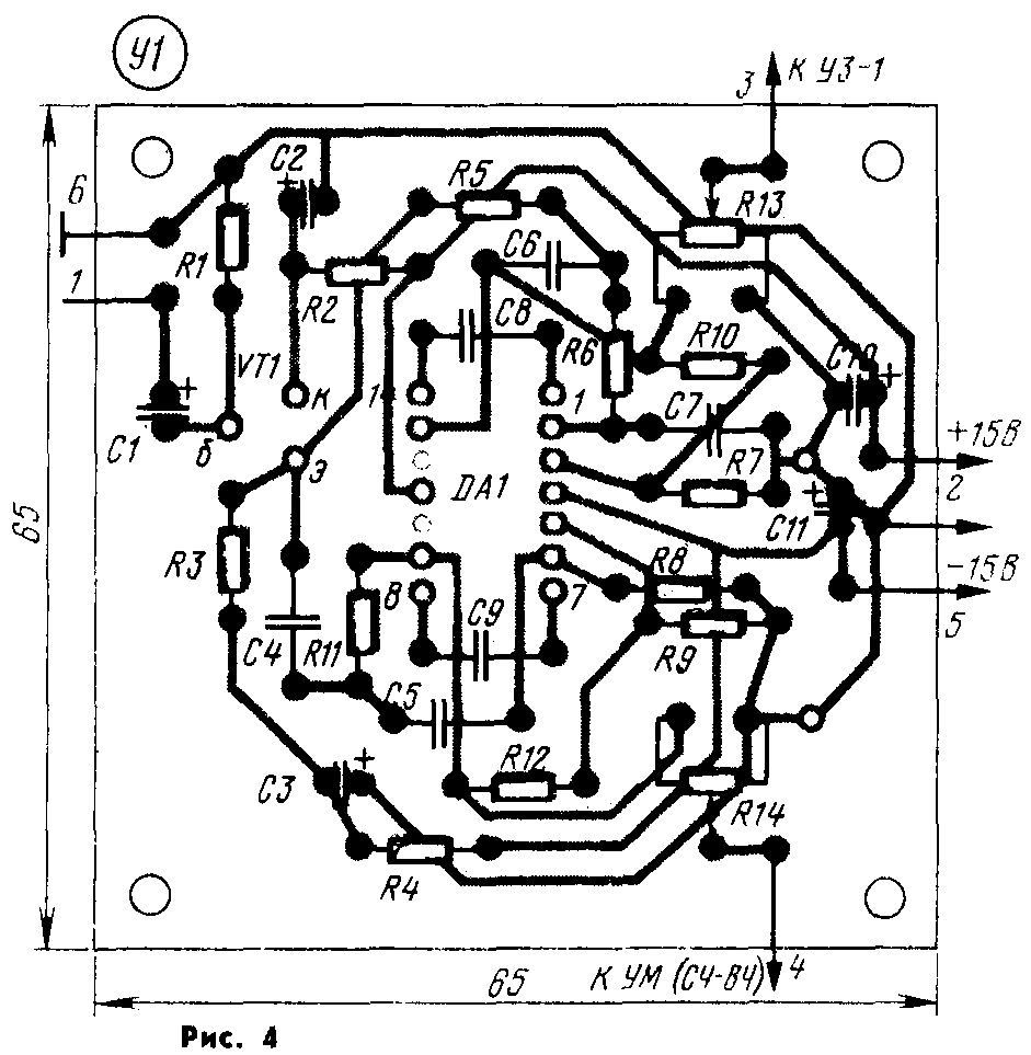
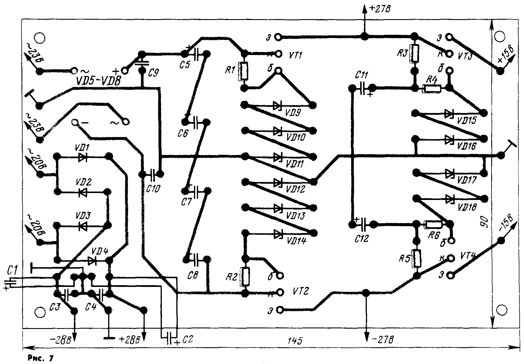
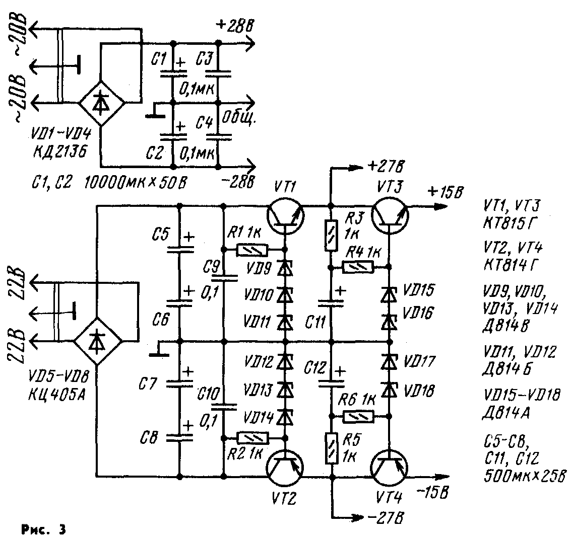
Принципиальная схема источника питания трехполосной активной АС показана на рис. 3. Он позволяет получить стабилизированные напряжения ±15 В (для питания разделительных фильтров и сумматора) и ±27 В (для питания каскадов предварительного усиления усилителя мощности НЧ сигнала), а также нестабилизированные напряжения ±28 В (для питания транзисторов выходного каскада это го же усилителя). Детали и конструкция: Разделительные фильтры, сумматор, усилитель мощности НЧ сигнала и источник питания выполнены на отдельных печатных платах из стеклотекстолита. Чертежи печатных плат показаны соответственно на рис. 4—7.

Все они рассчитаны на установку постоянных резисторов МЛТ-0,125, переменных СПЗ-226, оксидных конденсаторов K50-16, остальных К73-9 и КМ. Трансформатор питания может быть любого типа мощностью 100 Вт, обеспечивающий напряжение 2 х 20 В при токе 4 А и 2 х 27 В при токе 0,3 А Печатные платы закреплены на диэлектрическом основании, прикрепленном к задней стенке ящика НЧ громкоговорителя с наружной стороны. Функции пьезокерамического датчика выполняет трубчатый пьезоэлемент (используется в стереофонических пьезокерамических звукоснимателях), приклеенный через прокладку к плате датчика эпоксидной смолой (рис 8). Предварительно к его обкладкам необходимо припаять тон кие проводники. Кроме пьезоэлемента на плате У2 (рис. 2) установлены полевой транзистор VT1, вклеенный в отверстие в ее центре эпоксидной смолой, и резистор R1, Чертеж печатной платы показан на рис. 9. Она изготовлена из фольгированного стеклотекстолита толщиной 1 мм Диэлектрическая прокладка под датчиком изготовлена из стеклотекстолита толщиной 1 мм, размерами 3х3 мм. Плата датчика устанавливается в центре диффузора динамической головки Предварительно нужно аккуратно удалить его защитный колпачок, хорошо промочив место его приклейки ацетоном «Общий» вывод с платы датчика следует тонким проводом припаять к одному из выводов звуковой катушки головки. Этот вывод впоследствии нужно подключить к «общему проводу усилителя мощности НЧ. «Сигнальный» провод платы датчика (вывод 1) соединяют с фильтром НЧ (УЗ вывод 1) проводником, аналогичным проводнику, подводящему сиг нал ЗЧ к звуковой катушке. Плату датчика вклеивают в центр диффузора клеем «Момент» или аналогичным. После этого приклеивают на место защитный колпачок. К собранной головке припаивают три провода (предварительно пометив их, чтобы не перепутать при подключении): «общий», «сигнальный» к усилителю мощности и «сигнальный» с платы датчика. Для снижения уровня паразитных напряжений необходимо заземлить корпус динамической головки. Для этого можно подложить лепесток под один из крепежных винтов головки и припаять к нему проводник, соединенный с «общим» проводом. После этого динамическую головку устанавливают в ящик, пропустив подключенные к ней провода через отверстие в задней слей ке. Затем ящик тщательно герметизируют.

                                       

Налаживание правильно собранного устройства несложно. Предварительно движки подстроечных резисторов R6—R8 на плате сумматора спедует установить в положение наибольшего сопротивления, а переменных резисторов R13, R14 на плате разделительных фильтров в среднее положение. Затем нужно включить блок питания и проверить авометром наличие напряжений на его выходах. Они не должны отличаться от указанных на схеме более чем на ±20 %. Далее соединяют между собой все платы и динамическую головку согласно схеме (обратная связь выключена, контакты выключателя SA1 разомкнуты) и на вход разделительных фильтров подают сигнал от генератора НЧ напряжением 20 мВ и частотой 30 Гц. Динамическая головка должна воспроизводить этот сигнал с небольшой громкостью. После этого, подключив осциллограф к резистору R1 на плате УЗ, следует убедиться в наличии сигнала ЭМОС на входе фильтра НЧ, а затем, переключив осциллограф к выводу 9 DA1.2 и общему проводу,— на его выходе.

Частота, Гц Напряжение на головке, В Кг, %
без ЭМОС ЭМОС
40 7 12 4
50 3,5 5,6 1,4
60 2,4 3,6 0,85
80 1,7 2,5 0,6
120 1,5 1,4 0,65
200 1,9 0,8 0,7

Далее, установив частоту генератора, равной 150 Гц, и увеличив его напряжение до 200 мВ, нужно замкнуть контакты переключателя SA1. При этом звуковое давление (громкость) должно несколько уменьшиться. После этого, плавно уменьшая сопротивление резистора R6 сумматора, снижают звуковое давление до тех пор, пока не возникнет самовозбуждение (на частотах выше 250 Гц, где ЭМОС положительна). Тогда надо несколько увеличить сопротивление резистора R6 приблизительно на 20 % от той величины, на которую его перед этим уменьшили. Теперь подстройкой резисторов R7, R8 сумматора УЗ нужно установить чувствительность низкочастотного тракта, соответствующую номинальной выходной мощности. И наконец, следует подать сигнал с движка резистора R14 разделительных фильтров на усилитель мощности СЧ-ВЧ канала и резисторами R13 и R14 добиться (на слух) равной громкости звучания НЧ и СЧ-ВЧ трактов. Номинальная выходная мощность усилителя ЗЧ тракта НЧ — 30 Вт, номинальный диапазон воспроизводимых частот — 40...20 000 Гц, входное сопротивление— 130 кОм, номинальное входное напряжение — 0,7 В. АЧХ громкоговорителя (по напряжению с датчика) представлена на рис. 10. Для удобства сравнения результатов с ЭМОС и без ЭМОС звуковое давление на частоте 150 Гц установлено одинаковым. Из рисунка видно, что при включенной ЭМОС звуковое давление неизменно практически до 40 Гц (—3 дБ). При выключенной ЭМОС такое же звуковое давление на 80 Гц, т. е. эффективно воспроизводимый диапазон частот увеличился на 40 Гц. Кроме этого, значительно уменьшились нелинейные искажения громкоговорителя (см. таблицу). Измерения проводились при одинаковом сигнале на датчике при включенной и выключенной ЭМОС измерителем нелинейных искажений С6-7. Приведенные в таблице цифры соответствуют горизонтальной АЧХ при напряжении на выходе платы датчика ~55 мВ.

Н. ТРОШИН, г. Москва

Литература:

Ласис Д. 35АС-013 - Радио, 1985, № 3, с. 31-33.

Назад