Простой УМЗЧ на микросхеме TDA7294.

1 вариант.

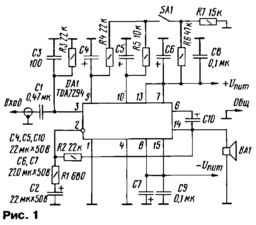
В статье А. Сырицо "УМЗЧ на микросхеме TDA7294" (см. "Радио", 2000, № 5. с. 19—21) была подробно описана эта микросхема и приведено несколько вариантов УМЗЧ с ее использованием. Вниманию читателей предлагается еще один вариант усилителя, в котором применена типовая схема включения TDA7294.

Основные технические характеристики усилителя (рис. 1) такие:

входное сопротивление — 22 кОм;

входное напряжение — 750 мВ;

номинальная выходная мощность на нагрузке 4 Ом и при коэффициенте гармоник 0,5 % — 70 Вт;

диапазон воспроизводимых частот — 20...20000 Гц;

напряжение питания — ±27 В; ток покоя — 60 мА.

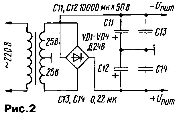
Усилитель имеет встроенную тепловую защиту, а также защиту от перегрузок и короткого замыкания в нагрузке. Для "мягкого" включения усилителя служит выключатель SA1. Устройство может питаться от двуполярного нестабилизированного источника, схема которого приведена на рис. 2.

Мощность сетевого трансформатора — 250 ВА, вторичные обмотки должны быть рассчитаны на ток не менее 5 А. Детали усилителя смонтированы на печатной плате (рис. 3) из двустороннего фольгированного стеклотекстолита размерами 50x35 мм.

Для монтажа использованы резисторы МЛТ-0,25, конденсаторы С4— С7, С10 — импортные аналоги К50-35 и «73-17 (остальные). В качестве SA1 применим любой малогабаритный кнопочный выключатель. Головка громкоговорителя — широкополосная с сопротивлением 4 Ом и мощностью не менее 50 Вт. Саму микросхему необходимо установить на теплоотвод площадью 600 см2. Для лучшего теплообмена ее корпус следует смазать тонким слоем теплопроводящей пасты. Поскольку корпус микросхемы соединен с минусовым проводом питания, он должен быть изолирован от корпуса усилителя.

Н. ЛЕВАШОВ, г. Кизляр, Дагестан

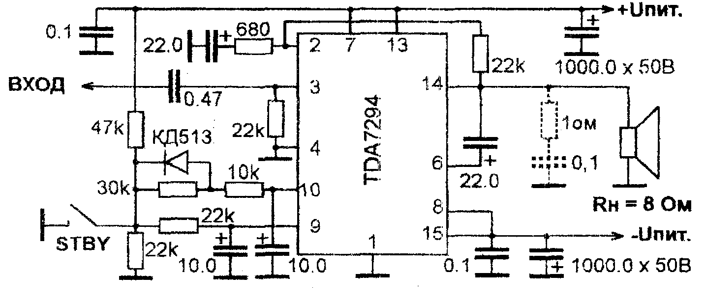
HI-FI УНЧ 100Вт на TDA7294 (SGS-THOMSON)

2 вариант.

Uпит...............................................................±10 - ±40 В

Полоса частот...............................................20-20000 Гц

Uвх......................................................................750 мВ

Рвых. макс. (Rн - 8 Ом)

TDA7294(Un.±38B)..................................100 Вт

TDA7295(Un.±34B)...................................80 Вт

TDA7296(Un.±29B)...................................60 Вт

К гармоник (при 0,8Рвых. макс.)......................<0,5 %

На непокрытые маской проводники наносится небольшой слой припоя, для увеличения их толщины. RC - цепь, показанная пунктиром устанавливается в случае самовозбуждения ИМС. ВНИМАНИЕ!!! ИМС необходимо устанавливать на теплоотвод с площадью не менее 600 кв. см через изолирующую прокладку, так как её корпус соединён с отрицательным выводом питания (выв.8,15).

Назад