На этот раз мы знакомим Вас с конструкцией АС закрытого типа, разработанной нашим автором, которая позволяет более эффективно использовать головки громкоговорителей в области низких частот.
Уровень звукового давления, развиваемого АС, определяется ее чувствительностью (КПД) и подводимой электрической мощностью:
L=S+20·1g·\/?P=S+10·1g·Р,
где: L - уровень звукового давления, дБ, относительно порога слухового восприятия - 2 х 105 н/м2; S - характеристическая чувствительность (звуковое давление, развиваемое АС на расстоянии 1 м от рабочего центра при подводимой электрической мощности, равной 1 Вт, выраженное в дБ*\/?Вт); Р - подводимая мощность, Вт.
Основная масса отечественных АС имеет чувствительность около 86 дБ*\/?Вт ("Амфитон 50АС-022", "35АС-018", "25АС-027", "S-90" и др.) и лишь некоторые - "S-90B", "S-90D", "S-100В", "Кливер 75АС-001" - 89-91 дБ*\/?Вт. При большей (на 3-5 дБ) чувствительности требуется в 2-3 раза меньшая мощность для создания такого же уровня звукового давления, или уровень давления будет на столько же дБ выше при равной подводимой к АС мощности. Например, для получения уровня звукового давления - 100 дБ к "35АС-018" нужно подвести 25 Вт, к "S-90B" - 12,5 Вт, а к "75АС-001" - всего 8 Вт электрической мощности. При конструировании АС представляет интерес применение головок громкоговорителей с высоким КПД и чувствительностью - 90 дБ*\/?Вт и более, таких как 6ГД-2, 10ГДШ-1, 4А-32, 100ГДН-З и др.
Головка 6ГД-2, а до нее головка 5ГД-3, разработанные на Рижском радиозаводе (РРЗ) более 35 лет назад, применялись в АС ламповых радиол "Симфония". Многие любители звука отмечают их приятное звучание и высокую "отдачу", однако в области самых низких частот ощущается явный спад.

Усредненная АЧХ нескольких АС "Симфония" в диапазоне частот ниже 250 Гц показана на рис.1 (кривая 1). Измерения проводились в "ближнем поле" с использованием микрофона МКЭ-3 с неравномерностью собственной АЧХ ±0,5 дБ в диапазоне частот 20-700 Гц. Из графика видно, что АЧХ АС имеет крутой спад ниже 70 Гц, минимумы на частоте 100 Гц (около 4-5 дБ) и в области частот 180-250 Гц (около 3-4 дБ). Анализ конструкции АС "Симфония" показал, что отдельный объем в нижней части корпуса с двумя отверстиями диаметрами 23 и 31 мм в горизонтальной перегородке, часто ошибочно принимаемый за конструкцию фазоинвертора (ФИ), на самом деле является низкодобротным двухчастотным режекторным акустическим фильтром (резонаторы Гельмгольца), настроенным на частоты 50 и 100 Гц для частичного подавления 1-й и 2-й гармоник сетевой частоты лампового усилительного тракта. Кроме того, такая конструкция ликвидирует неизбежный "горб" на АЧХ в области 60-80 Гц, образующийся из-за высокой (более единицы) добротности комплекса "усилитель-АС", вызванной малой гибкостью воздуха в объеме АС (V = 60 л), далеко не нулевым выходным импедансом УМ, а также активным сопротивлением соединительных проводов АС и разделительного фильтра НЧ, включенных последовательно с головкой. Спад АЧХ в области 180-250 Гц вызван особенностью конструкции 6ГД-2. Из-за недостаточной жесткости диффузоров "поршневой" диапазон работы головок (диффузор колеблется, как единое целое) простирается лишь до частот 140-160 Гц, а дальше начинается область изломанной АЧХ, типичной для этого типа головок. АЧХ АС закрытого типа в "поршневом" диапазоне горизонтальна на частотах выше резонансной (fp), ниже fp имеет спад около 12 дБ/окт, а на самой резонансной частоте имеет коэффициент передачи (относительно уровня горизонтального участка), численно равный полной добротности АС - Qп на fp.
Таблица 1.
| № | V = oo | ФИ | V = 100л | ||||
| fp, Гц | Qп | C x 103м/н | Vэ, л | Vф, л | f'р, Гц | Q'п | |
| 1 | 25,5 | 0,35 | 2,43 | 165 | 90 | 41,3 | 0,56 |
| 2 | 31,5 | 0,38 | 1,5 | 105 | 75 | 45 | 0,57 |
| 3 | 35 | 0,48 | 1,46 | 100 | 170 | 49 | 0,7 |
| 4 | 39 | 0,6 | 1,24 | 80 | 260 | 52,6 | 081 |
| 5 | 40 | 0,65 | 1,02 | 70 | 300 | 52 | 0,86 |
| 6 | 42,5 | 0,75 | 0,92 | 60 | 200 | 53,1 | 0,93 |
| 7 | 44,5 | 0,78 | 0,73 | 50 | 220 | 54,3 | 0,95 |

Когда Qп < 1, АЧХ "гладкая", при Qп > 1, на АЧХ имеется "горб" на fp. Если значение Qп близко к единице и лежит в пределах 0,95 - 1,0; то наблюдается небольшой подъем АЧХ (0,5-1,3 дБ) в области частот выше fp. Вышесказанное относится к случаю, когда внутри АС отсутствует звукопоглощающий материал (ЗПМ). Для проектирования улучшенного акустического оформления были проведены измерения основных электроакустических параметров семи экземпляров 6ГД-2: резонансной частоты fp, полной добротности Qп, гибкости подвижной системы С и эквивалентного объема Vэ. Полученные значения приведены в табл.1, колонки "V = оо". Значения fp и Qn измерены по методике, приведенной в [1]; С и Уэ - по методике, приведенной в [2, З]. Затем по методикам, приведенным в [2, 4, 6, 7], были определены объемы фазоинверторов для получения максимально "гладкой" АЧХ, которые приведены в колонке "ФИ", табл.1. Как видно из табл.1, параметры головок имеют значительный разброс. В очень редких случаях любители звука могут позволить себе АС объемом 200-300 л каждая, а для конструкции ФИ с приемлемым объемом требуется специальный отбор головок или применение акустического демпфирования для уменьшения Qп, что снижает КПД. Таким образом, конструкцию акустического оформления для 6ГД-2 в виде фазоинвертора нельзя считать оптимальной для повторения. Поэтому было решено выполнить АС в виде закрытого корпуса такого объема, чтобы полная добротность системы не превышала единицы. Такому условию в подавляющем большинстве случаев удовлетворяет V = 100 л. Такой же объем имеют промышленные AC "100АС-063" и "50АС-061М". При размещении головки громкоговорителя в закрытом объеме значения fp и Qп увеличиваются. Их можно определить по формулам:
f'p=fp\/?1+Vэ/V
и Q'п=Qп\/?1+Vэ/V,
где: fp и Q'n - новые значения параметров головки в объеме V.
В колонках "V = 100 л" табл.1 приведены расчетные значения f'p и Q'п, и видно, что разброс параметров значительно уменьшился, а максимальная добротность АС меньше единицы. Измеренные значения в реальных конструкциях оказались на 5-10% меньше из-за наличия рыхлого звукопоглощающего материала (хлопчатобумажная вата) внутри оформления, который служит не только для уменьшения паразитных резонансных явлений в области средних и высоких частот, но и увеличивает гибкость воздуха внутри корпуса АС, что эквивалентно увеличению объема, а также повышает активные акустические потери. Для того чтобы эти потери не были чрезмерными, количество ЗПМ не должно превышать 10-15 г/л (1 - 1,5 кг на 100 л).

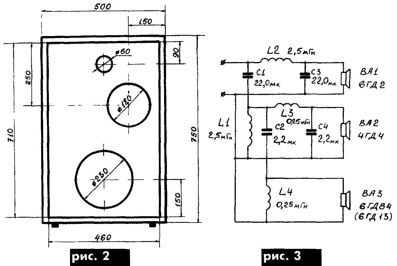
Вариант размещения головок в трехполосной АС с внутренними размерами 710х460х320 мм и с использованием 6ГД-2 на НЧ показан на рис.2. Корпус можно выполнить из фанеры или ДСП толщиной 18-20 мм. Головка СЧ-4ГД-4 закрыта с внутренней стороны пластмассовым колпаком (V = 4 л) с ЗПМ. Электрическая схема разделительных фильтров показана на рис.3, в качестве СЧ головки можно применить недефицитную 5ГДШ-1 (ЗГД-38Е), включив последовательно с ней резистор R = 2,2 Ом (5 Вт). Катушки L1 и L2 фильтров намотаны проводом ПЭВ-1 диам.1,3 мм на деревянных каркасах диам. 85 мм с высотой намотки 20 мм, количество витков 150; катушки L3 и L4 - проводом ПЭВ-1 диам. 1,0 мм на каркасах диам. 14 мм с высотой намотки 15 мм, количество витков 97. Конденсаторы С1-С4 типов К73-16, К73-17 на напряжение 63 В или других типов с отклонением 5% от номинала. Можно применить схему фильтров, приведенную в [8].
Параметры разработанной АС
Рабочий диапазон частот...............................................................................................35-20000 Гц
Уровень характеристической чувствительности............................................................93 дБ\/?Вт
Номинальное электрическое сопротивление ......................................................................8 Ом
Предельная шумовая (паспортная) мощность......................................................................16 Вт
Максимальный уровень звукового давления на расстояния 1 м.......................................105 дБ
Для сравнения, чтобы получить уровень звукового давления, равный 105 дБ, к AC "S-90" нужно подвести около 90 Вт электрической мощности. Семейство АЧХ с использованием различных экземпляров 6ГД-2 в НЧ диапазоне показано на рис.1 (кривые 2). Как видно, разброс АЧХ в области частот выше 30 Гц и до конца "поршневого" диапазона оказался менее 2 дБ, что свидетельствует о хорошей повторяемости параметров в предложенном акустическом оформлении. Выигрыш по звуковому давлению в области самых низких частот (по сравнению с "родным" применением головок в АС "Симфония") не менее 10 дБ, а расширение рабочего диапазона по уровню - 8...-10 дБ от величины среднего звукового давления - более чем на 2/3 октавы вниз.
Головка громкоговорителя 10ГДШ-1 (10ГД36К) разработана более 20 лет назад во ВНИИРПА им.А.С.Попова и многие годы выпускается заводом "Акустика" в г. Знаменке (Украина). Она предназначена для применения в однополосных АС, которые дешевле и проще двух- и трехполосных и имеют меньшие фазовые искажения из-за отсутствия разделительных фильтров. Головка 10ГДШ-1 одна способна воспроизвести практически весь звуковой диапазон частот. Эффективная работа в области НЧ обеспечивается применением специального гибкого подвеса из пенополиуретана и жесткого диффузора с криволинейной образующей, а в области ВЧ - вторым диффузором. Применение этих головок в малогабаритных АС типа 15АС-223 и им подобным с внутренним объемом около 14 л не позволяет в полной мере реализовать возможности 10ГДШ-1 в области самых низких частот. На рис.4 (кривая 1) изображена типовая АЧХ 15АС-223 в области частот до 250 Гц. На частотах выше 80 Гц АЧХ практически линейна ("поршневой" диапазон данного типа головок простирается до 400-500 Гц и выше), ниже частоты 75 Гц (-3 дБ) - крутой спад, достигающий -12 дБ на частоте 50 Гц. В табл.2 приведены параметры нескольких головок 10ГДШ-1 (колонки "V = со"), а также головок в корпусе объемом 60 л, вычисленном из условия получения полной добротности системы меньше единицы (колонки "V = 60 л").
Таблица 2.
| № головки | V = оо | V = 60 л | ||||
| fp, Гц | Qп | C x 10-3м/н | Vэ, л | f'р, Гц | Q'п | |
| 1 | 40 | 0,67 | 1,1 | 22,5 | 54,5 | 0,9 |
| 2 | 44 | 0,77 | 0,7 | 15 | 49,5 | 0,86 |
| 3 | 45 | 0,75 | 0,75 | 16 | 50,4 | 0,84 |
| 4 | 50,5 | 0,8 | 0,9 | 19 | 58 | 0,92 |
Разброс параметров оказался меньше, чем у 6ГД-2, значения Qп ("V = оо") в среднем находятся в пределах 0,7-0,8, т.е. вычисленный объем АС в 3-4 раза больше Vэ. В качестве корпусов были использованы ящики от АС "Симфония" с подходящим объемом (V = 60 л), внутренними размерами 710х325х260 мм и удаленной перегородкой с отверстиями резонаторов. Количество использованного ЗПМ 0,6-1 кг на весь объем. Размещение головки на передней панели показано на рис.5. На рис.4 (кривые 2) приведено семейство АЧХ нескольких АС. Разброс в области частот выше 30 Гц менее 2 дБ (как и в предыдущей конструкции), выигрыш по звуковому давлению в области самых низких частот более 12 дБ, а расширение рабочего диапазона по уровню - 8...-10 дБ почти на октаву (в два раза) вниз.
Параметры АС с использованием 10ГДШ-1
Рабочий диапазон частот...........................................................................................31,5-20000 Гц
Уровень характеристической чувствительности .........................................................90 дБ\/?Вт
Номинальное электрическое сопротивление................................. .................................4 Ом
Предельная шумовая (паспортная) мощность...................................................................10 Вт
Максимальный уровень звукового давления на расстоянии 1м.... ................................100 дБ
Головки 10ГДШ-1 имеют хороший запас по
линейному перемещению подвижной системы.
Радиолюбителям, имеющим опыт ремонта головок
громкоговорителей, можно рекомендовать
перемотку звуковых катушек термостойким
проводом ПЭТ-155 на каркасах из тонкого
(расслоенного) стеклотекстолита, а также замену
полиуретанового подвеса диффузора резиновым,
что позволит увеличить пиковую мощность до 30 Вт,
предельную шумовую -до 20 Вт, а максимальный
уровень звукового давления - до 103 дБ. Для
уменьшения объема АС можно рассчитать
акустическое оформление в виде ФИ по методикам,
приведенным в [6, 7] для Qп = 0,707. Ориентировочные
результаты: Vф = 40 - 45 л; диаметр туннеля - не менее 60
мм, длина его определяется частотой настройки ФИ
f = 25 - 30 Гц. Разработанные конструкции
подтверждают возможность более эффективного
использования головок громкоговорителей в
области самых низких частот (ниже резонансной
частоты АС) даже в простом акустическом
оформлении - закрытой АС.
Литература:
1. Алдошина И.А. и др. Бытовая электроакустическая аппаратура. Справ.-М.: КУбК-а, 1996.
2.. Акустика. Спров./ Под ред. М- А. Сапожково.-2-е изд.-М.: Радио и связь, 1989.
3. Эфрусси М. Расчет громкоговорителей//Радио -1977.-№3-4.
4. Эфрусси М. Еще о расчете и изготовлении громкого-ворителя//Радио. - 1984.-№10,
5. Салтыков О. Расчет характеристик громкоговорите-ля//Радио.- 1981.-№10.
6. Терещук P.M. и др. Полупроводниковые приемно-уси-лительные устройства. Справ,-К.: Наук. думка, 1989.
7. Иоффе В.К., Лизунков М.В. Бытовые акустические си-стемы.-М.: Радио и связь, 1998.
8. Дли Ю, Трехполосный громкоговоритель//Радио.-1989-№3.
П. А. Борщ, г. Киев
РАДИОАМАТОР № 9, 2001