Важнейший показатель качества акустических систем (АС) — их способность воспроизводить без искажений весь динамический диапазон реальных музыкальных сигналов. Количественная его оценка — максимальный уровень развиваемого АС звукового давления [1]: max SPL=S+10 lgP/Po (S—-характеристическая чувствительность, дБ/Вт/м; Р — кратковременная (музыкальная) мощность, Вт; Po — 1 Вт). У широко распространенной AC 35AC-012 значение указанного параметра достигает 105, а у 100АС-003 — 109 дБ, при одинаковой характеристической чувствительности — 86 дБ/Вт/м. Для высококачественных зарубежных АС эта величина не менее 107...109 дБ [2]. Известно, что эмоциональное воздействие музыки, звучащей в концертных залах, много сильнее, чем той же музыкальной программы, воспроизведенной бытовой АС в домашних условиях. По нашему мнению, это связано, прежде всего, с тем, что динамический диапазон и максимальный уровень звукового давления, обеспечиваемый бытовыми АС, заметно хуже, чем аналогичные показатели музыкальных инструментов, звучащих в концертных залах. Существующие рекомендации по выбору мощности электроакустических устройств [3, 4] не позволяют получить динамический диапазон, требуемый для высококачественного звуковоспроизведения. Так пиковые уровни звукового давления Lп, создаваемого в первых рядах концертного зала такими источниками естественного звучания, как рояль и оркестр из 18 музыкантов, равны соответственно 103 и 112 дБ , [2]. АС, способная создать уровень звукового давления в диффузном поле Lд=Lп, должна обладать акустической мощностью Pa = 4V- 10(0,1Lд-14) / Т [5] (V — объем помещения, м, Т — время реверберации, с). А это значит, что при воспроизведении звучания названных выше музыкальных источников в помещениях объемом 50 и 100 м3 акустическая мощность составит соответственно в первом случае 0,073 и 0,577 Вт, а во втором — 0,114 и 0,905 Вт. Поскольку коэффициент полезного действия современных АС не превышает 0,2 %, для создания указанных значений акустической мощности к АС следует подвести электрическую мощность опять же соответственно 37 и 288 Вт и 57 и 452 Вт. Отсюда следует однозначный вывод — наиболее распространенные бытовые АС (35АС-012 и т. п.) не способны обеспечить пиковые уровни звукового давления даже скромного по составу оркестра, вследствие этого и динамический диапазон, поскольку предельно допустимые уровни шума 30...45 дБ в жилых комнатах и концертных залах совпадают. В результате приходится либо мириться с ограничением пиков, сопровождающимся характерными нелинейными и динамическими искажениями, либо снижать средний уровень громкости, что из-за особенностей слуха также нарушает субъективное восприятие реальной музыкальной программы.
Из сказанного следует, что для обеспечения высокой верности воспроизведения необходимо использовать АС с расширенным динамическим диапазоном. В настоящее время желательность развиваемого АС максимального уровня звукового давления 108...109 дБ/ Вт/м является технически и . экономически оправданной. Для его достижения на базе головок с характеристической чувствительностью 86 дБ/Вт/м необходимо создание АС с кратковременной мощностью порядка 300 Вт. Более дешевым и простым путем реализации этого требования было бы использование головок с характеристической чувствительностью 92... 94 дБ/Вт/м, что и делается за рубежом, но у нас такие головки практически не выпускаются. Необходимо подчеркнуть, что столь высокие уровни мощности АС и соответственно усилителей ЗЧ необходимы не для увеличения среднего уровня громкости, а для обеспечения неискаженного воспроизведения пиков записанных программ. Ссылки некоторых противников мощных АС и УМЗЧ на санитарные нормы [4], ограничивающие из-за возникновения болевых ощущений уровень звукового давления значением 100 дБ, некорректны, ибо они относятся к шуму, а не к музыке. Воздействие же музыкального сигнала принципиально отличается от воздействия шума из-за интегрального свойства слуха. В музыкальных программах пики звукового давления 104... 109 дБ болевых ощущений не вызывают. Наш опыт длительной эксплуатации в жилой комнате объемом 100 ма АС с высоким средним звуковым давлением 0,45 Па при подводимой мощности до 2 х (100...120) Вт свидетельствует, что никаких болевых ощущений у кого-либо из слушателей не наблюдалось. Вместе с тем все они без исключения и, особенно, люди с профессиональным развитым слухом отмечали высокую верность звучания, в первую очередь, за счет верной передачи динамического диапазона музыкальных программ. Зарубежный опыт конструирования высококачественных электроакустических устройств показывает, что предназначенные для них бытовые усилители имеют выходную мощность от 2х100 до 2х200 Вт и более, что хорошо согласуется с приведенным выше расчетом. У нас также наблюдается устойчивая тенденция к росту мощности высококачественных усилителей: от 2х25 Вт («Одиссей-001-стерео» — 70-е годы) до 2х100 Вт («Форум-стерео», «Корвет-УМ-048-стерео» — конец 80-х). Причем для «Корвета-УМ-048-стерео» завод рекомендует использовать АС с паспортной мощностью не менее 100 Вт на канал.
С учетом приведенных выше соображений нами была сконструирована АС с паспортной мощностью 150 Вт. Номинальная ее мощность — 75 Вт; диапазон воспроизводимых частот при неравномерности АЧХ±2 дБ —25...20 000 Гц; характеристическая чувствительность — 89 дБ/Вт/м; суммарный коэффициент гармоник — 1,6 %.

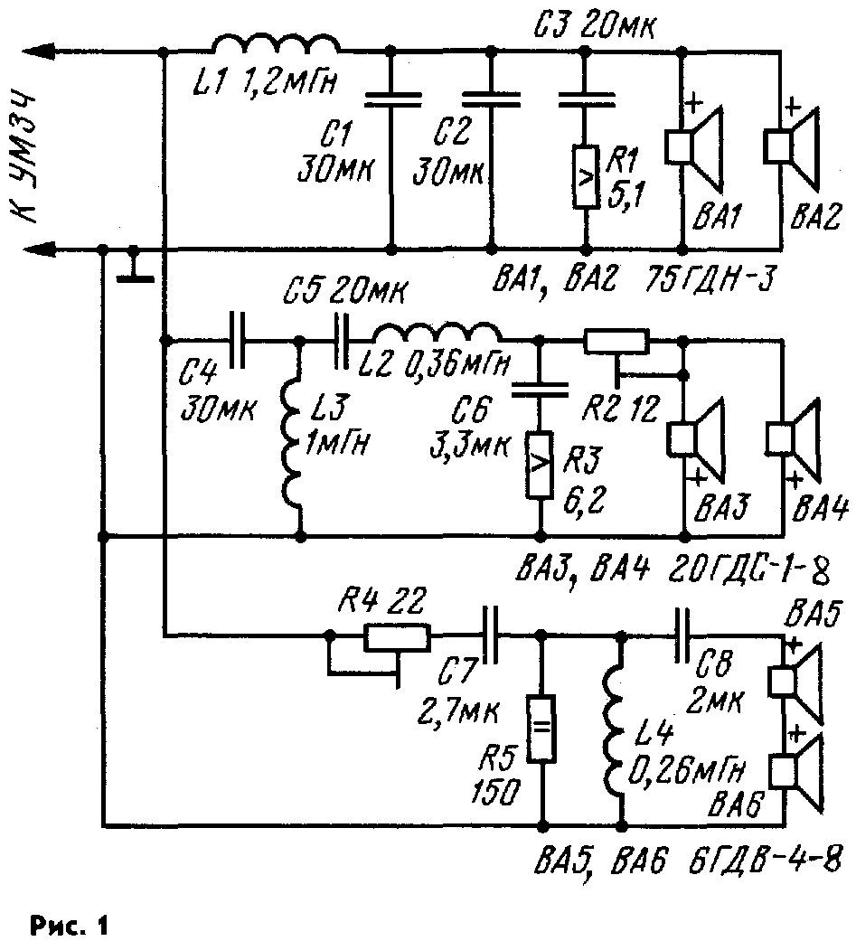
Принципиальная схема АС представлена на рис. 1. В качестве НЧ излучателей выбраны две головки 75ГДН-3. Для согласования АС с усилителем сопротивление каждой из параллельно включенных головок должно быть 8 Ом. Функции СЧ излучателей выполняют две головки 20ГДС-1-4. Эти головки выпускаются с активным сопротивлением 4 и 8 Ом [3]. Для нашей АС более предпочтительными с позиций согласования отдачи НЧ и СЧ звеньев были бы две последовательно соединенные четы-рехомные головки. Однако поскольку их нет в широкой продаже, нами были выбраны параллельно включенные вось-миомные головки с последовательным резистором в схеме разделительного фильтра для выравнивания отдачи относительно НЧ звена. В ВЧ звене работают две головки 6ГДВ-4-8, включенные последовательно. Они эффективно воспроизводят высшие звуковые частоты, начиная с 3000...3500 Гц, что упрощает их согласование с СЧ излучателями. В [6, 7] показано, что наиболее эффективное демпфирование и снижение искажений излучателей НЧ достигается при охвате комплекса АС-УМЗЧ электромеханической обратной связью (ЭМОС). В связи с этим параметры разделительных фильтров АС (см. рис. 1) выбирались не только из соображений надлежащего выделения полос, но и с учетом их влияния на действие ЭМОС (емкости конденсаторов С1 -|--)-СЗ, включение резистора R1). Дополнительно снизить искажения позволяют сдвоенные НЧ излучатели [8]. Такой способ можно рекомендовать как усовершенствование предложенной конструкции АС, особенно если введение ЭМОС затруднено.

Корпус АС (рис. 2) изготовлен из древесностружечной плиты толщиной 18 мм, на которую наклеен с наружной стороны слой фанеры толщиной 5...6 мм. Передняя панель а и задняя стенка б — съемные и крепятся к вертикальным брускам, закрепленным по периметру боковых стенок в и г корпуса с помощью шурупов. К горизонтальным брускам крепят крышку д и дно е корпуса. Передняя панель АС изготовлена из склеенных друг с другом столярным, казеиновым либо эпоксидным клеем трех слоев фанеры толщиной 9 мм. Все головки установлены с наружной стороны панели, под их фланцы стамеской выбраны необходимые углубления. На установочные места нанесены слои пластилина, после чего головки закреплены шурупами. На внутренней стороне задней стенки размещены платы с элементами разделительных фильтров, разъем для подключения АС к усилителю, а также согласующие резисторы R2 и R4, движки которых выведены под шлиц на наружную сторону.

Катушки фильтров намотаны на каркасах из изоляционного материала. Диаметр каркаса катушки L1 — 50, а остальных — 18 мм, длина намотки — соответственно 27,5 и 25 мм. Катушка L1 содержит 140 витков провода ПЭВ-2 1,71; L2 — 176, a L4 — 145 витков провода ПЭВ-2 1,0. Катушка L3 состоит из 295 витков провода ПЭВ-2 0,64. Конденсаторы разделительных фильтров МБГО-2 и К42-11 (можно и К73-11). В описываемой АС предусмотрено акустическое демпфирование НЧ и СЧ излучателей. Для демпфирования НЧ излучателей применена панель акустического сопротивления (ПАС), установленная в фазоинверторе. Туннель образован П-образной подставкой под АС и полом. ПАС изготавливают из фанеры, гетинакса или пластмассы толщиной 10 мм (рис. 2). Одну из поверхностей панели смазывают клеем «Момент» и с натяжением приклеивают к ней ткань (подойдет неоднократно стиранный батист или упаковочная ткань). ПАС крепят снаружи ко дну ящика шурупами тканью вовнутрь. Головки СЧ звена демпфированы в соответствии с рекомендациями [7, 9]. На рис. 3 представлена характеристика АС по модулю полного сопротивления для оптимального типа ткани.

Все внутренние поверхности ящика, за исключением передней панели и окна под ПАС в основании АС, оклеены звукопоглащающим материалом (войлоком, поролоном) толщиной 15...18 мм. СЧ головки изолированы от общего объема АС боксами из фанеры толщиной 6...8 мм. Для этой цели подойдут и алюминиевые миски с вырезанными в них отверстиями под магнитную систему. Щель между магнитной системой и краями отверстия нужно замазать пластилином. В том и другом случае бокс заполняется неплотно уложенной ватой. Переднюю панель закрывают деревянной рамкой, с натянутой на нее легкой (звукопроницаемой) тканью темных тонов. Рамка изготовлена из брусков сечением 20х25х31 мм. Наружные ее размеры — 999х496 мм. По углам к ней прикреплены четыре штифта диаметром 4 и длиной 22 мм, которые входят в подпружиненные гнезда на передней панели корпуса АС (на рисунке не показаны).
И. БЕСПАЛОВ, А. ПИКЕРСГИЛЬ, г. Одесса
ЛИТЕРАТУРА:
1. Алдошина И. Мощности акустических систем и громкоговорителей.— Радио, 1986, № 3, с. 39—40.
2. Алдошина И., Войшвилло А. Высококачественные акустические системы и излучатели.— М.: Радио и связь, 1985, с. 168.
3. Терещук Р., Терещук К., Седов С. Полупроводниковые приемо-усилительные устройства.— Справочник радиолюбителя.: Киев, Наукова думка, 1987.
4. Сухов Н., Бать С. и др. Техника высококачественного звуковоспроизведения.— Киев: Техника, 1985.
5. Анерт В., Райнхардт В. Основы техники звукоусиления.— М.: Радио и связь, 1984.
6. Митрофанов Ю., Пикерсгиль А. Акустические системы с электромеханической обратной связью.— Радио, 1970, № 5, с. 25, 26.
7. Жбанов В. О демпфировании динамических головок.— Радио, 1987, № 4, с. 31—34.
8. Жбанов В. Пути уменьшения габаритов акустических систем.— Радио, 1987, № 2, с. 29—31.
9. Попов П., Шоров В. Повышение качества звучания громкоговорителей.— Радио, 1983, № 6, с. 50—53.
Радио № 12, 1989 г.