...с пассивными полосовыми фильтрами.
Эквалайзеры пользуются заслуженной популярностью у любителей звуковоспроизведения. Только эти устройства позволяют существенно менять качество акустического звукового сигнала и тем самым исправлять некоторое «несовершенство» тракта источник сигнала — усилитель — акустика с учетом индивидуального восприятия конкретного слушателя. Регулируя коэффициент передачи эквалайзера на выбранных частотных интервалах звукового сигнала, можно добиться улучшения звуковоспроизведения даже аппаратов среднего уровня, в том числе и монофонических конструкций.
На рис. 1 приведена схема несложного
эквалайзера с достаточно глубоким уровнем
регулирования в шести частотных полосах.
Характеристики регулирования приведены на рис. 2.
Устройство выполнено на двух операционных
усилителях, объединенных в общем корпусе.
Входной каскад на DA 1.1 представляет собой
повторитель с большим входным сопротивлением и
согласует работу источников сигнала с
пассивными фильтрами. Полосовые фильтры с
центральными частотами 60, 200, 1000, 5000 и 10 000 Гц
выполнены двухзвенными для повышения крутизны
характеристики. Фильтр на 15000 Гц выполнен
однозвенным.
Каждый из фильтров работает на свой
переменный резистор регулирования уровня. Эти
регуляторы одним из выводов соединены с общей
шиной питания, чем и достигается большая глубина
регулирования. Усилитель на В А 1.2 — нормирующий.
Он обеспечивает необходимую величину
коэффициента передачи эквалайзера с входа до
выхода. В верхнем положении всех регуляторов
коэффициент передачи составляет примерно 1,2.
Подбором резистора R31 его можно установить и
другим. При выполнении эквалайзера в виде
автономной конструкции в него целесообразно
ввести блок питания. На схеме показан вариант
однополупериод-ного двуполярного выпрямителя,
выполненного на трансформаторе Т1 и диодах VD1, VD2.
При конструировании устройства в составе
полного усилителя мощности питание эквалайзера
следует осуществить от общего блока питания
через параметрический стабилизатор с
напряжением + 15 и -15 В.
Funkamateur, 1991, H. 4, s. 217
Примечание редакции. Рекомендуемые в описании микросхемы можно заменить отечественным и КР140УД20, КР1408УД2 или К157УД2, диоды — на КД102 —КД105. При автономном выполнении конструкции трансформатор Т1 следует изготовить на магнито-проводе Ш14 XI4, сетевая обмотка должна иметь 2200 витков провода ПЭВ 0,1, понижающая — 110 витков провода ПЭВ 0,2.
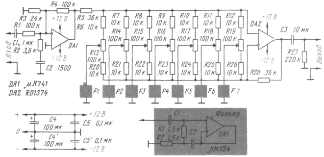
...с активными фильтрами.
Применение в эквалайзерах активных полосовых фильтров позволяет увеличить эквивалентную добротность фильтров, а значит, уменьшить их полосу пропускания и увеличить крутизну спада. Это в свою очередь позволяет увеличить количество регулируемых интервалов и сконструировать так называемый графический эквалайзер. На рис. 3 приведен вариант эквалайзера с семью полосами и глубиной регулирования ±15 дБ на всех частотах.

Номинальная величина входного сигнала 250 мВ. Операционный усилитель ОА1 выполняет роль нормирующего усилителя. В цепи обратной связи операционного усилителя DA2 включены фильтры F1—F7 с центральными частотами 40, 100, 270, 700, 2000, 5000, 12 500 Гц. Схема фильтра выделена на отдельном рисунке. Ширина полосы фильтра определяется параметрами двузвенной КС-цепи. Для более точной настройки фильтров каждый из конденсаторов фильтра составлен из двух (кроме конденсатора С1 фильтра F5). Включение конденсаторов параллельное, исключение составляют конденсаторы С2 фильтров F1 и F2, в которых конденсаторы включены последовательно (возможно использование оксидных конденсаторов с встречным включением).
| Фильтр | Частота, Гц | С1 | С2 |
| 1 | 40 | 1мк+0,022мк | 22мк^10мк |
| 2 | 100 | 0,22мк+0,22мк | 10мк^3,3мк |
| 3 | 270 | 0,1мк+0,068мк | 0,47мк+0,47мк |
| 4 | 700 | 0,033мк+0,033мк | 0,33мк+0,033мк |
| 5 | 2000 | 0,022мк | 0,1мк+0,027мк |
| 6 | 5000 | 6800+2200 | 0,047мк+3000 |
| 7 | 12500 | 3300+240 | 10000+1000 |
Значения конденсаторов для полосовых фильтров приведены в таблице.
Tehnium, 1991, N 5, pag. 8-10
Примечание редакции. При реализации варианта эквалайзера возможно использование отечественных микросхем К140УД7, КР140УД708.
РАДИО № 12, 1991 г.