Электронный регулятор громкости.

Физиологические особенности акустического восприятия звука предъявляют вполне определенные требования к элементам конструкции. Так для равномерного регулирования громкости переменный резистор, реализующий эту функцию, должен иметь характеристику с экспоненциальной зависимостью изменения сопротивления (тип В) [1]. В устройствах электронного регулирования выполнение такого же требования достигается скоростью изменения амплитуды сигнала и может быть решено двумя способами: изменением приращения амплитуды дискретизации при постоянном времени дискретизации [2] (рис. 1) и, наоборот, изменением времени дискретизации при постоянном приращении амплитуды сигнала (рис. 2).

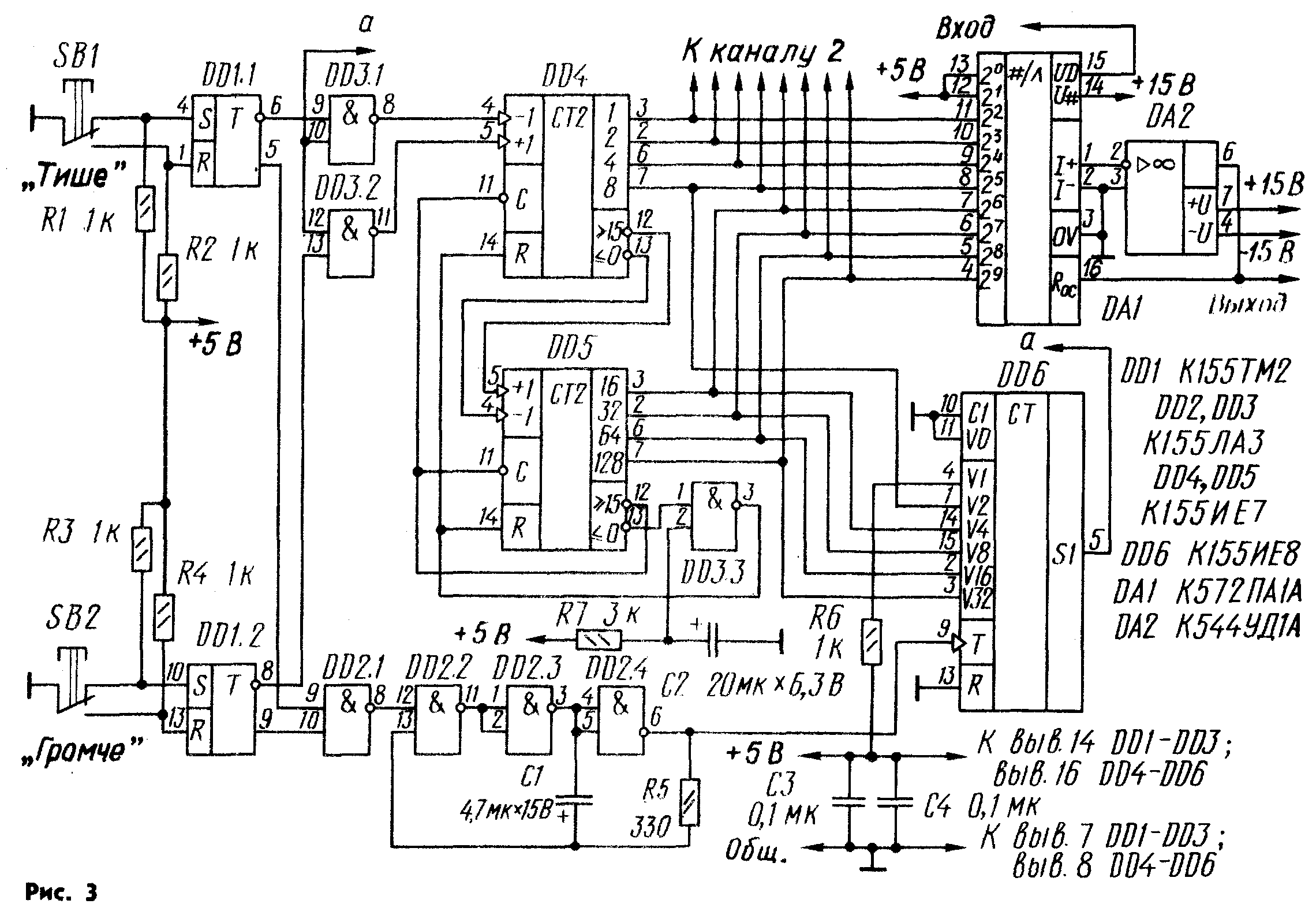
Второй способ представляется более целесообразным, поскольку позволяет отказаться от реализующего переменный шаг дискретизации коммутируемого делителя напряжения и заменить его цифроана-логовым преобразователем (ЦАП), обеспечивающим постоянный шаг дискретизации. Применение же ЦАП сокращает число элементов электронного регулятора, дает возможность без особых затрат увеличить число шагов дискретизации, а также упростить управление регулятором громкости. Принципиальная схема электронного регулятора громкости, реализующая этот способ, приведена на рис. 3. Его технические характеристики:

Диапазон регулирования, дБ, не менее............................................................................60

Число шагов дискретизации.............................................................................................256

Ток потребления, мА, не более, от источника питания напряжением:

5В.................................................................................................300

±15 В....... .....................................................................................10

Регулятор громкости состоит из узла управления и двухка-нального (на схеме показан один канал) преобразователя «Код — громкость». Узел управления содержит две нефиксируемые в нажатом положении кнопки SB1 («Тише») и SB2 («Громче»), два устраняющих дребезг контактов RS-триггера на элементах микросхемы DD1, генератор тактовых импульсов с устройством его запуска на элементах микросхемы DD2, -восьмиразрядные счетчики на микросхемах DD4 и DD5 и управляемый делитель частоты на микросхеме DD6. Каждый из каналдв преобразователя «Код — громкость» состоит из ЦАП на микросхеме DA1 и суммирующего усилителя на ОУ DA2.

Работает регулятор следующим образом. При подаче питания начинает заряжаться конденсатор С2. На все время его зарядки на выводе 2 элемента DD3.3 устанавливается уровень логического нуля. На выводе 3 этого же элемента формируется сигнал с уровнем логической единицы, который поступает на R-входы счетчиков DD4, DD5 и устанавливает их в нулевое состояние. Элемент DD3.3 выполняет и еще одну функцию — не позволяет счетчикам изменять свое состояние при поступлении на их входы « - 1» и « + 1» счетных импульсов в соответствующих крайних состояниях счетчика. Так, если счетчики DD4, DD5 находятся в нулевом состоянии, с приходом счетного импульса на вход « - 1» счетчика DD4 на выходе «<0» счетчика DD5 устанавливается сигнал логического нуля, который поступает на вход элемента DD3.3. Этот сигнал формирует на его выходе (вывод 3) сигнал логической единицы, который, поступая на R-входы счетчиков DD4, DD5, обнуляет их, т. е. сохраняет их прежнее состояние. Если же счетчики находятся в состоянии, когда на всех их выходах единицы и счетный импульс поступает, на вход «+1» счетчика DD4, то уровень логического нуля формируется на выходе « > 15» счетчика DD5. Этот сигнал проходит на С-вхо-ды обоих счетчиков, переводит их в режим записи, и они записывают сигнал логической единицы, т. е. опять же сохраняется их исходное состояние. При нажатии на кнопку SB2 «Громче» RS-триггер на элементе DD1.2 изменяет свое состояние. Сигнал логической единицы с его вывода 8 поступает на вывод 13 элемента DD3.2 и открывает его для прохождения счетных импульсов на вход «-|-1» счетчика DD4. Сигнал же логического нуля с вывода 9 триггера DD1.2 проходит на вывод 10 элемента DD2.1 и формирует на его выходе (вывод 8) сигнал логической единицы, который, поступив на вывод 12 элементе DD2.2, разрешает работу генератора на элементах DD2.2 — DD2.4. Тактовые импульсы с выхода (вывод 6 DD2.4) генератора приходят на Т-вход управляемого делителя частоты. С выхода S1 DD6 через открытый элемент DD3.2 тактовые импульсы поступают на вход « + 1» реверсивного счетчика DD4, а с его выхода « > 15» на такой же вход счетчика DD5. В результате записанный в них код увеличивается, что, в свою очередь, приводит к росту частоты следования выходных импульсов делителя DD6, а значит, и скорости нарастания кода. Такое построение электронного регулятора громкости и позволяет получить экспоненциальную зависимость скорости нарастания кода от времени. Глубину экспоненциальной зависимости можно менять вплоть до линейной путем подачи сигналов логической единицы на входы V2—V32 младших разрядов управления делителя OD6, Чтобы при включении регулятора за 64 входных импульса через умножитель прошел один импульс, на вход V1 через резистор R6 подан сигнал логической единицы.

При нажатии кнопки SB1 «Тише» изменяет свое состояние RS-триггер DD1.1. Сигнал логической единицы с его вывода 6 поступает на вывод 9 элемента DD3.1 и открывает его для прохождения счетных импульсов на вход «—1» счетчика DD4. Сигнал логического нуля с вывода 5 триггера DD1.1 проходит на вывод 9 элемента DD2.1 и устанавливающийся на его выходе 8 сигнал логической единицы разрешает работу генератора тактовых импульсов (DD2.2—DD2.4). Если кнопки SB1 и SB2 не нажаты, то генератор находится в режиме ожидания и изменения уровня громкости на выходе устройства не происходит. С выхода генератора тактовые импульсы, как и при нажатии на кнопку S82 «Громче», поступают на управляемый умножитель частоты DD6, а затем через открытый элемент DD3.1 на вход «—1» реверсивного счетчика DD4, а через него на такой же вход счетчика DD5. В этом случае частота выходных импульсов делителя уменьшается, что влечет за собой снижение скорости нарастания кода. Кодовые сигналы поступают на преобразователь «Код — громкость», выполненный по стандартной схеме ЦАП на микросхеме DA1. Вместо образцового напряжения на вывод 15 этой микросхемы поступает сигнал с усилителя ЗЧ. Чтобы обеспечить установку начального уровня громкости на два младших ее разряда «20» и «21» поданы уровни логических единиц. Выходной сигнал снимается с суммирующего усилителя на ОУ DA2.

Налаживания регулятор не требует. При необходимости изменить скорость регулирования громкости следует заново подобрать емкость конденсатора С1, изменяющего частоту генератора тактовых импульсов.

В. РАСПОПОВ, г. Ярцево Смоленской обл.

ЛИТЕРАТУРА:

1. Терехов А. О регулировании громкости,- Радио, 1982, № 9

2. Поляница Д. Регулятор громкости с электронным управлением - Радио, 1986, № 6

Радио № 4, 1989 г.

Назад