Регулятор ширины стереобазы и рокот-фильтр.

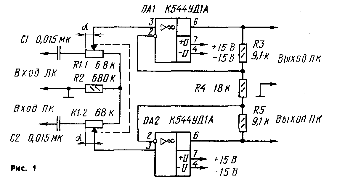
В статье Ю. Кузнецова, М. Морозова и А. Шитякова под таким названием («Радио», 1985, № 1, с. 27—28) было приведено описание устройства, которое, несмотря на свою относительную простоту, могло выполнять сразу две функции: снижения уровня рокота и улучшения разделения стереоканалов. Вместе с тем, как показал проведенный анализ схемотехнических решений, аналогичное устройство может быть построено с использованием значительно меньшего числа пассивных и активных элементов. Принципиальная схема такого регулятора, разработанного автором, приведена на рис. 1.

Основные технические характеристики.

Номинальное входное напряжение, В.................................................................................................0,5
Входное сопротивление, кОм, не менее..............................................................................................70
Коэффициент передачи по напряжению..............................................................................................1
Максимальное расширение стереобазы, раз.........................................................................................2
Уровень подавления низкочастотных противофазных
составляющих рокота в режиме «Стерео»
(максимально расширенной стереобазы), дБ, на частотах, Гц:

8................................................................................................................................26(20)

20..............................................................................................................................18(12)

50...............................................................................................................................10(4)

Коэффициент гармоник при номинальном входном напряжении, %, не более...............................0,05
Отношение сигнал/шум, дБ, не менее.....................................................................................................80
Перегрузочная способность, дБ, не менее..............................................................................................20
Потребляемый ток, мА, не более..............................................................................................................7

Устройство работает по принципу последовательного суммарно-разностного преобразования стерефонического сигнала. Оно состоит из узла суммирования сигналов левого и правого каналов на сдвоенном переменном резисторе R1 и узла разностного преобразования сигналов на двух ОУ DA1 и DA2. В первом регулируется ширина стереобазы от номинального значения до нуля, второй расширяет стереобазу на фиксированное значение. Последовательное соединение этих узлов позволило получить устройство, регулирующее ширину стереобазы от нуля до максимального значения, определяемого узлом разностного преобразования. Функции рокот-фильтра в описываемой конструкции выполняют переходные конденсаторы С1 и С2 совместно с регуляторами ширины стереобазы R1.1 и R1.2.

В правом (по схеме) положении движков резистора R1 неинвертирующие входы обоих ОУ объединены, и, следовательно, сигналы на их выводах равны по величине полусумме сигналов обоих каналов (режим «Моно»). В левом положении движков этого резистора сигналы на входах ОУ DA1 и DA2 равны сигналам соответственно левого и правого каналов, поступающим на вход всего устройства, а узел разностного преобразования расширяет стереобазу до максимального значения. В промежуточном положении движков резистора R1 напряжения на неинвертирующих входах ОУ определяются выражениями: UЛ1=UЛ0(1-а/2)+UЛ0а/2, UП1=UЛ0а/2+UП0(1-а/2) при R2>Rl; а выходные напряжения всего устройства:

UЛ2 = UЛ1(1 + R/R4) - UП1 х R/R4;

UП2 = - UЛ1 R/R4 + UП1( l + R/R4);

где: R=R3=R5; UЛ0 UЛ1 UЛ2(UП0 UП1 UП2) — напряжения левого (правого) канала, действующие соответственно на входе регулятора, неинвертирующих входах ОУ DA1 и DA2 и на выходе устройства, а — относительное перемещение движков переменного резистора R1 (а=0...1). В частности, при выборе отношения R/R4=0,5 (что соответствует максимальному расширению стереобазы в два раза) в среднем положении движков резистора R1 (а=0,5) на выходах ОУ формируется стереофонический сигнал UЛ2 = UЛ0, UП2 = UП0 и стереобаза имеет номинальное значение. При выводе соотношений для напряжений, действующих на выходах регулятора, предполагалось, что выходные сопротивления источников сигналов левого и правого каналов значительно меньше сопротивления резистора R1. Если это условие не выполняется, влияние выходных сопротивлений источников сигналов Rr на работу устройства может быть учтено путем формальной замены в выражениях для определения UЛ2 UП2 переменной а на новую переменную а'= (a + RГRl) / (1 + RГRl). На практике влияние выходных сопротивлений источников сигналов сводится к уменьшению диапазона регулировки стереобазы в сторону ее расширения, причем это влияние может быть практически исключено соответствующим увеличением отношения R/R4.

В области нижних частот (f < 1/2лR1С1 = 1/2лR1С2 = 160 Гц) зависимость напряжений на неинвертирующих входах ОУ от положений движков резистора R1 уменьшается, а для составляющих стереофонического сигнала, лежащих в области частот значительно ниже 160 Гц, напряжения на входах ОУ приближаются к полусумме сигналов левого и правого каналов.

Резистор R2 задает режим работы ОУ по постоянному току и совместно с конденсаторами С1 и С2 определяет нижнюю частоту среза АЧХ устройства. При указанных на схеме номиналах элементов она приблизительно равна 16 Гц. Разработанное устройство некритично к используемым типам элементов; при этом такие его технические характеристики, как коэффициент гармоник, отношение сигнал/шум, потребляемый ток определяются только примененным ОУ. Сдвоенный переменный резистор R1 — любой, с регулировочной характеристикой группы А. Сопротивление резистора R1 может быть иного, чем указано на схеме, номинала. Емкость конденсаторов С1 и С2 в этом случае необходимо изменить обратно пропорционально величине изменения сопротивления резистора R1.

Чертеж печатной платы устройства, рассчитанной на установку резисторов МЛТ (R2 — R5), СПЗ-236 (R1), конденсаторов KM (Cl, C2), приведен на рис. 2. В налаживании правильно собранное устройство не нуждается. Следует отметить, что благодаря низкому выходному сопротивлению регулятор хорошо сопрягается с другими функциональными узлами стереотракта.

М. СТАРОСТЕНКО, г. Миасс,  Челябинской обл.

Радио № 11, 1989 г.

Назад