Доработка «25AC-109».

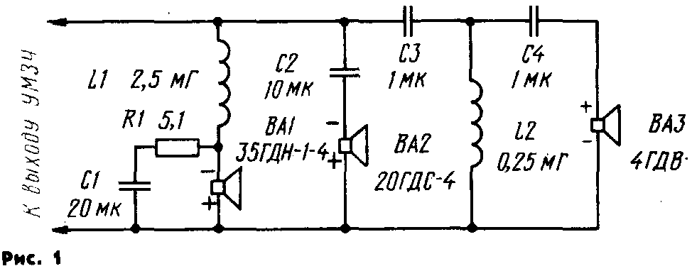
Несложная доработка акустической системы «25АС-109» позволит существенно повысить качество ее звучания. Это не потребует от радиолюбителя больших затрат и не изменит внешнего вида АС. Нужно лишь заменить давно устаревшую головку 5ГДВ-1 на более современную 4ГДВ-1 и установить фазоинвертор. Прежде всего необходимо снять заднюю стенку и переднюю панель АС, извлечь из корпуса головку 5ГДВ-1 и оклеить поролоном (войлоком или ватином) внутренние поверхности боковых, верхней и задней стенок АС. После этого следует доработать разделительный фильтр в соответствии с приведенной на рис. 1 принципиальной схемой и, не подключая высокочастотную головку, поставить на место заднюю стенку корпуса АС.

Затем приступить к изготовлению туннеля фазоинвертора. Так как точный расчет его длины весьма сложен, предлагается подобрать ее экспериментально. Для этого из листа чертежной бумаги делают пробный туннель без выреза для проводов. В отличие от настоящего его длина должна быть равна 25 см. Пробный туннель вставляют в отверстие высокочастотной головки и, подав на вход разделительного фильтра сигнал частотой 30.,.40 Гц, перемещая туннель в отверстии головки, устанавливают оптимальную его длину по максимальному уровню громкости.

Из эбонита или картона изготавливают настоящий туннель фазоинвертора с вырезом для проводов (рис. 2) и длиной, соответствующей подобранной длине пробного туннеля. Затем снимают заднюю стенку, а переднюю панель устанавливают на место. Далее берут головку 4ГДВ-1, снимают с нее крепежное кольцо и снова приклеивают его клеем «Момент» на прежнее место. После этого головку приклеивают к сетке высокочастотной головки строго по центру соответствующего отверстия в передней панели, где ранее стояла высокочастотная головка 5ГДВ-1. В результате головка 4ГДВ-1, сетка «25АС-109», а вернее сама передняя панель образуют единое целое. Поскольку вновь установленная головка много меньше старой, вокруг нее образуются щели, которые и используются в фазиоинверторе.

В заключение головку 4ГДВ-1 подключают к разделительному фильтру, устанавливают туннель и приклеивают его к передней панели (рис. 3). Теперь остается лишь поставить на место заднюю стенку — и АС готова к работе. Следует обратить внимание на соблюдение полярности подключения головок (см. рис. 1), ибо и от этого зависит качество звучания АС.

Г. БЕКЕРИС, г. Каунас

РАДИО, № 6, 1990 г.

Назад