Индикатор уровня (ИУ) предназначен для контроля уровня записи-воспроизведения в магнитофоне и имеет логарифмическую шкалу, растянутую вблизи 0 дБ. Изменив закон измерения уровней индикации, можно измерять выходную мощность^ например^ УМЗЧ или иметь линейную шкалу для любых других цепей.
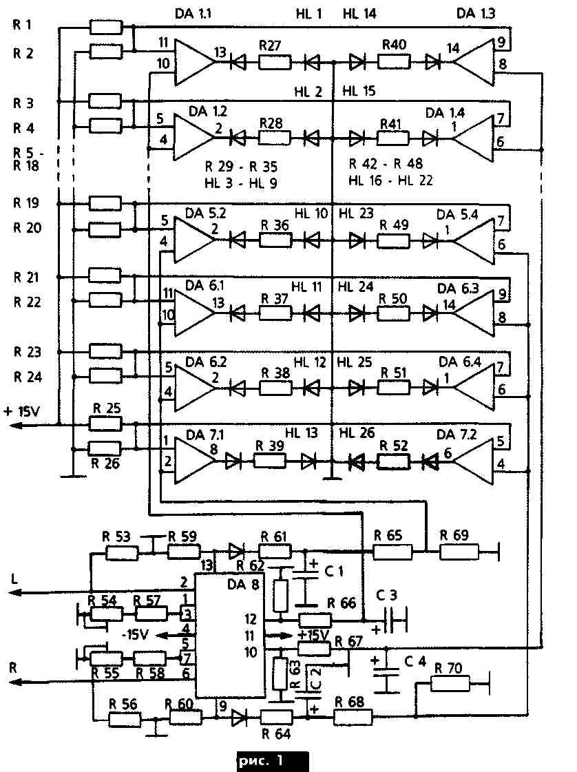
Измеритель уровня обеспечивает измерение промежуточного уровня от - 25 дБ до 0 и квазипикового от 0 до +5 дБ. Динамический диапазон можно расширить как в меньшую, так и большую сторону. ИУ, описанные в [1, 2], и им подобные, на мой взгляд, имеют существенные недостатки, обусловленные последовательным соединением резисторов, задающих опорный уровень на входах компараторов. Изменение сопротивления одного из этих резисторов приводит к изменению уровня срабатывания всех измерительных ячеек. При изготовлении стереофонического ИУ потребуются высокоточные резисторы в обоих делителях, но и в этом случае возможно появится разброс в засвечивании светодиодов в обоих каналах. В схеме ИУ на рис.1 этот недостаток устранен. Делителем R1R2 задается опорный уровень измерения на входах компараторов левого и правого каналов одновременно, чем достигается одновременное засвечивание светодиодов при достижении входным сигналом заданного уровня. Изменение соотношения делителя R1R2 не приводит к изменению опорного уровня на других входах компараторов, так как каждый опорный уровень задается своим делителем. При некотором усложнении схемы это позволяет задать любой закон изменения входного сигнала и быстро настроить каждую ячейку в обоих каналах. Для уменьшения количества микросхем применены счетверенные компараторы 1401СА1. Выполненные на одном кристалле они имеют практически одинаковые параметры. Выходная цепь компараторов защищена диодом и токоограничивающим резистором. В последней ячейке квазипикового измерителя применена МС KP574D2. Детектором в ИУ является МС K157DA1. Для расчета временных характеристик ИУ использованы данные, приведенные в [З]. При изготовлении индикатора сопротивления резисторов R62R63, задающих время обратного хода, пришлось уменьшить до 270 Ом. На низкоомном выходе 12 МС 157DA1 измеряется промежуточный [4], а на высо-коомном выходе 13 - квазипиковый уровни. Диоды в цепи высокоомного выхода обеспечивают развязку времязадающей цепи от микросхемы. Для простоты МС DA2, DA3, DA4, частично DA5 и все связанные с ними цепи не показаны. Резисторы в делителях компараторов, подключенные к источнику +15 В, имеют сопротивление 10 кОм. Входные напряжения соответствующих уровней и сопротивления других резисторов делителей приведены в таблице.

Налаживание ИУ заключается в следующем. Соединив оба входа ИУ, подают на них от НЧ генератора сигнал частотой 1 кГц и напряжением, соответствующим напряжению линейного выхода магнитофона (500 мВ). Резисторами R54R55 на выводах 12 и 10 устанавливают постоянное напряжение в пределах 9..,10 В, одинаковое в обоих каналах. Измерять можно обычным тестером. Далее пересчитывают входные напряжения ИУ для каждой ячейки в уровни (в дБ) относительно 0 (500 мВ) в соответствии с таблицей [5]. Подавая на вход каждого из каналов напряжение от НЧ генератора, подбирают резистор в соответствующей заданному уровню ячейке.
Детали и конструкция. Печатная плата размерами 80 х 58 мм выполнена из двустороннего стеклотекстолита. Вид печатной платы со стороны деталей и со стороны монтажа показан на рис. 2,а и б соответственно (М2:1). Токоограничивающие резисторы R1, R3...R25 (с нечетными номерами, подключенные к +15 В и к компараторам), а также R53, R56 типа SMD. Остальные - типа МЛТ-0,125. Их устанавливают вертикально. Подстроечные резистооа - импортного производства. Диоды - любые малогабаритные. Светодиоды зеленого свечения используют для индикации ypовня до 0 включительно, выше 0 - красного импортного производства.
Корпус для каждой линейка све^с^одов склеен дихлорэтаном из полосс< п.-зст^ас-сы толщиной 1,5 мм, шириной 5 w." ^."^ной 53 мм. Так как корпуса светод^с^ое УСТОЙЧИВЫ к дихлорэтану, их вклеивос' s-.-e^e с перемычками между ними. Посте вь :ь.хания клея при нажатии на светодиодь о^ выходят из образовавшихся прямоугольно х отверстий, повторяющих форму их Kccivca
Получившийся корпус каждой ячейки обрабатывают наждачной бумагой. Светодиоды впаивают в отдельную плату. Рисунок ее прост и не приводится. Плату припаивают в торец основной платы к соответствующим контактам.
Номиналы элементов:
R1,R3,R5,R7,R9,R11,R13,R15,R17,R19, R21, R23, R25 - 10 кОм; R27-R35, R40-R48 1,8 кОм; R36-R39, R49-R52 2,2 кОм, R53, R56 ЮОкОм; R54, R55 5 Юм; R57, R58 4.7 Юм; R59, R60 8,2 Юм; R61, R64 1к0м; R65, R68 430 к0м, R69, R70, R62, R63 270 к0м R66, R67 2,7 к0м, С1,С2 1,Ох50В,СЗ,С44,7х 16В, HL1-HL9, НП4-Н22 - светодиоды зеленого свечения, HL10-HL13, HL23-HL26 - светодиоды красного свечения Не обозначен ные на схеме диоды - любые типа КД521 Питание DA1-DA6 12 вывод - -15 В, 3 вывод - +15 В, DA7 7 вывод - -15 В, 2 вывод - +15 В, DA8 4 вывод - -15 В, 11 вывод - +15 В.
| Уровень, дБ | -25 | -20 | -15 | -10 | -5 | -3 | -2 | -1 | 0 | +1 | +2 | +3 | +5 |
| Uвх, мВ | 29 | 50 | 88 | 151 | 281 | 354 | 397 | 446 | 500 | 560 | 630 | 705 | 890 |
| Обозначение резистора | R2 | R4 | R6 | R8 | R10 | R12 | R14 | R16 | R18 | R20 | R22 | R24 | R26 |
| Сопротивление, кОм | 0,27 | 0,39 | 0,68 | 1,1 | 2,2 | 2,7 | 3 | 3,9 | 4,7 | 0,56 | 0,68 | 0,82 | 0,91 |
Сигнал на ИУ желательно подавать через конденсаторы емкостью 0,1 - 0,22 мкФ, которые не указаны на схеме и печатной плате.
Литература:
1. Дмитриев Н, Фиофилоктов Н. "Измерители квазипикового уровня сигнала"//Радио-1984, № 3,
2. "Микросхемы для бытовой радиоаппаратуры", Справочник-М Радио и связь, 1993.
3. Валентин и Виктор Лексины, "Комбинированный измеритель уровня сигнала", Радио -1983 - № 11.
4. Атаев Д. И., Болотников В. А. "Аналоговые интегральные микросхемы для бытовой радиоаппаратуры", 1992.
5. Иванов Б., "Как проверить усилитель ЗЧ" //Радио - 1988, № 3
С. Н. Опанасенко, г. Киев, РАДИОАМАТОР № 8, 2001