Светодиодный индикатор уровня сигнала предназначен для индикации уровня переменного сигнала.
Применение: индикация настроки тюнера, индикация уровня сигнала на линейном выходе, индикация выходной мощности и.т.д.
Технические характеристики:
Напряжение питания...........................3,5 - 15 В
Ток покоя.............................................7 - 10 мА
Выходной ток.......................................7 - 10 мА
Минимальное входное напряжение......50 мВ
Частотный диапазон.............................20 - 20000 Гц
Диапазон индикации ............................18 - 20 dB
Логарифмическая шкала

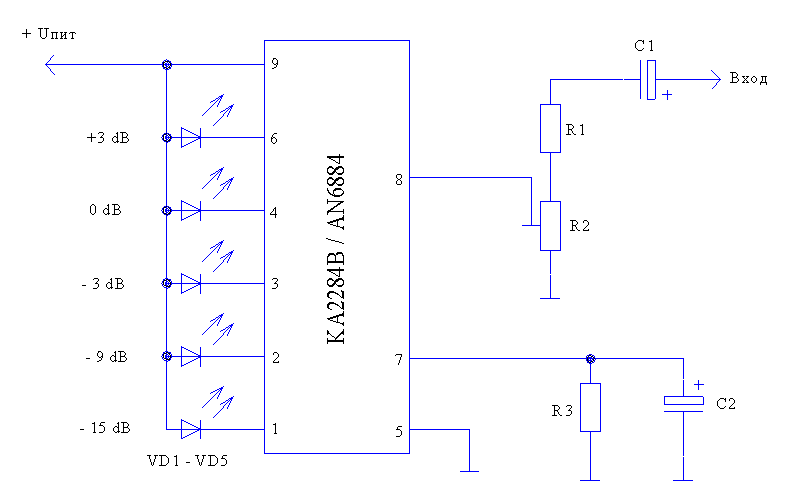
Перечень элементов
R3 - 47 кОм - 100 кОм
C1 - 10 мкФ х 10 В
C2 - 1 мкФ х 10 В
VD1 - VD5 - АЛ307 (КИПМО)
В зависимости от уровня входного сигнала рекомендуються номиналы R1, R2:
| Uвх | R1 | R2 |
| 50 - 100 мВ | 1 кОм | 100 кОм |
| 100 - 500 мВ | 47 кОм | 47 кОм |
| 0,5 - 5 В | 100 кОм | 47 кОм |
R2 служит для регулировки чувствительности индикатора, С2 задает постоянную времени индикации С2,R2 - задают постоянную времени обратного хода индикатора.