В современной звуковоспроизводящей аппаратуре все чаще используются электронные селекторы сигналов, выполненные на основе аналоговых ключей и коммутаторов МОП структур серий 176, 561, 590. Наряду с такими достоинствами, как высокая надежность, хорошая помехозащищенность, удобство управления, указанные выше устройства имеют один существенный недостаток — сравнительно большие (до 0,2 %) [1] искажения, вызванные нелинейной зависимостью сопротивления открытого канала ключа от амплитуды входного сигнала: Rоткр=f(Uвх). Эта зависимость при различных амплитудах коммутируемого сигнала показана на рис. 1.
Анализ приведенных на рис. 1 кривых
показывает, что для достижения малых нелинейных
искажений необходимо уменьшать амплитуду
коммутируемого сигнала и выбирать напряжение
питания ключа значительно выше уровня входного
сигнала. С учетом изложенных выше положений
автором разработан селектор входов для
высококачественного усилителя 34. Отличительная
его особенность — подключение выходов
электронных ключей к инвертирующему входу ОУ
«искусственная земля» [2], что позволило снизить
напряжение на них до единиц милливольт. В
качестве коммутирующего элемента использован
электронный ключ 561КТЗ, не создающий
коммутационных помех и сопротивление открытого
канала которого мало зависит от величины
входного напряжения.
Основные технические характеристики селектора
Число переключаемых входов.....................................................................4
Максимальная амплитуда коммутируемого сигнала, В.............................5
Полоса рабочих частот по уровню ±0,5 дБ, Гц...................................20-100 000
Коэффициент гармоник в полосе частот 20...20 000 Гц, %, не более......0,01
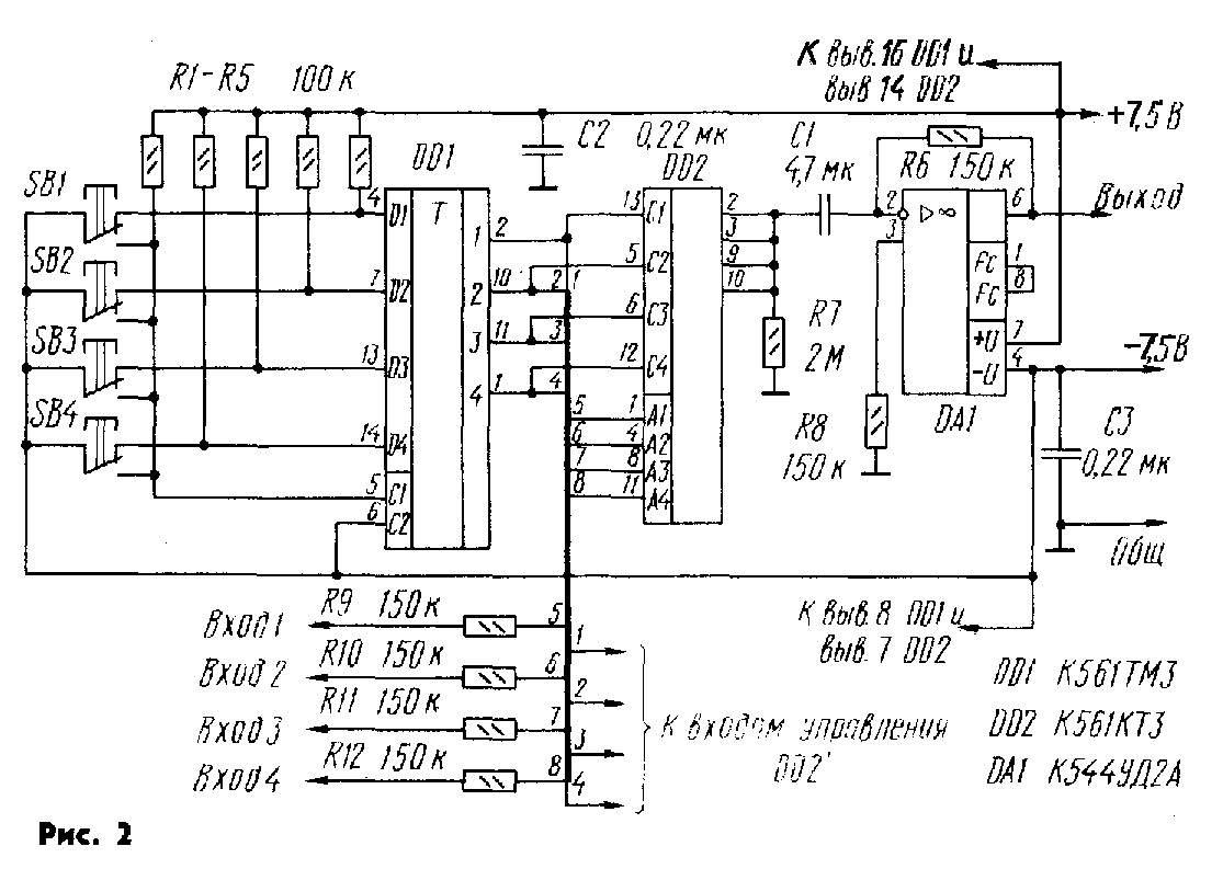
Принципиальная схема одного из каналов селектора показана на рис. 2. Он состоит из цифрового переключателя с зависимой фиксацией, собранного на микросхеме DD1, электронного ключа DD2 и инвертирующего повторителя напряжения, выполненного на ОУ DА1.

Первоначально при включении питания все триггеры микросхемы DD1 устанавливаются в нулевое состояние, поскольку контакты переключателей SВ1—SВ4 в исходном положении соединяют 0-входы с низким уровнем напряжения питания. При нажатии одной из кнопок SВ1—SВ4 соответствующий триггер элемента DD1 устанавливается в единичное состояние, подключая выбранный источник сигнала. Остальные триггеры при этом сбрасываются. В селекторе можно использовать малогабаритные резисторы МЛТ-0,125, МЛТ-0,25, конденсаторы К73-16(С1), КМ-6(С2, СЗ); кнопки SВ1—SВ4 могут быть любого типа, например, П2К без фиксации в нажатом положении. Вместо ОУ 544УД2А можно применить ОУ 574УД1, 140УД8 и другие с полевыми транзисторами на входе и соответствующими цепями коррекции. Конструктивно селектор выполнен на унифицированной макетной плате. Электронный ключ DD2 установлен в непосредственной близости от коммутируемых цепей. При желании селектор можно дополнить индикаторами используемого входа, подключив светодиоды к выходам микросхемы DD1 через буферные элементы с повышенной нагрузочной способностью, например, 561ЛН2.
С. КАРЕЛИН, г. Москва
ЛИТЕРАТУРА:
1. Атаев Д., Болотников В. Практические схемы высококачественного звуковоспроизведения.— М.: Радио и связь, 1986, с. 24—27.
2. Четырехканальный электронный коммутатор.— Радио, 1981, № 4, с. 58.
РАДИО № 4, 1991 г