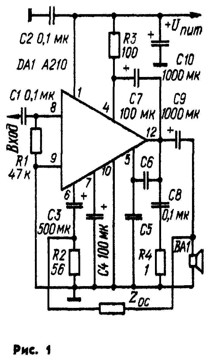
Носимая бытовав радиоаппаратура — телевизоры, магнитофоны, радиоприемники — очень популярна во всем мире. Многие её электрические параметры не уступают соответствующим параметрам стационарных аппаратов, чего. к сожалению, нельзя сказать о их акустических характеристиках — малые габариты не позволяют эффективно воспроизводить низшие частоты звукового диапазоне. Несколько спасают положение регуляторы тембра. А если их нет? Тогда надо охватить усилитель мощности 34 частотно-зависимой ООС— советует журнал югославских радиолюбителей «RADIO-AMATER». Наиболее просто это сделать, если усилитель выполнен на микросхеме А210К или ТВА810 (отечественный аналог К174УН7). Типовая схема включения этой микросхемы показана на рис. 1.

В конкретном устройстве она может быть включена несколько иначе, но отличия эти не принципиальны. Если вместо 2цд подключать показанные на рис. 2 цепи, то можно получать различные формы частотных характеристик и выбирать из них наиболее приемлемую. Последовательное соединение резистора и конденсатора (рис. 2, а) позволяет подчеркнуть низшие частоты программы. При указанном на схеме номинале конденсатора и сопротивления резистора R1==1,7 кОм подъем частотной характеристики на частоте 60 Гц по отношению к 1000 Гц составляет 9 дБ, а при R1==3,3 кОм — 11 дБ. Если необходимо подчеркнуть не только низшие, но и высшие частоты, в цепь ООС нужно включить цепь, доказанную на рис. 2, б или в. При сопротивлении резистора R1»! кОм первая из них создает подъем АЧХ на частотах 100 и 15 кГц относительно частоты 1,5 кГц — 8 дВ, вторая - 6 дБ. Если в цепи, изображенной на рис. 2, в. сопротивление резистора R1 выбрать равным 390 Ом, то уровень сигнала, подводимый к динамической головке на этих частотах возрастет до 10 дБ.
Prunena Integrisanih kolа А210К, Radiо-Amater. 1983, № 4, str. 100—102
РАДИО № 1, 1984 г