УМЗЧ с коррекцией динамической характеристики.

Известно, что поступающий на вход УМЗЧ реальный звуковой сигнал носит преимущественно импульсный характер, поэтому работу усилителя в последнее время принято оценивать по его реакции на скачок входного напряжения Uвх(t) (рис. 1). Если форма выходного напряжения Uвых(t) (кривая 1) достаточно точно соответствует форме входного, то можно говорить о хороших динамических свойствах УМЗЧ [1]. Кривая 2 дает представление о колебательном переходном процессе усилителя, который является причиной появления сигнала ошибки е (t), в конечном счете, приводящего к ухудшению звучания даже высоколинейного УМЗЧ из-за потери первоначальной информации, заложенной во входном сигнале Uвх(t). Возникает вопрос, какими средствами добиться хорошей формы зависимости Uвых(t) без ухудшения других характеристик усилителя и, в частности, его линейности?

Чтобы ответить на этот вопрос, рассмотрим модель типового УМЗЧ в области звуковых частот (рис. 2). Выходные каскады усилителя W2 охвачены местной ООС (звено с частотной передаточной функцией WOC2), а усилитель в целом — частотно-зависимой ООС (звено с передаточной функцией WOC1). Для улучшения динамических свойств усилителя в [2, 3] предлагается основную коррекцию вводить в цепь главной ООС (WOC1).

Однако, поскольку эффективность такой коррекции существенно зависит от стабильности и точности подбора ее элементов, наилучшим вариантом для УМЗЧ можно считать простейший случай, когда звено WOC1 представляет собой резистивный делитель напряжения. Причем эта ООС оказывает решающее влияние на работу всего устройства [4]. Коррекцию же АЧХ выходных каскадов удобнее всего осуществить в цепи местной ООС (WOC2), поскольку схемотехнические ограничения, о которых говорилось выше, здесь большой роли не играют. И наконец, при необходимости можно ввести дополнительную коррекцию непосредственно в тракт усиления (звенья с частотными передаточными функциями WК1 и WК2). Если до замыкания цепи главной ООС УМЗЧ достаточно линеен (Кг<5 %), то его динамические свойства однозначно определяются видом частотной передаточной функции усилителя с разомкнутой цепью главной ООС (Wp) [5, 6]. Для практических расчетов динамических свойств удобно использовать метод асимптотических ЛАХ (диаграмм Боде), поскольку сведения о АЧХ усилительных каскадов имеются в справочной литературе. Причем АЧХ ОУ указаны в ней непосредственно [7],  АЧX же транзисторных ка: кадов можно получить по известным значениям статических коэффициентов передачи и граничных частот примененных транзисторов. Метод асимптотических ЛАХ является приближенным. Однако погрешность эта невелика, только вблизи частот изломов с изменением наклона ЛАХ на ±20 дБ/дек она приближается к 2...3 дБ. Изменение наклона ЛАХ ±40 дБ/дек и более говорит о неравномерности уточненной АЧХ, которая может достигать 5... 10 дБ вблизи частот излома. Для получения приемлемой точности АЧХ в этих точках их уточняют по вещественной части частотной передаточной функции Wp.

Как указывалось в [8], получить высоколинейный УМЗЧ невозможно без введения глубоких ООС. Следует, однако, помнить, что при увеличении глубины ООС А (см. рис. 3 ломаные 7—6—5) значительно ухудшаются динамические свойства усилителя, о чем свидетельствуют всплески на АЧХ усилителя с замкнутой цепью общей ООС вблизи частот изломов. Вызвано это тем, что усилитель с замкнутой цепью глубокой ООС можно представить в виде элементарных звеньев, одно из которых колебательное с частотой собственных колебаний f3 (кривая 3 на рис. 3). При увеличении глубины ООС неравномерность результирующей АЧХ возрастает, и в ряде случаев усилитель теряет устойчивость и возбуждается. Существует несколько способов борьбы с этим неприятным явлением. Остановимся вкратце на самых распространенных из них. Так, в [9] для борьбы с самовозбуждением предлагается уменьшить глубину ООС А до 20...30 дБ. Авторы [2] считают, что можно увеличить глубину ООС А до А', если полученная АЧХ (кривая 6) будет пересекать исходную АЧХ усилителя с разомкнутой цепью главной ООС (ломаная 1) левее частоты f2. Это позволит сохранить равномерность АЧХ в большем, чем в первом случае, диапазоне частот. И, наконец, третьи [3] рекомендуют ограничить полосу пропускания УМЗЧ путем введения коррекции по запаздыванию и опережению (ломаная 2) и за счет этого обеспечить необходимый запас устойчивости. Оценка предложенных способов позволила сделать следующие выводы. Искусственное ограничение глубины ООС до 20...30 дБ не всегда себя оправдывает, поскольку спектр гармонических искажений, вносимых транзисторными усилителями, богат высокочастотными составляющими. Выигрыш в подавлении гармонических искажений, полученный за счет увеличения глубины ООС до значения А', будет весьма незначительным, поскольку УМЗЧ представляет собой многокаскадное устройство и величина А' редко может превысить 35...40 дБ. Третий способ повышения устойчивости усилителя приводит к увеличению неравномерности АЧХ в верхней части рабочего диапазона частот (штрихпунктирная линия на одном из участков АЧХ 2, 7).

В настоящее время хорошо зарекомендовал себя метод с использованием ЛАХ стандартного вида [9]. На динамической характеристике устройства наиболее сильно отражается коррекция среднечастотного участка ЛАХ (на низших частотах действует ООС, на высших мало усиление). Одной из стандартных ЛАХ является ломаная с наклоном —40...—20...—40 дБ/дек в области средних частот (ломаная 4). Протяженность участка с наклоном —20 дБ/дек в наибольшей мере определяет качество переходного процесса [4, 6]. Участки с наклоном —40 дБ/дек служат для сопряжения с исходной характеристикой 1. Разработана методика расчета частот изломов ЛАХ (ломаной 4) по требованиям к динамической характеристике [5]. Автор использовал ее применительно к УЗМЧ. Представляется, что этот способ имеет ряд преимуществ перед рассмотренными выше. В этом случае за счет глубокой ООС (А">40 дБ) расширится полоса рабочих частот усилителя, а следовательно, и диапазон действия ООС на высоких частотах. Требования к запасу устойчивости усилителя и форме переходного процесса также удовлетворяются. Для получения АЧХ 4 необходима компенсация частот изломов f2 и f5 введением цепей коррекции в звенья с частотными передаточными функциями WOC1 и WК2. При этом результирующие частоты изломов f4 и f6 почти не будут влиять на динамические свойства усилителя. Важно стремиться к тому, чтобы полученная АЧХ не имела точек, где ее наклон изменяется более чем на ±20 дБ/дек, это обеспечит ее равномерность. Повышенное внимание следует уделить выбору частот первого и второго полюсов АЧХ f и f", поскольку их соотношение определяет запасы устойчивости УМЗЧ и частоту среза его АЧХ f . Нужные частоты f и f" можно получить, осуществив коррекцию в звене с частотной передаточной функцией WK1. О выборе корректирующих звеньев и методике построения АЧХ (ломаной 4) достаточно подробно рассказано в [2, 5]. Наименьшее значение для f целесообразно принять равным 20... 30 кГц, так как в этом случае сохранится достаточная глубина общей ООС на рабочих частотах УМЗЧ. Поскольку вид переходного процесса в УМЗЧ в значительной степени определяется протяженностью средне-частотного участка его АЧХ —20 дБ/дек (ломаная 4) и связанной с ней величиной перепада /_\L (рис. 3), значение последней следует выбирать не менее 10... 15 дБ [5, 6]. Полоса пропускания УМЗЧ при замыкании главной ООС должна перекрывать значение f". Это требование ограничивает выбор f", и его выполнение обеспечивает достаточную равномерность АЧХ собранного УМЗЧ в диапазоне частот f...fcp. Непременным условием применимости рассмотренного метода повышения устойчивости УМЗЧ является необходимый запас его усиления при разомкнутой цепи главной ООС (не менее 60 дБ) и, как уже говорилось, достаточная линейность (Кг < 5 %). При несоблюдении этих условий эффективность метода резко снижается, поскольку выбор частот f и f" выходит за рамки указанных ограничений. Недостаточная линейность не позволит однозначно судить по АЧХ о качестве переходного процесса и потребует более сложного исследования [4, 6|.

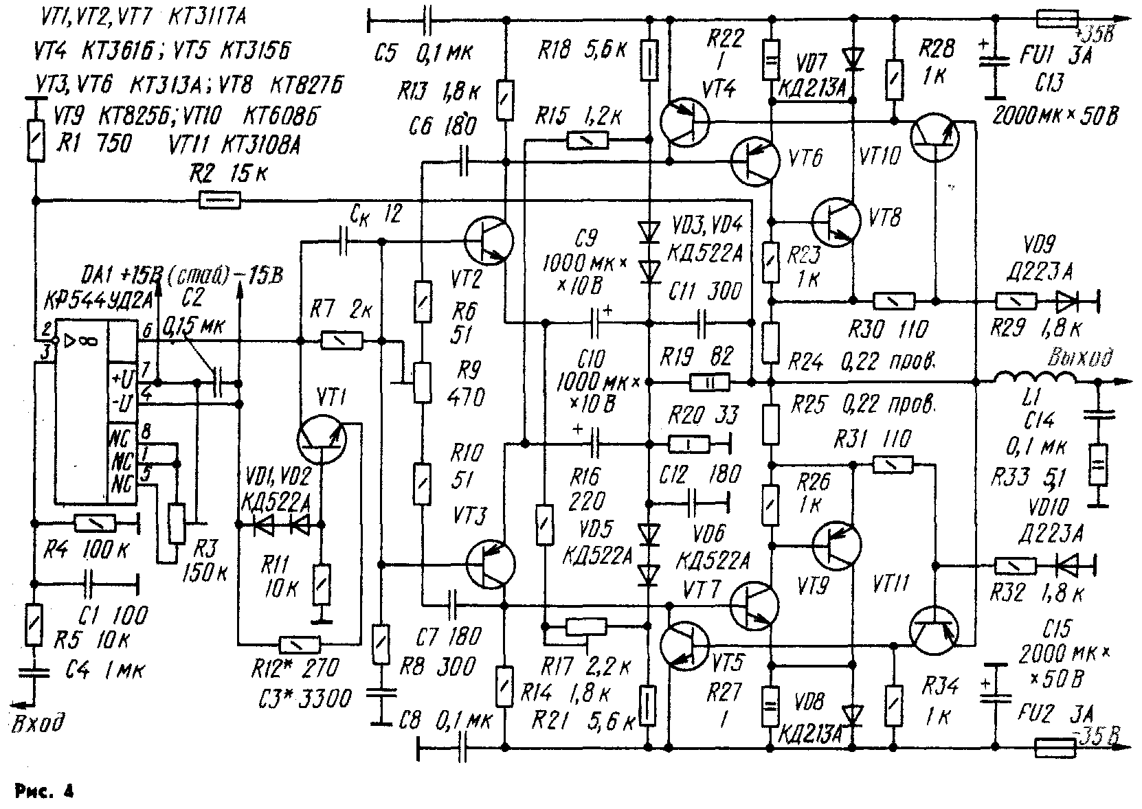
Все вышесказанное проиллюстрируем на примере УМЗЧ, опубликованного в [10]. Расчеты проводились для одного плеча усилителя, поскольку, благодаря использованию соответствующих транзисторов и особенностям самой схемы, несимметричность плеч незначительна. За исходный принят усилитель [10], из которого исключены старые элементы коррекции R10, C9, С12, С13, С14, а также не входящие в петлю общей ООС цепи R9C8; L1R32; C1R3; R2C3.

В результате расчета схема исходного усилителя несколько изменилась (рис. 4). Коррекция проводилась в полном соответствии с изложенной выше методикой. Сначала рассчитывалась коррекция выходных каскадов. Их ЛАХ до включения местной ООС имеет три излома и пересекает ось частот под наклоном —60 дБ/дек. Введение местной ООС компенсирует излом на частоте f2—2,5...3 кГц, а компенсация излома на частоте f5 достигается включением в цепь местной ООС конденсатора С12. Равномерность АЧХ выходного каскада в области высоких частот обеспечивает конденсатор С11 (он осуществляет сопряжение горизонтальной линии 20lg R19/R20 ЛАХ с наклонной —40 дБ/дек вблизи частоты f5. Таким образом, вид ЛАХ выходных каскадов соответствует ломаной с наклоном 0...—20...—40 дБ/дек (на рис. 3 не показана). ЛАХ ОУ имеет два излома: на частотах f1 = = 250....300 Гц и f6=11...12 МГц, причем последний изменяет наклон сразу на —40 дБ/дек. Для придания ЛАХ усилителя с разомкнутой цепью главной ООС, вида ломаной 4 введен корректор С3, Ск, R7, R8. Конденсатор Ск уменьшает изменение наклона на частоте f6 до —20 дБ/дек. Частоты изломов f и f" выбраны равными: f = 1/2лR7С3=24 кГц, f" = = l/2лR8C3=160 кГц. Глубина коррекции на частоте f" составляет около 20 дБ. Для симметрирования плеч усилителя на частотах выше частоты среза fcp=2,7...2,8 МГц служит цепочка C6R6R9R10C7. Входной фильтр R5C1 настроен на частоту, близкую к f", выходной L1C14R33 построен по обычной схеме и особенностей не имеет. С целью снижения искажений, вносимых каскадом на транзисторах VT2, VT3, увеличены емкости конденсаторов С9 и С10. Для улучшения шумовых характеристик УМЗЧ снижены сопротивления резисторов цепи главной ООС. Из нее исключен разделительный конденсатор. При этом излом АЧХ, имевший место на частоте f*=l/2лR1C2 в прежнем усилителе [10], исчезает (см. рис. 3). В результате снижается неравномерность АЧХ и ФЧХ УМЗЧ на низких и инфранизких частотах.

В усилитель введен транзистор VT1, создающий искусственный режим А работы ОУ DA1 с током покоя 2...2,5 мА, который контролируется по падению напряжения на резисторе R12. Кроме снижения нелинейных искажений, это позволило расширить рабочий диапазон частот усилителя и повысить запас его устойчивости по фазе [11]. В плечах УМЗЧ необходимо использовать транзисторы, обеспечивающие близкие значения частот изломов каскадов. В противном случае форма выходного напряжения при смене знака входного импульсного сигнала будет различной. А это повлечет за собой необходимость расчета коррекции каждого из плеч в отдельности, что существенно усложнит выбор корректирующих элементов в звеньях WК1, WК2 и WOC2 (см. рис. 2). Частоты изломов каскадов определяют пересечением горизонтальной линии усиления каскада (дБ) с линией —20 дБ/дек, проведенной из точки, лежащей на граничной частоте усиления транзистора данного каскада.

Основные технические характеристики УМЗЧ, показанного на рис. 4, следующие:

Номинальное входное напряжение, В......................................................................................................................................................1

Номинальная (максимальная) выходная мощность, Вт, при сопротивлении нагрузки 4 Ом........................................................60 (100)

Коэффициент гармоник при выходной мощности до 60 Вт в номинальном диапазоне частот 20... ...20000 Гц,%, не более......0,01

Относительный уровень шума в номинальном диапазоне частот, дБ, не более ........................................................................... —105

Глубина главной ООС, дБ, не менее, на частоте, Гц:

1000...............................................................................................................................................................................66

20 000...........................................................................................................................................................................36

Диапазон частот, Гц, при выходной мощности — 3 дБ от номинальной (С1 и L1 отключены)...............................................3.....250 000

Скорость нарастания выходного напряжения на эквиваленте нагрузки, В/мкс, не менее.................................................................12

Максимально допустимая емкость нагрузки, мкФ................................................................................................................................0,25

Детали и конструкция.

УМЗЧ собран на печатной плате из двустороннего фольтированного стеклотекстолита толщиной 2 мм (рис. 5). В нем использованы подстроечные резисторы СП5-2ВА (R17) и СПЗ-16 (R3, R9), постоянные ОМЛТ (R22, R27, R33) и МЛТ (остальные). Резисторы R24, R25 — проволочные. Конденсаторы КМ (С2, С4, С5, С8 и С14), К50-6 (С9, СЮ, С13, С15), КТ (остальные). Вместо указанных на схеме можно использовать транзисторы КТ3102А (Б) (VT2), КТ3107А (И) (VT3), КТ3108А (VT6), КТ635Б и КТ646А (VT7). Транзистор КТ3117А можно заменить КТ3117Б. Транзисторы VT8 и VT9 (VT8' и VT9'), а также конденсаторы С13 и С15 (С 13' и С15' ) расположены в непосредственной близости от печатной платы. Выходные транзисторы размещены на теплоотводах с площадью рассеивающей поверхности 600 см2 каждый. В качестве общей шины УМЗЧ использована луженая полоса из фольгированного стеклотекстолита шириной 20 мм, соединенная с элементами УМЗЧ короткими проводниками. К ней подпаяны общий провод нагрузки, конденсаторов С13, С15, источников питания +35 В, стабилизатора напряжения ±15 В и предварительного усилителя. Общий провод входных цепей послед -него отделен от шины цепочкой из резистора сопротивлением 10 Ом и конденсатора емкостью 0,01 мкФ, включенных параллельно [12]. Входной сигнал и напряжение питания ±15 В подаются на плату УМЗЧ по экранированным проводам, оплетка которых припаяна к общей шине со стороны общего провода предварительного усилителя. Провода, идущие к источнику питания + 35 В, к выходным транзисторам и к громкоговорителю, должны быть соответственно свиты по два [3] и иметь возможно меньшую длину.

Налаживание УМЗЧ подробно освещено в [10]. Дополнительно, подав на вход усилителя прямоугольные импульсы амплитудой 0,5...0,8 В, необходимо снять характеристики переходного процесса (рис. 6, а — УМЗЧ [10]; б —УМЗЧ доработанного).

При неудовлетворительных результатах следует уточнить положение движка резистора R9, подобрать емкость конденсатора С3, зашунтировать конденсаторы С9, С10 конденсаторами КМ-5 емкостью 0,15 мкФ, подпаяв их со стороны печатных проводников. Заканчивают проверку работоспособности УМЗЧ субъективными оценками качества его звучания. Для этого при равных условиях (включая положение регуляторов тембра и громкости) сравнивают его звучание со звучанием уже имеющегося в наличии усилителя, в качестве которого автор использовал УМЗЧ, разработанный В. Жбановым [10]. Большинство экспертных оценок было в пользу доработанного варианта, скорректированного по описанному методу частотной компенсации с помощью ЛЧХ (см. рис. 4). По единодушному мнению экспертов, в нем более четко даже при средних положениях регуляторов тембра прослушивается тембровая окраска звука на высших звуковых частотах.

Ю. ЧЕРЕВАНЬ, г. Ленинград

ЛИТЕРАТУРА:

1. Дмитриев Н., Феофилактов Н. Схемотехника усилителей мощности 34.— Радио, 1985, № 5, с. 35—38; № 6, с. 25—28.

2. Дмитриев Н., Феофилактов Н. ОУ в усилителях мощности.— Радио, 1986, № 8, с. 42—46.

3. Витушкин А., Телеснин В. Устойчивость усилителя и естественность звучания.— Радио, 1980, № 7, с. 36—37.

4. Попов Е. Теория линейных систем автоматического регулирования и управления.— М.: Наука, 1978, с. 104—112, с. 147 — 156.

5. Смирнова В. и др. Основы проектирования и расчета следящих систем.— М.: Машиностроение, 1983, с. 179—182, с. 245— 264.

6. Воронов А. Основы теории автоматического управления, часть II. Л.— М.: Энергия, 1966, с. 183—243.

7. Аналоговые и цифровые интегральные микросхемы. Справочное пособие под редакцией С. В. Якубовского.— М.: Радио и связь, 1984

8. Зуев П. Усилитель с многопетлевой ООС.— Радио, 1984, № 5, с. 29—32; № 12, с. 42—43.

9. Майоров А. Динамические искажения в транзисторных усилителях НЧ.— Радио, 1976, № 4, с. 41—42.

10. Жбанов В. Высоколинейный термостабильный усилитель НЧ.—Радио, 1983, № 10, с. 44— 46.

11. Снижение искажений интегральных ОУ.— Радио, № 6, 1985, с. 62.

12. Хоровиц П., Хилл У. Искусство схемотехники (перевод с английского).— М.: Мир, 1986, т. 1, с. 486—495; т. 2, с. 244— 270.

РАДИО № 2, 1990 г.

Назад