Высококачественный ламповый усилитель.

Развитие цифровых способов воспроизведения звука вновь обострило проблему создания высококачественного усилителя мощности. В поисках путей ее решения многие конструкторы обратили свое внимание на ламповые усилители. Причину такого их поведения можно понять, если вспомнить, что эти усилители при относительно более умеренных, чем их транзисторные собратья технических характеристиках имеют более широкий динамический диапазон и обеспечивают, с точки зрения ценителей высокой верности звуковоспроизведения, более чистое, естественное и прозрачное звучание. Очевидно, по этой причине в последнее время в редакцию начали поступать письма с просьбой опубликовать описание лампового усилителя мощности. И хотя редакция не вполне разделяет мнение, что именно ламповые усилители способны решить проблему высококачественного звуковоспроизведения, на редакционной коллегии все же было принято решение поместить на страницах журнала описание одного лампового усилителя мощности. Надеемся, что это даст возможность радиолюбителям практически решить для себя вопрос, имеют ли ламповые УМЗЧ преимущества перед транзисторами одного с ними класса.

Вниманию читателей предлагается описание полного стереофонического лампового усилителя с регулятором тембра. Он может работать от любого (в том числе и от высокоомного) источника звуковых сигналов, обеспечивающего выходное напряжение не менее 0,25 В. Отличительная особенность усилителя — использование высокосимметричных каскадов предварительного усиления и применение перекрестных ООС, стабилизирующих режимы работы и параметры УМЗЧ.

Основные технические характеристики.

Номинальное входное напряжение, В...................................................................................................0,25

Входное сопротивление, МОм ................................................................................................................1

Номинальная (максимальная) выходная мощность, Вт......................................................................18 (25)

Номинальный диапазон воспроизводимых частот, Гц...................................................................20...20 000

Коэффициент гармоник при выходной мощности 1 Вт в номинальном диапазоне частот, %.........0,05

Относительный уровень шума (невзвешенное значение), дБ, не более........................................... —85

Скорость нарастания выходного напряжения, В/мкс, не менее............................................................25

Диапазон регулировки тембра, дБ.....................................................................................................—15...+ 15

lamp_umzch1.gif (90026 bytes)

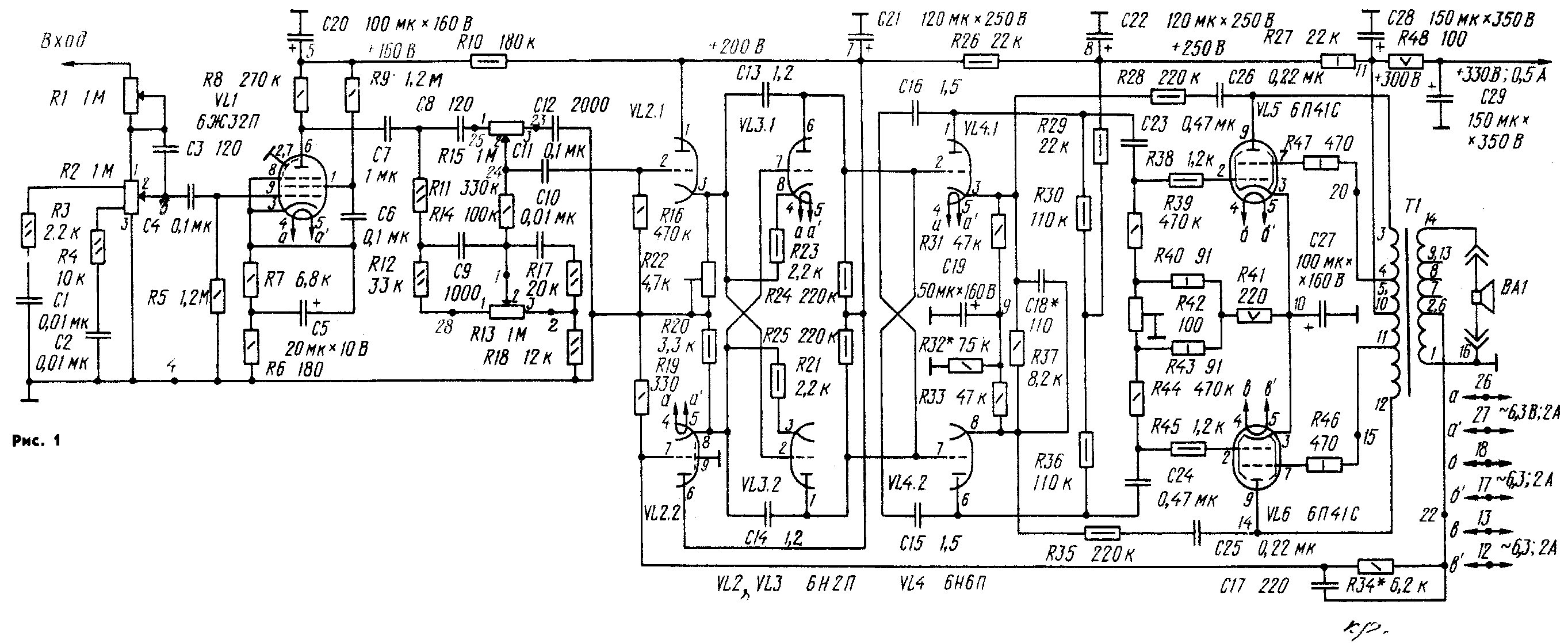
Принципиальная электрическая схема одного канала усилителя приведена на рис. 1. Входной сигнал через регулятор стереобаланса R1 и тонкомпенсированный регулятор громкости на элементах Cl, C2, СЗ, R2—R4 поступает на вход первого каскада УМЗЧ, собранного на малошумящем пентоде 6Ж32П (VL1). В этом каскаде можно использовать и нувистор 6С62Н с лучшими шумовыми характеристиками (рис. 2). Важно только, чтобы коэффициент усиления этого каскада по напряжению был более 50, что даст возможность скомпенсировать ослабление сигнала на краях воспроизводимого диапазона частот, вносимое регулятором тембра. Включенная в катодную цепь лампы VL1 цепочка R7C5 обеспечивает автоматическое смещение, а резистор R6 определяет местную ООС по току. Напряжение, снимаемое с анодной нагрузки этой лампы, подводится к пассивным регуляторам тембра высших (R11, R14, R15, С8, С12) и низших (R12, R13, R17, R18, С9, С10) звуковых частот, собранным по классической схеме. Каскад фазоинвертора выполнен на лампах VL2 и VL3. Он формирует парафазные симметричные сигналы даже при существенном разбросе параметров элементов УМЗЧ. К построению этого .каскада следует подойти с особым вниманием, поскольку в значительной степени именно он определяет уровень нелинейных искажений усилителя. Лампы VL2.1 и VL2.2 включены по схеме катодных повторителей. Напряжения с их нагрузочных резисторов поступают на управляющие сетки ламп VL3.1 и VL3.2 другого плеча и на катоды этих же ламп того же плеча усилителя. Все следующие за фазоинвертором каскады выполнены по двухтактной схеме. Это относится к предоконечному и оконечному каскадам, первый из которых собран на триодах VL4.1 и VL4.2 лампы VL4, а второй — на выходных пентодах VL5 и VL6. Фазоинверсный и предоконечный каскады охвачены перекрестной ООС, которая компенсирует влияние емкости монтажа и улучшает фазовые соотношения инверсных сигналов на высших звуковых частотах. Цепи этой связи образованы конденсаторами С13—С16. Помимо перекрестной ООС, усилитель охватывают три основные цепи обратной связи. Напряжение первой из них снимается со вторичной обмотки выходного трансформатора Т1 и через цепь R34, С17 подается на вход (управляющую сетку лампы VL2.2) фазоинвертора, напряжение второй снимается с анодных нагрузок ламп оконечного каскада VL5, VL6 и через цепи R28C26 и R35C25 подается на катоды триодов предоконечного каскада VL4.1 и VL4.2. И наконец, третья цепь ООС охватывает только оконечный каскад по экранирующим сеткам.

Несколько слов о назначении отдельных элементов УМЗЧ. В цепи R32C19 формируется напряжение, определяющее рабочую точку ламп VL4.1 и VL4.2. Цепь C18R37 улучшает фазовые соотношения сигналов при максимальной их амплитуде. Резисторы R34 и R19 определяют глубину общей ООС. Резистором R42 устанавливают одинаковые постоянные составляющие анодных токов ламп VL5 иУЬб, чтобы исключить подмагничивание магнитопро-вода выходного трансформатора и снизить нелинейные искажения. Отводы от вторичной обмотки служат для подключения нагрузки с электрическим сопротивлением 16 и 8 Ом, а также для подбора оптимальной ООС. К усилителю рекомендуется подключать акустические системы, имеющие электрическое сопротивление 16 Ом и обеспечивающие большое звуковое давление. Для питания усилителя можно использовать блок питания, описанный в [4, с. 80, 81].

УМЗЧ смонтирован на печатной плате из фольгирован-ного стеклотекстолита толщиной 1,5 мм (рис. 3). Для монтажа использованы постоянные резисторы МЛТ, переменные СЗ-ЗОв-В (Rl, R2, R13, R15), СЗ-ЗОа (R22) и С5-5 (R42), конденсаторы К50-12 (С19—С22, С27—С29), К73-5 (С23—С26), КТ (С13— С16) и КМ (остальные). Выходной трансформатор выполнен на броневом ленточном магнитопроводе ШЛ 25X40 (толщина ленты 0,1 мм). Можно использовать и Ш-образный магнитопровод из пластин Ш25 и толщиной набора 40 мм. Обмотки 1—2 и 13—14 содержат по 50, а 6—7—8—9 — 15+15+15 витков провода ПЭВ-2 1,0, обмотки 5—4—3 и 10—11 — 12 состоят из 600+800 витков провода ПЭВ-2 0,2. При намотке выходного трансформатора необходимо обеспечить строгую симметрию половин его первичной обмотки, разделив каркас на две одинаковые части перегородкой, параллельной боковым щечкам [4, с. 75].

Перед налаживанием УМЗЧ необходимо тщательно проверить правильность монтажа и надежность паек. Затем, включив питание, измерить напряжения в цепях накала всех ламп (они должны находиться в пределах 6,3...6,6 В), на их электродах и на конденсаторах С20—С22 и С28, С29 (допустимое их отклонение от указанных на принципиальной схеме не должно превышать 5 %). Далее, установив регуляторы тембра в среднее положение, а регулятор уровня сигнала в положение максимальной громкости, подать на вход усилителя синусоидальный сигнал частотой 1 кГц и уровнем иэфф=0,1 В. Затем, поочередно подключая осциллограф к управляющим сеткам ламп VL5 и VL6, нужно проконтролировать форму положительной и отрицательной полуволн сигнала при плавном увеличении напряжения на входе усилителя (до насыщения). Закончив эту операцию, подстроенным резистором R22 нужно добиться полной симметрии и равенства амплитуд контролируемых сигналов на сетках выходных ламп с точностью 0,05 В. После этого, подключив ко вторичной обмотке трансформатора Т1 эквивалент нагрузки в виде постоянного резистора сопротивлением 16 Ом и мощностью 20 Вт и установив на входе усилителя напряжение 0,25 В, следует проверить переменные напряжения на электродах всех ламп на соответствие указанным на принципиальной схеме. Далее, контролируя напряжение на эквиваленте нагрузочного сопротивления, по максимальному его значению опытным путем найти место вывода вторичной обмотки трансформатора, к которому следует подключить цепь ООС R34C17. Затем, измерив номинальное (при входном сигнале иэфф=0,25 В) и максимальное (при едва заметном насыщении) напряжения на эквиваленте нагрузочного сопротивления, по известной формуле определить номинальную и максимальную мощности усилителя. На принципиальной схеме показан вариант подключения нагрузки сопротивлением 16 Ом. Для работы усилителя с АС сопротивлением 8 Ом при регулировке усилителя следует подключить к нему соответствующий эквивалент нагрузки и по изложенной выше методике подобрать новое место отвода вторичной обмотки выходного трансформатора.

Е. СЕРГИЕВСКИЙ, г. Москва

ЛИТЕРАТУРА:

1. Инструкция по эксплуатации усилителя «Прибой 100 УМ 104С».

2. John Atkinson Monstrous D250 Mk Power amplifier («Audio reseach»),— Hi — Fi News, 1984 desember, p. 84, 85>

3. Лабутин К. Новое в технике высококачественного усиления, М.—Л.: ГЭИ, 1957.

4. Гендин Г. Высококачественные любительские усилители низкой частоты.— М.: Энергия, 1968.

РАДИО № 2, 1990 г.

Назад