Акустические системы фирмы "RADIOTEHNIKA". |
По условиям эксплуатации АС относятся к 1
группе ГОСТ 11478-83. АС предназначены для
высококачественного воспроизведения звука в
составе бытовой радиоэлектронной
радиоаппаратуры. В АС имеется индикация
перегрузки головок громкоговорителей, которая
срабатывает при подаче на АС сигнала с уровнем,
превышающим ее паспортную мощность. Для работы
АС необходимо подключить к усилителю, имеющему
на выходе каждого канала наибольшую
(максимальную) мощность в пределах от 20 до 50 Вт.
При прслушивании звуковых программ допускается
кратковременные засвечивания индикации
перегрузки, но запрещается эксплуатация АС при
непрерывном свечении индикации.
| Паспортная электрическая мощность не менее | 30 Вт |
| Номинальная электрическая мощность | 10 Вт |
| Номинальное электрическое сопротивление | 4 Ома |
| Номинальное среднее звуковое давление в диапазоне частот от 100 до 4000 Гц | 1.2 Па |
| Диапазон воспроизводимых частот не уже | 50-18000 Гц |
| Габаритные размеры АС | 364x214x195 мм |
| Масса АС не более | 6 кг |
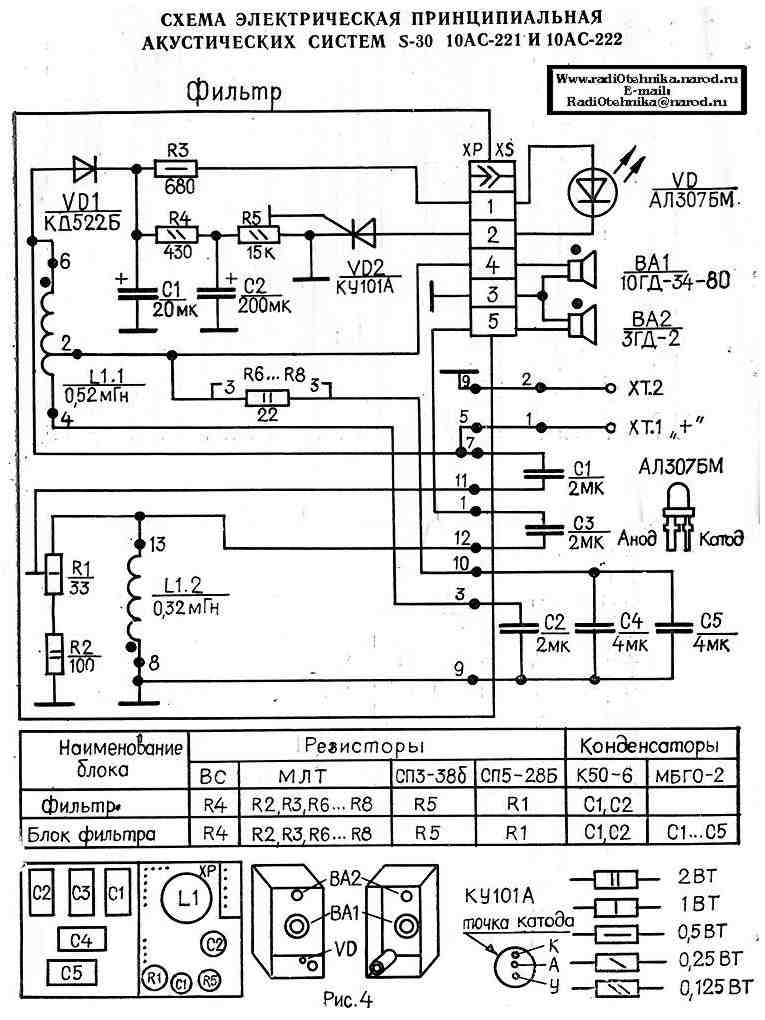
Схему принципиальную можно скачать здесь.
2.jpg)
Электрические и электроакустичкские параметры акустических смстем (АС) "S-30B" соответствуют требованиям технических условий 3.843.055ТУ и второй группе сложности по ГОСТ 23262-83. АС предназначены для высококачественного воспроизведения звука в составе бытовой радиоэлектронной радиоаппаратуры. В АС имеется индикация перегрузки головок громкоговорителей, которая срабатывает при подаче на АС сигнала с уровнем, превышающим ее паспортную мощность. Для работы АС необходимо подключить к усилителю, имеющему на выходе каждого канала наибольшую (максимальную) мощность в пределах от 20 до 50 Вт. Если при работе АС начинает светиться индикатор ПЕРЕГРУЗКА, то следует уменьшить уровень подаваемого на нее входного сигнала (регулятором громкости в усилителе, к которому подключена АС).
| Паспортная электрическая мощность не менее | 30 Вт |
| Номинальная электрическая мощность | 10 Вт |
| Номинальное электрическое сопротивление | 8 Ом |
| Диапазон воспроизводимых частот не уже | 50-20000 Гц |
| Характеристическая чувствительность в диапазоне частот 100-8000 Гц, при мощности 1 Вт, не менее | 84 дБ |
| Габаритные размеры АС | 364x214x195 мм |
| Масса АС не более | 6 кг |
Схему принципиальную можно скачать здесь.
4.jpg)
Электрические и электроакустичкские параметры акустических смстем (АС) "S-50B" соответствуют требованиям технических условий 3.843.056ТУ. АС предназначены для высококачественного воспроизведения звука в составе бытовой радиоэлектронной радиоаппаратуры. В АС имеется индикация перегрузки, которая срабатывает при подаче на АС сигнала с уровнем, превышающим ее паспортную мощность. Для работы АС необходимо подключить к усилителю, имеющему на выходе каждого канала наибольшую (максимальную) мощность в пределах от 50 до 100 Вт. Если при работе АС начинает светиться индикатор ПЕРЕГРУЗКА, то следует уменьшить уровень подаваемого на нее входного сигнала (регулятором громкости в усилителе, к которому подключена АС).
| Паспортная электрическая мощность не менее | 50 Вт |
| Номинальная электрическая мощность | 25 Вт |
| Номинальное электрическое сопротивление | 8 Ом |
| Диапазон воспроизводимых частот не уже | 40-20000 Гц |
| Характеристическая чувствительность в диапазоне частот 100-8000 Гц, при мощности 1 Вт, не менее | 85 дБ |
| Габаритные размеры АС | 314x580x256 мм |
| Масса АС не более | 23 кг |
Схему принципиальную можно скачать здесь.
6.jpg)
Акустическая система S-90 предназначена для высококачественного воспроизведения звуковых программ в сочетании с различными видами бытовой радиоаппаратуры. В акустической системе имеются два ступенчатых регулятора уровня воспроизведения раздельно для средних и высоких частот в диапазонах от 500 до 5000 Гц и от 5 до 20 кГц соответственно. Оба регулятора имеют по три фиксированных положения: "0","-3дБ" и "-6 дБ". В положении "0" сигнал с разделительного фильтра подается нп соответствующую головку непосредственно. В положениях "-3 дБ" и "-6 дБ" сигнал ослаблен относительно положения "0" на 1.4 и 2 раза соответственно. При соответствующем спектральном составе программы переключением регулятора изменяют тембральную окраску звучания. Положение регулятора выбирается слушателем по его желанию.
| Паспортная мощность | 90 Вт |
| Номинальная мощность | 35 Вт |
| Номинальное электрическое сопротивление | 4 Ом |
| Диапазон воспроизводимых частот | 31.5-20000 Гц |
| Номинальное звуковое давление | 1.2 Па |
| Габаритные размеры АС | 360x710x285 мм |
| Масса АС не более | 30 кг |
Схему принципиальную можно скачать здесь.
Электрические и электроакустичкские параметры
акустических смстем (АС) "S-90D" и "S-100D"
соответствуют требованиям технических условий
3.843.050ТУ. АС предназначены для
высококачественного воспроизведения звука в
составе бытовой радиоэлектронной
радиоаппаратуры.
В АС имеется индикация перегрузки головок
громкоговорителей. Регуляторы, расположенные на
лицевой панели АС, дают возможность плавно
регулировать уровень звукового давления
высокочастотной и среднечастотной головок
громкоговорителя в пределах от 0 до минус 6 дБ. В
акустичкской системе "S-100D" применена
среднечастотная головка 30 ГДС-3 с магнитной
жидкостью MAHID, что позволяет повысить паспортную
мощность акустической системы до 100 Вт. В
остальном конструкции "S-90D" и "S-100D"
аналогичны. Для работы АС необходимо подключить
к усилителю, имеющему на выходе каждого канала
наибольшую (максимальную) мощность в пределах от
50 до 150 Вт. Если при работе АС начинают светиться
индикаторы ПЕРЕГРУЗКА, то следует уменьшить
уровень подаваемого на нее входного сигнала
(регулятором громкости в усилителе, к которому
подключена АС). При прслушивании отдельных
музыкальных программ, в которых звучание АС на
верхних и средних звуковых частотах Вас не
устраивает и не удается добиться желаемого
звучания регуляторами тембра в подключенном
усилителе, вращением регуляторов АС по часовой
стрелке можно изменять звучание прослушиваемой
программы. Регуляторы АС дают возможность при
этом уменьшить уровень звучания на высоких или
средних звуковых частотах до 2-х раз.
| Паспортная электрическая мощность "S-90D"/"S100-D" не менее | 90 Вт / 100 Вт |
| Номинальная электрическая мощность | 35 Вт |
| Номинальное электрическое сопротивление | 8 Ом |
| Диапазон воспроизводимых частот не уже | 25-25000 Гц |
| Характеристическая чувствительность в диапазоне частот 100-8000 Гц, при мощности 1 Вт, не менее | 89 дБ |
| Габаритные размеры АС | 360x710x286 мм |
| Масса АС не более | 23 кг |