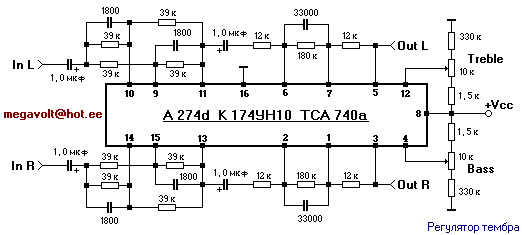
A 274d_ К 174 УН10_ TCA 740a.
Интегральные микросхемы A274d (RTF), К 174 УН10 (СНГ), TCA 740a (Philips) выполнены в корпусе DIP с 16 выводами и представляют собой двухканальные(стереофонические) регуляторы тембра с идентичными схемами (цоклевками) и параметрами.Параметры микросхем:
Umin ................................. 9 V
Umax ............................... 18 V
Rin .................................. 75 k
BW ....................... 20 Hz - 20 kHz
Un0 ................................ 50 dB
Uout MAX ...................... 1 V
Rmin ................................ 10 k
Типовая схема подключения.

Регулировка тембра по низким частотам в пределах ± 20dB по сравнению с частотой в 1 KHz осуществляется потенциометром BASS подачей постоянного напряжения (1в-9в) на вывод 4 микросхем. Потенциометр Treble регулирует тембр по высоким частотам. Питание у микросхем однополярное, потребляемый ток при отсутствии входного напряжения 40 мА. Коэффицент нелинейных искажений не более 0,5% (при выходном напряжении 1 В). Входное напряжение не должно превышать величины в 1 вольт (обычно 0,2 в).
A 273d_ К 174 УН12_ TCA 730a. Интегральные микросхемы A273d (RTF), К 174 УН12 (СНГ), TCA 730a (Philips) выполнены в корпусе DIP с 16 выводами и представляют собой двухканальные(стереофонические) регуляторы громкости и стереобаланса с идентичными схемами (цоклевками) и параметрами.
Параметры микросхем:
Umin ....................................... 9 V
Umax ..................................... 18 V
Rin ........................................ 75 k
BW .............................. 20 Hz - 20 kHz
Un0 ...................................... 50 dB
Uout MAX ............................ 1 V
Rmin ..................................... 10 k
Типовая схема подключения

Конденсаторы применены на напряжение 25 вольт. Компенсированная регулировка громкости в пределах -70dB - +20dB осуществляется потенциометром R2 подачей постоянного напряжения (1в-9в) на вывод 13 микросхем. При отключении переключателя SW 1 отключается частотная компенсация регулятора громкости. Потенциометр R1 регулирует баланс между каналами в пределах +20dB подачей постоянного напряжения (2в-9в) на вывод 12 микросхем. Питание у микросхем однополярное, потребляемый ток при отсутствии входного напряжения 40 мА. Коэффицент нелинейных искажений не более 0,5% (при выходном напряжении 1 В).
© Megavolt :)