В современной звуковоспроизводящей аппаратуре все чаще используются электронные селекторы сигналов, выполненные на основе аналоговых ключей и коммутаторов МОП структур серий 176, 561, 590. Наряду с такими достоинствами, как высокая надежность, хорошая помехозащищенность, удобство управления, указанные выше устройства имеют один существенный недостаток - сравнительно большие (до 0,2 %) [1] искажения, вызванные нелинейной зависимостью сопротивления открытого канала ключа от амплитуды входного сигнала: Roткp = f(Uвx) - эта зависимость при различных амплитудах коммутируемого сигнала показана на рис.1.

Рисунок 1.
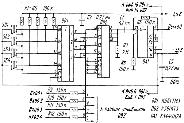
Анализ приведенных на рис.1 кривых показывает, что для достижения малых нелинейных искажений необходимо уменьшать амплитуду коммутируемого сигнала и выбирать напряжение питания ключа значительно выше уровня входного сигнала. С учетом изложенных выше положений автором разработан селектор входов для высококачественного усилителя 3Ч. Отличительная его особенность - подключение выходов электронных ключей к инвертирующему входу ОУ "искусственная земля" [2], что позволило снизить напряжение на них до единиц милливольт. В качестве коммутирующего элемента использован электронный ключ 561КТ3, не создающий коммутационных помех и сопротивление открытого канала которого мало зависит от величины входного напряжения. Основные технические характеристики селектора: число переключаемых входов - 4 максимальная амплитуда коммутируемого сигнала, В - 5 полоса рабочих частот по уровню +0,5 дБ, Гц - 20...100000 коэффициент гармоник в полосе частот 20...20 000 Гц, %, не более - 0,01 Принципиальная схема одного из каналов селектора показана на рис.2.

Он состоит из цифрового переключателя с зависимой фиксацией, собранного на микросхеме DD1, электронного ключа DD2 и инвертирующего повторителя напряжения, выполненного на ОУ DA1. Первоначально при включении питания все триггеры микросхемы DD1 устанавливаются в нулевое состояние, поскольку контакты переключателей SB1-SB4 в исходном положении соединяют D-входы с низким уровнем напряжения питания. При нажатии одной из кнопок SB1-SB4 соответствующий триггер элемента DD1 устанавливается в единичное состояние. подключая выбранный источник сигнала. Остальные триггеры при этом сбрасываются. В селекторе можно использовать малогабаритные резисторы МЛТ-0,125, МЛТ-0,25, конденсаторы К73-16 (С1), КМ-6 (С2, С3); кнопки SB1-SB4 могут быть любого типа, например, П2К без фиксации в нажатом положении. Вместо ОУ 544УД2А можно применить ОУ 574УД1, 140УД8 и другие с полевыми транзисторами на входе и соответствующими цепями коррекции. Конструктивно селектор выполнен на унифицированной макетной плате. Электронный ключ DD2 установлен в непосредственной близости от коммутируемых цепей. При желании селектор можно дополнить индикаторами используемого входа, подключив светодиоды к выходам микросхемы DD1 через буферные элементы с повышенной нагрузочной способностью, например, 561ЛН2.
Литература:
1. Атаев Д. Болотников В. Практические схемы
высококачественного звуковоспроизведения.- М.:
Радио и связь, 1986, с.24-27.
2. Четырехканальный электронный коммутатор.-
Радио, 1981, № 4, с.58.