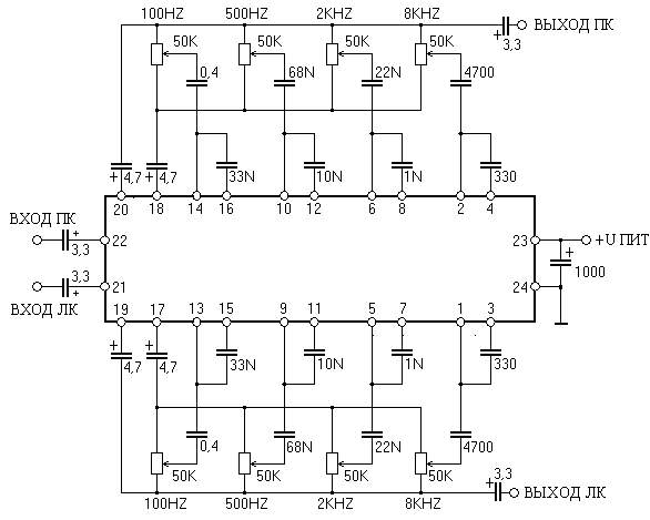
5-ти полосный стерео эквалайзер.

Эквалайзер основан на микросхеме BA3824LS.
Характеристики эквалайзера следующие:
    Питание: 3,5 ... 14 В
    Регулировка: +- 11 Дб
    Коэффициент гармоник: 0,2%

Автор: Савьюк Алексей

Назад