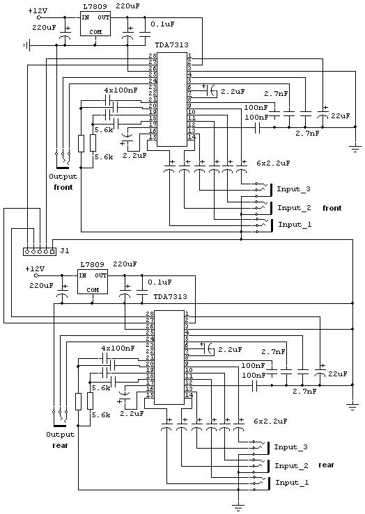
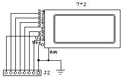
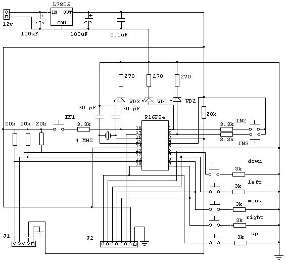
Программа рассчитана на управление 2-мя стереопроцессорами TDA7313 (tda7313.pdf) образующий регулятор НЧ/ВЧ/громкости/баланса для квадро/стерео усилителя. Для управления аудиопроцессорами используется микропроцессор PIC16F84, а для индикации режима работы применен ЖКИ дисплей 7*2 (8*2 , 10*2) с контроллером HD44780. Для индикации выбранного аудиовхода имеются 3 светодиода. В программе предусмотрено сохранение параметров регулировки в энергонезависимой памяти. TDA7313 управляется по шине I2C. Микросхема TDA7313 имеет относительно хорошие параметры, делая возможным использовать ее в качественных усилителях (в данном усилителе использовались 4 микросхемы TDA7294).
Некоторые характеристики TDA7313:
- коэффициент нелинейных искажений (гармоник) =
0,01%
- отношение сигнал/шум = 106dB
- коэффициент ослабления соседнего канала =103dB
- наличие 3-х стереовходов.
1. Схема блока микропроцессора:
2. Схема блока аудиопроцессоров:

3. Блок индикации:

Автор проекта: Нарчук Александр.
По всем вопросам обращайтесь: p-snake@rambler.ru