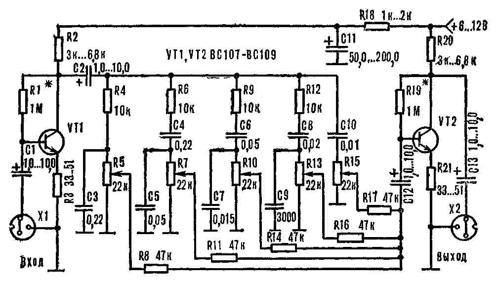
Эквалайзеры предназначены для частотной коррекции звуковоспроизводящих устройств. Схему такого прибора опубликовал румынский журнал «Тех-ниум». Речь идет о пассивном полосовом тон-корректоре, включенном между двумя усилительными каскадами, компенсирующими потерю усиления в пассивных цепях. Переменными резисторами R7 и R5 регулируют соответственно низшие и самые низкие частоты, RIO — средние, а потенциометрами R13 и R15 — высокие и самые высшие частоты. Питается устройство от источника напряжения 6 — 12 В, потребляемый ток менее 10 мА. Режим обоих транзисторов по постоянному току устанавливают подбором сопротивлений резисторов R1 и R19. Напряжение на коллекторах VT1 и VT2 должно составлять примерно половину напряжения питания. В эквалайзере можно применить любые маломощные кремниевые транзисторы КТ3102, КТ342, КТ315, КТ312, КТ306 с любыми буквенными индексами. При пользовании потенциометрами ползункового типа легко представить форму частотной характеристики эквалайзера по положению ручек — в таком случае его именуют «графическим».

«М-К» № 12, 1984 г.