Усилитель при высоком качестве звучания очень прост в изготовлении и не нуждается в налаживании. Он имеет универсальный вход с плавной регулировкой чувствительности. Это практически "полный" усилитель, но без входов для микрофона и звукоснимателя.


Усилитель мощности реализован на МС фирмы Philips TDA1552Q. Схема его включения позаимствована из [1]. Предварительный усилитель собран на отечественной МС К157УД2 и отличается высокой надежностью, простотой в реализации, хорошими характеристиками, индикатор уровня - на МС КА2281.


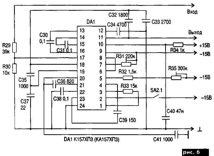
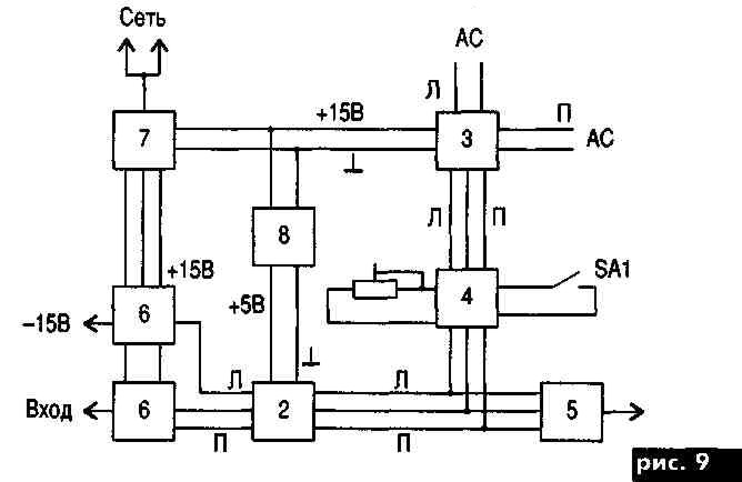
(КА2283, ТА7666/ ТА7667) [2]. Регулятор тембра, громкости и стереобаланса выполнен также на МС TDA 1524А фирмы Philips. Как указано в [1], обе эти микросхемь Hi-Fi, коэффициент гармоник <0,1%, уровень шумов <-80 дБ, полоса частот 20-25000 Гц. Регулятор тембра можно взять от "Весны 212" на МС К157УД2 или сделать его самому. В усилителе применена система шумо-понижения (СШП) "Маяк", которую используют при прослушивании старых фонограмм или магнитофонов с высоким уровнем шумов. Если усилитель не использовать с "шумящими" магнитофонами или другими источниками звука, то СШП можно исключить. Тогда входом усилителя будет вход предварительного усилителя, а трансформатор питания - только с одной вторичной обмоткой +15 В, ЗА. Лицевая панель усилителя показана на рис.1. Схема предварительного усилителя - на рис.2. Переменный резистор (рис.2) R5 сдвоенный и выведен на лицевую панель усилителя. С его помощью можно установить необходимую чувствительность по индикатору (уровень "0" дБ). Затем определить уровень шумов и необходимость использования СШП. Регулятор уровня шумопонижения также выведен на лицевую панель вместе с выключателем СШП. Схема усилителя мощности показана на рис.3, блока регулировок - на рис.4, блока индикации - на рис.5, блока СШП - на рис.6, блоков питания 15 В и 5 В -на рис.7,8 соответственно. Схема подключения блоков усилителя показана на рис.9, на котором обозначены (по номерам рисунков схем): 2 - предварительный усилитель; 3 - усилитель мощности; 4 - блок. регулировок; 5 - блок индикации; 6 - блок СШП; 7 - блок питания +15 В; 8 - блок питания +5 В.



Конденсатор С44 блока питания 15 В должен иметь емкость >5000 мкФ х 16-25 В, поскольку ток, потребляемый УМ >2,5 А и при меньшей емкости уровень пульсаций питающего напряжения будет высок. МС TDA1552Q имеет защиту от перегрева, перегрузок по току переполюсовки питания. Ее необходимо установить на радиатор с площадью поверхности >200см2. МС TDA1524А (А1524А) также имеет защиту от переполюсовки питания.
Литература:
1. Схемотехника усилители Вып. 1., НИПП Рапид Лтд.
2. Каширец М. Л. Индикатор уровня сигналов на светодиодах// Радиоаматор -2000-№1
М. Л. Каширец, г. Марганец, Днепропетровская обл., РАДИОАМАТОР № 1,2001