Усилитель мощности с блоком питания.

При разработке усилителей ЗЧ с максимальной выходной мощностью более 100 Вт первостепенное значение приобретает необходимость получения возможно большего КПД усилителя при достаточно малых нелинейных искажениях. Вопрос о допустимом проценте нелинейных искажений усилителя 3Ч не раз обсуждался на страницах журнала «Радио» [1, 2], получению же высокого КПД усилителя чаще всего не уделялось должного внимания. Известно, что хороший КПД имеет выходной каскад усилителя мощности, работающий в режиме В. Однако ему свойственны большие нелинейные искажения. В журнале «Радио» рассказывалось о коррекции таких искажений с помощью прямой связи [3]. Рассматривался и способ снижения искажений, основанный на использовании усилительных каскадов, работающих в разных режимах [4].

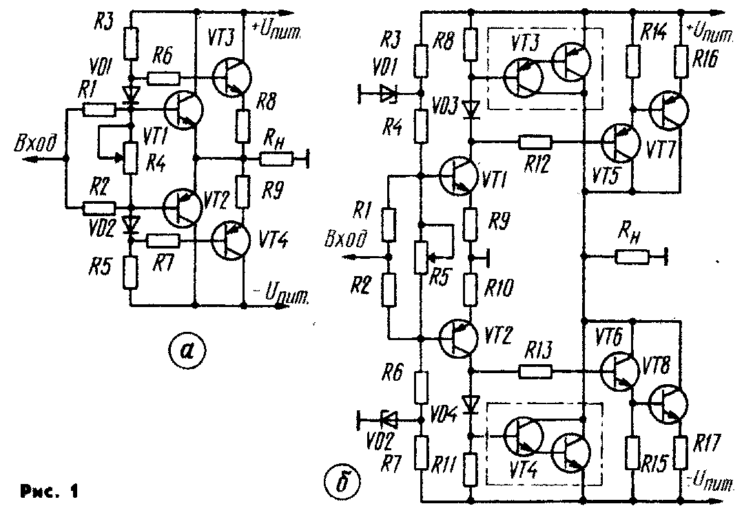
Автором предлагаются еще два варианта выходных каскадов усилителя, работающих в разных режимах и позволяющих снизить коэффициент гармоник мощного УМЗЧ. Их упрощенные электрические схемы показаны на рис. 1, а и рис. 1, б. Каждый из усилителей состоит из двух выходных каскадов — основного и вспомогательного, включенных параллельно. Причем основной каскад работает в режиме В, а вспомогательный — в режиме АВ. Основной каскад усилителя, показанного на рис. 1,а, выполнен на транзисторах VT1, VT2, включенных по схеме комплементарного эмиттерного повторителя, работающего в режиме В. Транзисторы VT3, VT4 и резисторы R6 — R9 образуют вспомогательный каскад, который работает в режиме АВ. Резисторы Rl—R5 и диоды VD1, VD2 обеспечивают необходимое смещение на базах транзисторов и задают режим работы обоих каскадов. Как видно из схемы, напряжение смещения на базах транзисторов вспомогательного каскада всегда больше, чем на базах основного каскада на величину падения напряжения на диодах VD1, VD2. В результате, если с помощью изменения сопротивления резистора R4 задать напряжение смещения на базах транзисторов VT3, VT4, соответствующее режиму АВ, то напряжение смещения на базах транзисторов VT1, VT2 будет меньше и каскад будет работать в режиме В. Резисторы R8, R9 создают необходимую термостабилизацию вспомогательного каскада, а резисторы R6, R7 ограничивают базовый ток транзисторов VT3, VT4. При малых уровнях входного сигнала транзисторы основного каскада VT1, VT2 закрыты и работает только вспомогательный каскад. При этом переменный ток, поступающий в нагрузку, мал, мало и падение напряжения на резисторах R8, R9. С ростом входного напряжения начинают открываться транзисторы VT1, VT2 и увеличивается ток, поступающий в нагрузку от включенных параллельно выходных каскадов. Увеличение тока, протекающего через резисторы R8, R9, приводит к росту падения напряжения на них и ограничению тока транзисторов VT3 и VT4. При максимальном выходном токе, например, при положительной полуволне входного напряжения, транзистор VT1 полностью открыт, а через транзистор VT3 при этом протекает в нагрузку гораздо меньший ток, ограниченный в основном резистором R8 и частично R6. Таким образом, чем больше будет сопротивление резисторов R8, R9, тем на меньшем уровне будет ограничен максимальный ток транзисторов вспомогательного каскада, а значит, и максимальная мощность в режиме АВ, отдаваемая в нагрузку. Как показало макетирование, сопротивление резисторов R8, R9 порядка 2... 10 Ом ограничивает максимальный ток транзисторов вспомогательного каскада на уровне 200...40 мА.

Более сложен выходной каскад, изображенный на рис. 1, б. Он обеспечивает усиление как по току, так и по напряжению. В основном каскаде (VT3, VT4) предусматривается использование мощных составных транзисторов КТ825, КТ827. Вспомогательный каскад VT5—VT8 также должен быть собран на составных транзисторах. Резисторы Rl—R11, стабилитроны VD1, VD2, диоды VD3, VD4 и транзисторы VT1, VT2 определяют режим работы выходных каскадов, который не меняется при изменении напряжения питания в значительных пределах. Объясняется это тем, что напряжение смещения на базах транзисторов VT1, VT2 поддерживается постоянными стабилитронами VD1, VD2. Работа транзисторов выходного каскада в режиме усиления тока и напряжения обеспечивает максимальный КПД выходного каскада, поскольку в этом случае напряжение насыщения транзисторов минимально и максимальное значение амплитуды выходного сигнала приближается к напряжению питания. Как и при коррекции искажений с использованием прямой связи, усилитель мощности, построенный по предложенным схемам, должен иметь достаточно глубокую ООС, обеспечивающую малые нелинейные искажения в широком динамическом диапазоне выходных сигналов. Очевидно, что наилучшим образом решить эту задачу позволяют современные быстродействующие ОУ.

Применив в предварительном каскаде УМЗЧ быстродействующий ОУ и построив его выходной каскад по схеме, показанной на рис. 1, б, автору удалось сконструировать усилитель со следующими техническими характеристиками :

Номинальный диапазон частот, Гц.............................................................................................................................20......20 000

Максимальная выходная мощность, Вт, при сопротивлении нагрузки 4 Ом............................................................... 200

Коэффициент гармоник, %, при выходной мощности 0,5...150 Вт на частоте, кГц:

1..................................................................................................................................................... 0,1

10...................................................................................................................................................0,15

20....................................................................................................................................................0,2

КПД, %.................................................................................................................................................................................. 68

Номинальное входное напряжение, В..................................................................................................................................1

Входное сопротивление, кОм...............................................................................................................................................10

Скорость нарастания выходного напряжения, В/мкс, на эквиваленте нагрузки при замкнутой накоротко катушке индуктивности - 10

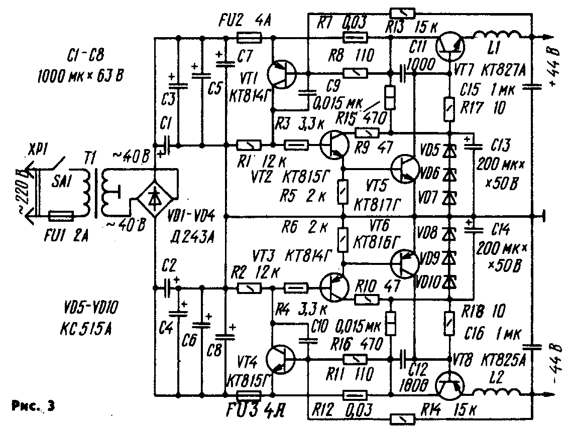
Принципиальная схема УМЗЧ приведена на рис. 2. Каскад предварительного усиления выполнен на быстродействующем ОУ DA1 (К544УД2Б), который наряду с необходимым усилением по напряжению обеспечивает устойчивую работу усилителя с глубокой ООС. Резистор обратной связи R5 и резистор R1 определяют коэффициент усиления усилителя. Выходной каскад выполнен на транзисторах VT1—VT8. Его работа была рассмотрена выше. Конденсаторы С6—С9 корректируют фазовую и частотную характеристики каскада. Стабилитроны VD1, VD2 стабилизируют напряжение питания ОУ, которое одновременно используется для создания необходимого напряжения смещения выходного каскада. Делитель выходного напряжения ОУ R6, R7, диоды VD3— VD6 и резистор R4 образуют цепь нелинейной ООС, которая уменьшает коэффициент усиления ОУ, когда выходное напряжение усилителя мощности достигнет своего максимального значения. В результате уменьшается глубина насыщения транзисторов VT1, VT2 и снижается вероятность возникновения сквозного тока в выходном каскаде. Конденсаторы С4, С5 — корректирующие. С увеличением емкости конденсатора С5 растет устойчивость усилителя, но одновременно увеличиваются нелинейные искажения, особенно на высших звуковых частотах.

Усилитель сохраняет работоспособность при снижении напряжения питания до ±25 В. Возможно и дальнейшее снижение напряжения питания вплоть до +15 и даже до +12 В при уменьшении сопротивления резисторов R2, R3 или непосредственном подключении выводов питания ОУ к общему источнику питания и исключении стабилитронов VD1, VD2. Снижение напряжения питания приводит к уменьшению максимальной выходной мощности усилителя прямо пропорционально квадрату изменения напряжения питания, т. е. при уменьшении напряжения питания в два раза максимальная выходная мощность усилителя уменьшается в четыре раза. Усилитель не имеет защиты от короткого замыкания и перегрузок. Эти функции выполняет блок питания.

В журнале «Радио» высказывалось мнение о необходимости питания УМЗЧ от стабилизированного источника питания для обеспечения более естественного его звучания. Действительно, при максимальной выходной мощности усилителя пульсации напряжения нестабилизированного источника могут достигать нескольких вольт. При этом напряжение питания может существенно снижаться за счет разряда конденсаторов фильтра. Это незаметно при пиковых значениях выходного напряжения на высших звуковых частотах, благодаря достаточной емкости фильтрующих конденсаторов, но сказывается при усилении низкочастотных составляющих большого уровня, так как в музыкальном сигнале они имеют большую длительность. В результате фильтрующие конденсаторы успевают разряжаться, снижается напряжение питания, а значит, и максимальная выходная мощность усилителя. Если же снижение напряжения питания приводит к уменьшению тока покоя выходного каскада усилителя, то это может приводить и к возникновению дополнительных нелинейных искажений.

С другой стороны, использование стабилизированного источника питания, построенного по обычной схеме параметрического стабилизатора, увеличивает потребляемую им от сети мощность и требует применения сетевого трансформатора большей массы и габаритов. Помимо этого, возникает необходимость отвода тепла, рассеиваемого выходными транзисторами стабилизатора. Причем зачастую мощность, рассеиваемая выходными транзисторами УМЗЧ, равна мощности, рассеиваемой выходными транзисторами стабилизатора, т. е. половина мощности тратится впустую. Импульсные стабилизаторы напряжения имеют высокий КПД, но достаточно сложны в изготовлении, имеют большой уровень высокочастотных помех и не всегда надежны. Если к блоку питания не предъявляется жестких требований по стабильности напряжения и уровню пульсаций, что характеризует, в частности, описанный выше усилитель мощности, то в качестве источника питания можно использовать обычный двуполярный блок питания, принципиальная схема которого показана на рис. 3.

Мощные составные транзисторы VT7 и VT8, включенные по схеме эмиттерных повторителей, обеспечивают достаточно хорошую фильтрацию пульсаций напряжения питания с частотой сети и стабилизацию выходного напряжения благодаря установленным в цепи баз транзисторов стабилитронам VD5 — VD10. Элементы L1, L2, R16, R17, С11, С12 устраняют возможность возникновения высокочастотной генерации, склонность к которой объясняется большим коэффициентом усиления по току составных транзисторов.

Величина переменного напряжения, поступающего от сетевого трансформатора, выбрана такой, чтобы при максимальной выходной мощности УМЗЧ (что соответствует току в нагрузке 4А) напряжение на конденсаторах фильтра С1 — С8 снижалась примерно до 46...45 В. В этом случае падение напряжения на транзисторах VT7, VT8 не будет превышать 4 В, а рассеиваемая транзисторами мощность составит 16 Вт. При уменьшении мощности, потребляемой от источника питания, увеличивается падение напряжения на транзисторах VT7, VT8, но рассеиваемая на них мощность остается постоянной из-за уменьшения потребляемого тока. Блок питания работает как стабилизатор напряжения при малых и средних токах нагрузки, а при максимальном токе — как транзисторный фильтр. В таком режиме его выходное напряжение может снижаться до 42...41 В, уровень пульсаций на выходе достигает значения 200 мВ, КПД равен 90 %.

Как показало макетирование, плавкие предохранители не могут защитить усилитель и блок питания от перегрузок по току из-за своей инерционности. По этой причине было применено устройство быстродействующей защиты от короткого замыкания и превышения допустимого тока нагрузки, собранное на транзисторах VT1—VT6. Причем функции защиты при перегрузках положительной полярности выполняют транзисторы VT1, VT2, VT5, резисторы Rl, R3, R5. R7 — R9, R13 и конденсатор С9, а отрицательной — транзисторы VT4, VT3, VT6, резисторы R2, R4, R6, R10— R12, R14 и конденсатор С10.

Рассмотрим работу устройства при перегрузках положительной полярности. В исходном состоянии при номинальной нагрузке все транзисторы устройства защиты закрыты. При увеличении тока нагрузки начинает расти падение напряжения на резисторе R7, и если оно превысит допустимое значение, начинает открываться транзистор VT1, а вслед за ним и транзисторы VT2 и VT5. Последние уменьшают напряжение на базе регулирующего транзистора VT7, а значит, и напряжение на выходе блока питания. При этом за счет положительной обратной связи, обеспечиваемой резистором R13, уменьшение напряжения на выходе блока питания приводит к ускорению дальнейшего открывания транзисторов VT1, VT2, VT5 и быстрому закрыванию транзистора VT7. Если сопротивление резистора положительной обратной связи R13 мало, то после срабатывания устройства защиты напряжение на выходе блока питания не восстанавливается даже после отключения нагрузки. В этом режиме необходимо было бы предусмотреть кнопку запуска, отключающую, например, на короткое время резистор R13 после срабатывания защиты и в момент включения блока питания. Однако, если сопротивление резистора R13 выбрать таким, чтобы при коротком замыкании нагрузки ток не был равен нулю, то напряжение на выходе блока питания будет восстанавливаться после срабатывания устройства защиты при уменьшении тока нагрузки до безопасной величины. Практически сопротивление резистора R13 выбирается такой величины, при которой обеспечивается надежное включение блока питания при ограничении тока короткого замыкания значением 0,1...0,5 А. Ток срабатывания устройства защиты определяет резистор R7. Аналогично работает устройство защиты блока питания при перегрузках отрицательной полярности.

Конструкция и детали. Все детали УМЗЧ и блока питания размещены на одной плате. Исключение составляют транзисторы VT3, VT4, VT6, VT8 УМЗЧ, установленные на общем теплоотводе с площадью рассеивающей поверхности 1200 см2 и транзисторы VT7, VT8 блока питания, размещенные на отдельных теплоотводах с площадью рассеивающей поверхности 300 см2 каждый. Катушки L1, L2 блока питания (рис. 3) и L1 усилителя мощности содержат 30—40 витков провода ПЭВ-1 1,0, намотанного на корпусе резистора С5-5 или МЛТ-2. Резисторы R7, R12 блока питания представляют собой отрезок медного провода ПЭЛ, ПЭВ-1 или ПЭЛШО диаметром 0,33 и длиной 150 мм, намотанного на корпусе резистора МЛТ-1. Трансформатор питания выполнен на тороидальном магнитопроводе из электротехнической стали Э320, толщиной 0,35 мм, ширина ленты 40 мм, внутренний диаметр магнито-провода 80, наружный — 130 мм. Сетевая обмотка содержит 700 витков провода ПЭЛШО 0,47, вторичная — 2 х130 витков провода ПЭЛШО 1,2. Вместо ОУ К544УД2Б можно использовать К544УД2А, К140УД11 или К574УД1. Каждый из транзисторов КТ825Г можно заменить составными транзисторами КТ814Г, КТ818Г, а КТ827А — составными транзисторами КТ815Г, КТ819Г. Диоды VD3—VD6 УМЗЧ можно заменить любыми высокочастотными кремниевыми диодами, VD7, VD8 — любыми кремниевыми с максимальным прямым током не менее 100 мА. Вместо стабилитронов КС515А можно использовать соединенные последовательно стабилитроны Д814А (Б, В, Г, Д) и КС512А.

Налаживание усилителя сводится к установке (подстроечным резистором R12) тока покоя выходных транзисторов VT6, VT8 в пределах 10... 15 мА. Включают усилитель после проверки исправности блока питания. Для этого, заменив резисторы R7, R12 блока питания более высокоомными (примерно 0,2...0,3 Ом), проверяют работоспособность блока питания устройства защиты. Оно должно срабатывать при токе нагрузки 1...2 А. Убедившись в нормальной работе блока питания и УМЗЧ, устанавливают резисторы R7, R12 с номинальным сопротивлением, указанным на принципиальной схеме, и проверяют работу усилителя при максимальной мощности, контролируя отсутствие срабатывания устройства защиты.

В. ВИЛЬЧИНСКИЙ, г. Волгоград

ЛИТЕРАТУРА:

1. Лексины Валентин и Виктор. О заметности нелинейных искажений усилителя мощности.— Радио, 1984, № 2, с. 33—35.

2. Солнцев Ю. Какой же КГ допустим? — Радио, 1985, № 2, с. 26— 28.

3. Солнцев Ю. Высококачественный усилитель мощности.— Радио, 1984, № 5, с. 29—34.

4. Гумеля Б. Качество и схемотехника УМЗЧ.— Радио, 1985, № 9, с. 31—34.

РАДИО, № 5, 1990 г.

Назад