В журнале "Радио" довольно подробно рассматривались особенности построения выходных каскадов УМЗЧ на полевых транзисторах, подчеркивались их преимущества перед каскадами на биполярных транзисторах [1, 2, 3]. Однако радиолюбители берутся за их изготовление крайне редко. Связано это, на мой взгляд, не только с тем, что радикального снижения искажений во всем диапазоне воспроизводимых усилителем частот можно добиться при использовании в его выходном каскаде комплементарных пар МДП-транзисторов [4], а мощных полевых транзисторов с каналом p-типа наша промышленность пока не выпускает, но и с тем, что доступные для повторения УМЗЧ с выходными каскадами на МДП-транзисторах с каналом n-типа имеют существенные недостатки - необходимость стабилизированного источника питания [1, 2] или недостаточная выходная мощность [3]. В публикуемой ниже статье вниманию читателей предлагается описание УМЗЧ, в котором эти недостатки отсутствуют.
Основные технические характеристики:
Номинальная (максимальная) выходная мощность на нагрузке сопротивлением 4 Ом, Вт - 45(65);
Коэффициент гармоник, %, не более, в диапазоне частот, Гц:
20..5000 - 0,003,
5000..20000 - 0,01;
Номинальное входное на пряжение, мВ - 775;
Номинальный диапазон частот, Гц, при неравномерности АЧХ не более 0,25 дБ - 20..100000;
Скорость нарастания вы ходного напряжения В/мкс, не менее - 60;
Отношение сигнал/шум, дБ - 100.

Принципиальная схема УМЗЧ показана на рис.1. Входной каскад выполнен на ОУ DA1. Для увеличения амплитуды выходного напряжения применено управление выходными транзисторами УМЗЧ по цепям питания ОУ [5]. Выходной сигнал снимается с положительного вывода питания DA1 и через включенный по схеме с ОБ транзистор VT1 подается на один из входов дифференциального каскада на транзисторах VT2, VT4. На второй его вход поступает стабилизированное напряжение с делителя, образованного диодами VD2-VD5 и резистором R13. В эмиттерные цепи транзисторов дифференциального каскада включен источник тока на транзисторе VT3, а их коллекторные токи управляют выходными полевыми транзисторами VT5, VT6. В отличие от усилителей [1, 2], в которых местной ООС охвачен только выходной каскад, в данном УМЗЧ ею охвачена целая группа каскадов. Напряжение ООС снимается с выхода усилителя и через делитель R6R7 подается в цепь эмиттера выходного транзистора ОУ (вывод 6). Устойчивость охваченных петлей ООС каскадов обеспечивается благодаря тому, что все они, за исключением выходного, почти не усиливают ток (выходной каскад ОУ по отношению к сигналу ООС включен по схеме с ОБ, транзистор VT1 также включен по схеме с ОБ, коэффициент же передачи тока дифференциального каскада не превышает трех, поскольку он охвачен местной ООС, и его вход шунтирован резистором R3 сопротивлением всего 300 Ом), а полюса их АЧХ лежат на частотах, по крайней мере, в сто раз превышающих частоту полюса АЧХ выходного каскада. Сочетание ООС, охватывающей группу каскадов, с местной ООС не только уменьшает возникающие в них искажения, но и позволяет использовать в качестве нагрузки дифференциального каскада резисторы, а не источники тока (конечно, при условии применения полевых транзисторов с пороговым напряжением не менее 3 В). Усилитель охвачен, кроме того, цепью общей ООС (R2, R4). Минимальная ее глубина (на частоте 20 кГц) составляет 40 дБ, максимальная (на низших звуковых частотах) превышает 73 дБ. Частотная коррекция по цепи общей ООС обеспечивается ОУ при замкнутых выводах 1 и 8, а коррекция по опережению - цепью R4C2, компенсирующей полюс АЧХ УМЗЧ, возникающий из-за влияния входной емкости каскада на полевых транзисторах. Цепочка VD1, HL1, HL2 выполняет двойную функцию: индицирует перегрузку усилителя и уменьшает возникающие при этом искажения сигнала. Описываемый усилитель не требует принятия каких-либо специальных мер для защиты выходных транзисторов от коротких замыканий в нагрузке, поскольку максимальное напряжение между истоком и затвором только в два раза превышает это же напряжение в режиме покоя и соответствует току через выходной транзистор примерно 9 А. А такой ток примененные транзисторы надежно выдерживают в течение того времени, которое необходимо для перегорания предохранителей и отключения УМЗЧ от источника питания. Термостабилизация тока покоя выходных транзисторов обеспечивается за счет тепловой связи (размещения на одном теплоотводе) транзисторов VT3 и VT5. При повышении температуры крутизна характеристики и ток стока полевых транзисторов уменьшаются. Ток же транзисторов дифференциального каскада увеличивается и компенсирует эту нестабильность. Причем относительное изменение тока дифференциального каскада при изменении температуры транзистора VT3 зависит от напряжения на его эмиттере или базе. Таким образом, подбирая число и тип диодов VD2, VD3, включенных между базой этого транзистора и плюсом источника питания, можно добиться того, что ток покоя выходных транзисторов практически не будет зависеть от их температуры.

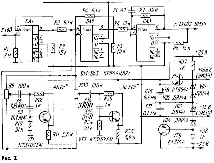
В качестве предусилителя УМЗЧ использован усилитель с многополосным регулятором тембра, собранный по схеме, показанной на рис.2. Такие устройства неоднократно описывались в литературе [6, 7]. ОУ DA1 является повторителем напряжения, согласующим регулятор громкости с входным сопротивлением второго каскада усилителя на ОУ DA2, выполняющего функции собственно регулятора тембра. Активные фильтры регулятора настроены на 40, 100, 300, 1000 Гц и 3, 7,5, 16 кГц. На схеме показаны фильтры на 40 Гц и 16 кГц. Емкости конденсаторов С4-С13 пяти остальных фильтров равны соответственно 1 и 0,027 мкФ; 0,33 и 0,01 мкф; 0,1 мкФ и 2700 пФ; 0,027 мкф и 1200 пФ; 9100 и 560 пФ. На ОУ DA3 собран усилитель напряжения, повышающий уровень входного сигнала 200 мВ до уровня входного напряжения УМЗЧ 775 мВ. Повышать напряжение в каскаде на ОУ DA1 не рекомендуется, так как это вызовет увеличение искажений, возникающих в активных фильтрах. Коэффициент гармоник регулятора тембра может достичь и даже превысить величину коэффициента гармоник УМЗЧ, что, конечно же, нежелательно. В случае большего входного напряжения регулятора тембра в активных фильтрах нужно использовать не простые эмиттериые повторители, а повторители напряжения с меньшими искажениями, например, на ОУ или на двух транзисторах разной структуры. Конденсатор С1 ограничивает уровень ультразвуковых составляющих сигнала, поступающего на вход УМЗЧ. Единственная особенность включения ОУ в этом усилителе - это шунтирование (с целью уменьшения искажений) транзисторов их выходных каскадов резисторами R2, R5, R8. Питается предусилитель от двуполярного параметрического стабилизатора напряжения на транзисторах VT8, VT9. На стабилизатор напряжение питания подается от общего с УМЗЧ источника через уменьшающие амплитуду пульсаций однозвенные RC-фильтры (на схеме не показаны). Предусилитель и УМЗЧ смонтированы на общей печатной плате из фольгированного стеклотекстолита размерами 100?102,5 мм.


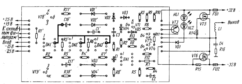
На рис.3 показана половина платы, на которой собран один канал стереофонического усилителя (детали предусилителя помечены штрихами). Вторая половина полностью ей идентична. Активные фильтры смонтированы на отдельной плате. Выходные транзисторы установлены на теплоотводах с площадью охлаждающей поверхности 400 см2. К теплоотводу транзистора VT5 приклеен транзистор VT3. Резисторы R14 и R15 припаяны непосредственно к выводам транзисторов VT5 и VT6. Светодиоды HL1, HL2 размещены на лицевой панели усилителя, фильтр R16C4L1 - у выходного разъема УМЗЧ. В усилителе можно использовать любые постоянные резисторы, нет каких-либо особых требований и к конденсаторам, за исключением работающих в предусилителе конденсаторов С2-С15, которые должны быть высокочастотными (например, К73, МБМ, МБГИ с ТКЕ М750, M1500 и отклонением емкости не более 10 %). Переменные резисторы активных фильтров (см. рис.2) - СП3-23е. Катушка L1 намотана в один слой на тороидальном каркасе с наружным диаметром 20, внутренним 10 и высотой 10 мм и содержит 28 витков провода ПЭВ-2 1,0. В предусилителе, кроме указанных на схеме, можно применить и другие универсальные ОУ. Не рекомедуется только использовать ОУ с малой скоростью нарастания выходного напряжения, такие как К140УД2 и К140УД9. Транзисторы активных фильтров КТ3102ЕМ можно заменить КТ3102Г, КТ342В. В УМЗЧ желательно использовать ОУ КР544УД2А, как самый широкополосный отечественный ОУ с внутренней частотной коррекцией. Транзисторы КТ3108А заменимы КТ313А, КТ313Б, а КП912Б-КП912А и КП913, КП920А. Налаживание УМЗЧ сводится к установке тока покоя транзисторов выходного каскада в пределах 200..300 мА подбором резисторов R9 и R10. Высокой его термостабильности можно добиться, как указывалось выше, изменением напряжения на базе транзистора VT3 подбором числа и типа диодов VD2, VD3.
Литература:
1. Ильин В., Яцковский Р. Полевые транзисторы в
выходном каскаде усилителя мощности. - Радио, 1983.
№2, с.54-55.
2. Борисов С. МДП-транзисторы в усилителях НЧ.-
Радио. 1983, №11. с.36-39.
3. Н. Якименко. Полевые транзисторы а мостовом
УМЗЧ.- Радио, 1986, №9, с.38, 39.
4. Дмитриев Н., Феофилактов Н. Схемотехника
усилигелей мощности НЧ.- Радио. 1985, №6, с.25-28.
5 Дмитриев Н.. Феофилактов Н. ОУ в усилителях
мощности.- Радио. 1986, №8. с.42-46.
6. Зыков Н. Многополосные регуляторы тембра.-
Радио, 1978, №5, с.40-41.
7. Пепсины Виктор и Валентин. Многополосный, с
аналогами LC-фильтров.- Pадио. 1979, №10, с.26-27.
Радио № 9, 1988 г.