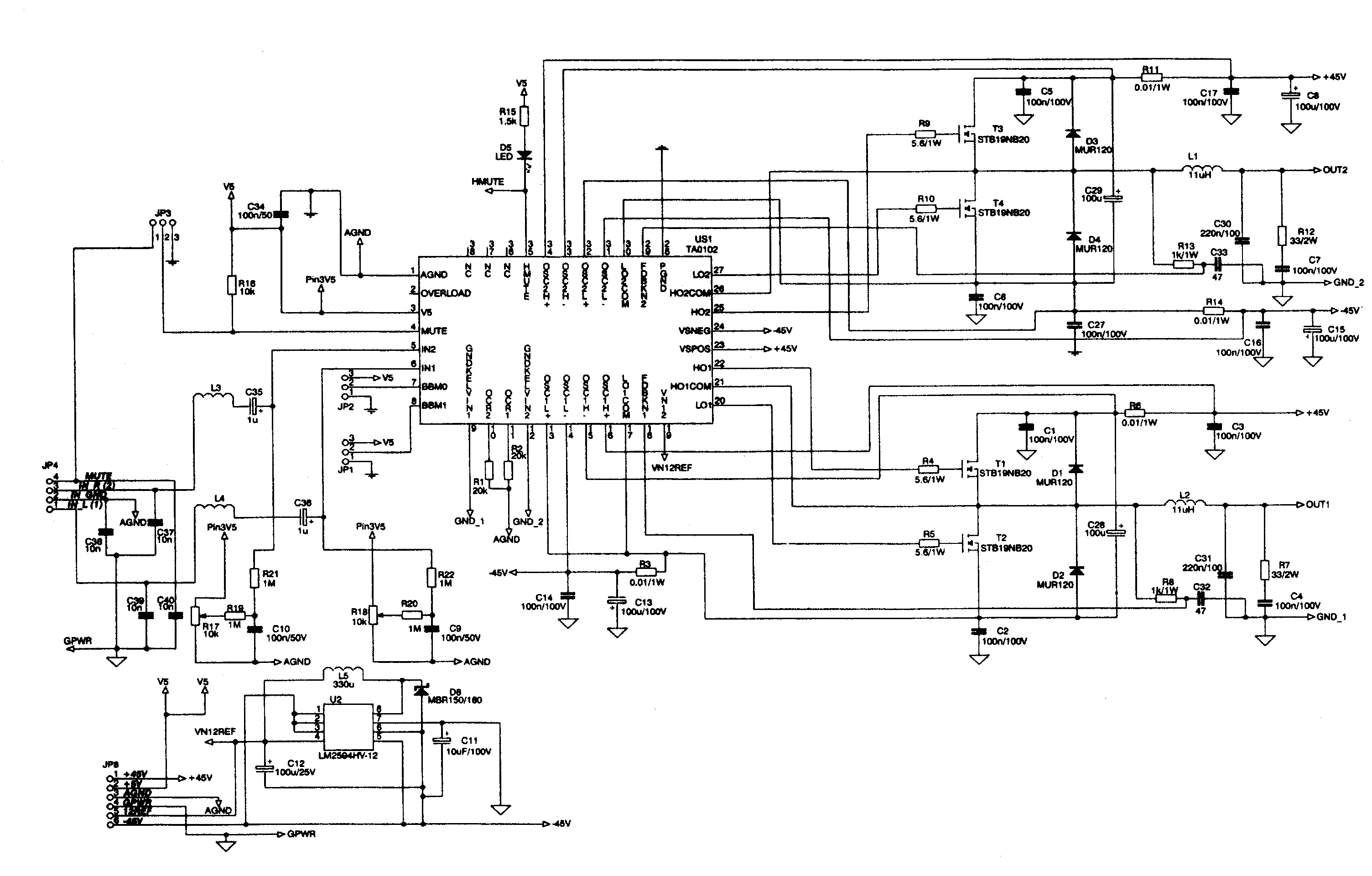
Пиотр Збисиниски выполнил свой полукиловаттный УМЗЧ (рис. 1) на основе ИМС US1 ТА0102А фирмы Tripath (см. также доку), которая формирует управляющие напряжения для мощных ключевых транзисторов Т1-Т4 примерно так же, как и в усилителях класса D (ШИМ), только не компаратором с генератором напряжения треугольной формы, а специальным процессором, оптимизирующим управление так, что линейность усилителя повышается в десятки раз.
Рис. 1.
Такой режим запатентован и назван фирмой Tripath «классом Т», а спектрограммы сигналов на выходах усилителей класса D и класса Т в равных условиях (входной сигнал 1 кГц) приведены соответственно на рис. 2.

Рис. 2.
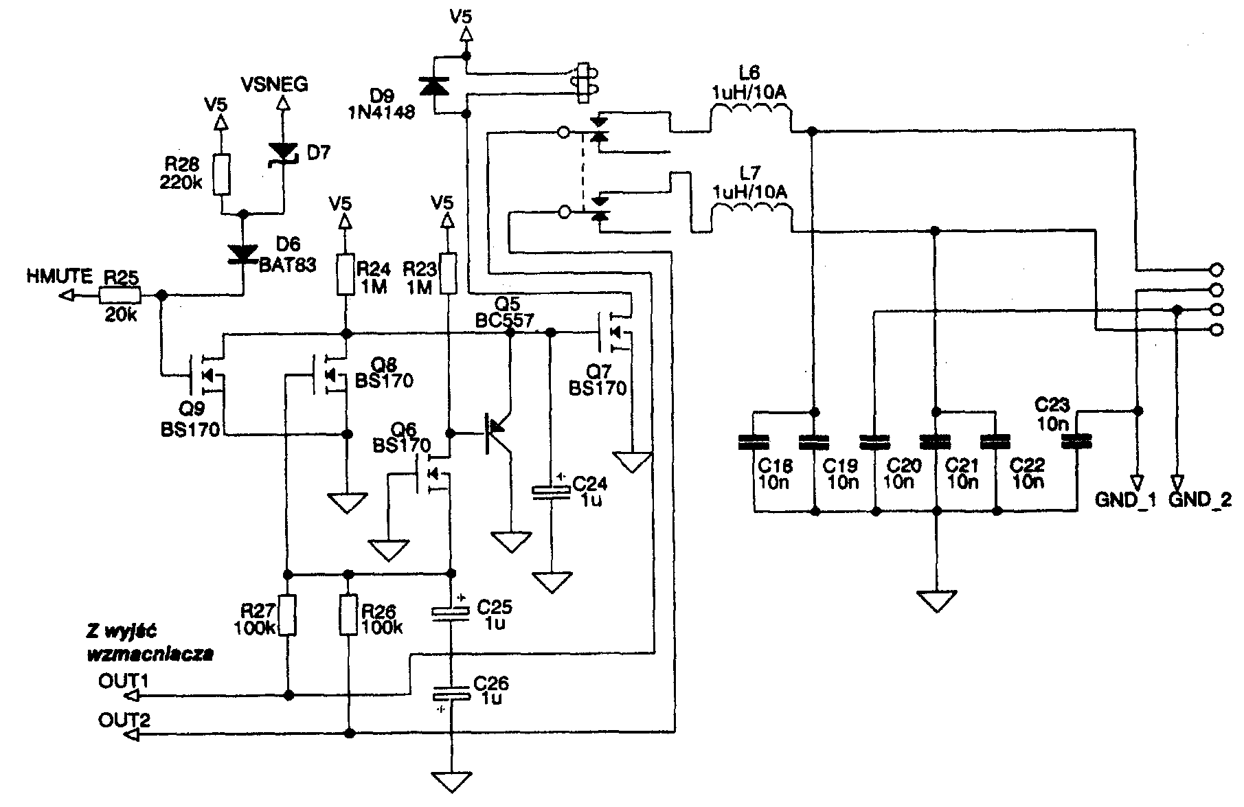
Принципиальная схема довольно проста и в особых пояснениях не нуждается, за исключением R17 и R18 - ими при налаживании сводят к нулю постоянную составляющую напряжения на выходах OUT2 и OUT1, а также U2 - это импульсный стабилизатор, формирующий из одного из напряжений питания (-45 В) опорное напряжение VN12REF, необходимое для работы ИМС US1 (подается на вывод 19). На рис.3 показана схема защиты акустических систем.
Рис. 3.
Усилитель развивает 2х250 Вт на нагрузке 4 ома при Кг=1,2% и 2х150 Вт при Кг<0,1%, полоса усиливаемых частот 17 Гц - 80 кГц, относительный уровень собственных - 125 кГц (-3 дБ), скорость нарастания выходного напряжения 33 В/мкс.

Рис. 4.
Коэффициент гармоник (рис.4) на частоте 1 кГц не превышает 0,005%, а в диапазоне от 20 Гц до 20 кГц и при выходных мощностях от 1 до 100 Вт не превышает 0,01% шумов 99 дБ, КПД не менее 87% (160 Вт). L1, L2 (обе по 11 мкГн), L6, L7 (обе по 1 мкГн) должны быть рассчитаны на ток 10 A, L5 - 330 мкГн/ 2А («Elektronika Praktyczna» Ns5/01, с. 14-18).
РадиоХобби № 4, 2001