УМЗЧ без общей ООС.

Проблема снижения нелинейных искажений звуковоспроизводящего тракта и, в частности повышения линейности усилителей мощности 34 (УМЗЧ) уже давно волнует как профессиональных, так и самодеятельных конструкторов бытовой радиоаппаратуры. О том, какое значение коэффициента гармоник (Кг) можно считать допустимым для высококачественного УМЗЧ, высказано множество мнений, порой весьма противоречивых [1]. Однако известно, что наибольший вклад в искажения тракта обычно вносят акустические системы (Кг > 3 %) и магнитофон или ЭПУ (Кг - 1...3%).

С появлением ленточных изодинамических излучателей и цифровых лазерных проигрывателей суммарный Кг тракта (без УМЗЧ) понизился примерно до 1...2%, причем доминирующими в спектре искажений стали вторая и третья гармоники. Можно полагать, что УМЗЧ с таким же спектральным составом нелинейных искажений и коэффициентом Кг < 0,1 % заметного влияния на качество звучания не окажет. Значительно ухудшают звучание, придавая ему «металлический» оттенок, высшие гармоники, возникающие при ограничении амплитуды сигнала, искажения типа «ступенька» (центральная отсечка), а также так называемые кроссоверные* и коммутационные искажения, возникающие в УМЗЧ в момент перехода из режима А в режим В, динамические интермодуляционные искажения и, наконец, самовозбуждение во время переходных процессов и при работе на комплексную нагрузку. УМЗЧ, вносящий в усиливаемый сигнал искажения хотя бы одного из этих видов, характеризуется «транзисторным» звучанием даже при очень малом коэффициенте гармоник. Традиционный способ устранения искажений, обусловленных ограничением амплитуды сигнала — создание запаса мощности, однако это ведет к неоправданному усложнению транзисторного УМЗЧ. Другой способ — создание условий для «мягкого» (как у ламповых усилителей) ограничения амплитуды. Искажения типа «ступенька», кроссоверные и коммутационные искажения можно ликвидировать переводом УМЗЧ в режим А или Super A [2], Снизить эти и так называемые «гладкие»** нелинейные искажения можно и иначе, например, введением глубокой (более 30 дБ) ООС, в том числе многопетлевой [3], использованием прямой связи (или связи вперед) [4], применением специальной коррекции нелинейных искажений [5].

Следует, однако, отметить, что глубокая ООС нередко становится причиной возникновения динамических искажений и неустойчивой работы УМЗЧ. Кроме того, глубокая ООС эффективно снижает только «гладкие» искажения, а наиболее заметные кроссо-верные она уменьшает в недостаточной мере [5].

____________________________________________________________________
* Искажения, обусловленные разным наклоном характеристики передачи в режимах А и В.
** Искажения, порожденные равномерной (без изломов) нелинейностью характеристики передачи УМЗЧ.

Как показали проведенные авторами эксперименты, изменение глубины ООС в одном и том же УМЗЧ с 20 до 40 дБ заметного влияния на качество звучания не оказывает, несмотря на значительное уменьшение коэффициента гармоник, а дальнейшее увеличение ее глубины влечет за собой ухудшение звучания из-за снижения устойчивости. Видимо, качество звучания УМЗЧ определяется главным образом не глубиной ООС, а линейностью исходного (не охваченного ею) усилителя. Несколько лучшие результаты дает применение многопетлевой ООС, однако она значительно усложняет УМЗЧ [3]. Резюмируя сказанное, можно считать, что для высококачественного УМЗЧ с разомкнутой петлей ООС вполне допустим Кг — 0,3 %. Что же касается двух последних способов снижения нелинейных искажений, то они свободны от недостатков, присущих глубокой ООС, и отличаются один от другого тем, что при использовании прямой связи сигнал ошибки вычитается из полезного сигнала на выходе УМЗЧ, а при коррекции — на его входе.

С учетом всего сказанного выше авторами разработан УМЗЧ без общей ООС, основные технические характеристики которого следующие:

Номинальный (на уровне —3 дБ) диапазон частот, Гц............................................................................................................10...63000

Максимальная выходная мощность на нагрузке сопротивлением 4 Ом при коэффициенте гармоник не более 0,5 %, Вт.......25

Коэффициент гармоник при выходной мощности 12,5 Вт, %, на частоте, Гц:

100............................................................................................................................................................................0,07

1 000.........................................................................................................................................................................0,08

10 000........................................................................................................................................................................0,1

20000.........................................................................................................................................................................0,12

Номинальное входное напряжение, В ..................................................................................................................................................2

Входное сопротивление, кОм................................................................................................................................................................47

Выходное сопротивление в диапазоне частот 20...20 000 Гц, Ом.....................................................................................................0,01

Максимальная емкость нагрузки, мкФ (При испытании УМЗЧ устойчиво работал и с конденсатором большей емкости. ).........2

Ток покоя, мА, не более ..........................................................................................................................................................................100

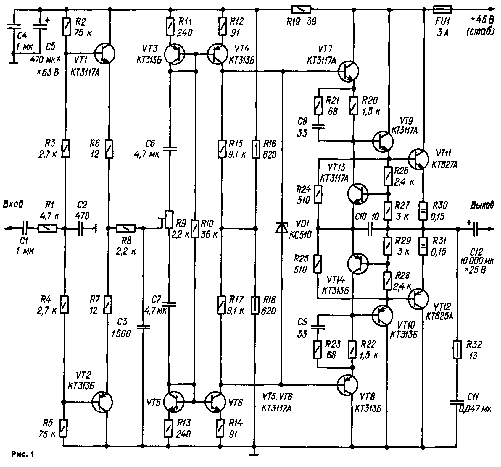
Принципиальная схема УМЗЧ изображена на рис. 1. Он состоит из трех каскадов: двухтактного эмиттерного повторителя, усилителя напряжения и выходного каскада с узлом компенсации (коррекции) нелинейных искажений. Эмиттерный повторитель (VT1, VT2) работает в режиме А и служит для обеспечения требуемого входного сопротивления УМЗЧ. Цепи R1C2 и R8C3 образуют ФНЧ второго порядка с частотой среза около 63 кГц. Усилитель напряжения сигнала (VT3—VT6) представляет собой двухтактное токовое зеркало, нагруженное резисторами R15, R17. Коэффициент передачи тока Кт этого каскада определяется отношением сопротивлений резисторов в эмиттерных цепях входящих в него транзисторов: Кт = = R11/R12= R13/R14 = 2,5; коэффициент усиления напряжения Кu — значением Кт и отношением выходного сопротивления каскада (точнее — сопротивления его нагрузки) к входному: Ku = Kт Rвыx / Rвх = R11 R15 / R12 (R11 + R8 + 0,5R9).

Режим работы токового зеркала по постоянному току задан резистором R10. Необходимо отметить, что вносимые каскадом нелинейные искажения зависят от разброса сопротивлений резисторов R11 — R14, поэтому их необходимо попарно подобрать. Более точно токовое зеркало балансируют подстроечным резистором R9 (добиваются минимального уровня второй гармоники усиливаемого сигнала). Ток покоя каскада выбран таким, что максимальный ток сигнала равен его половине. Выходной каскад (VT7— VT12) собран по схеме, подробно описанной в [5]. Его особенность — в наличии узла компенсации нелинейных искажений. Поскольку схема каскада симметрична, рассмотрим работу верхнего (по схеме) плеча узла, которое выполнено на транзисторах VT9, VT13. Входной сигнал (будем считать его неискаженным) одновременно поступает на базу транзистора VT11 оконечного каскада и (через резистор R24) на эмиттер транзистора VT13.

Выходной (искаженный) сигнал, пройдя резистор R30, подводится через делитель R27R26 к базе транзистора VT13, который в результате выделяет напряжение ошибки и подает его на вход эмиттерного повторителя, собранного на транзисторе VT9. Из искаженного сигнала напряжение ошибки вычитается на резисторе R20. Сопротивление резистора

R24, определяющее глубину компенсации искажений, связано с сопротивлениями резисторов R20, R26, R27 соотношением: R24 = R20 R26 / (R26 + R27). Критерий правильного выбора этих резисторов — близкое к нулевому выходное сопротивление УМЗЧ. При необходимости его нетрудно сделать и отрицательным (достаточно уменьшить в одинаковой мере сопротивления резисторов R24, R25), однако коэффициент гармоник в этом случае несколько возрастает (примерно до 0,2 %). Цепи R21C8, R23C9 и конденсатор С10 устраняют самовозбуждение, возникающее вследствие перекомпенсации на высших частотах.

Описываемый УМЗЧ «мягко» ограничивает амплитуду выходного сигнала и не боится кратковременных коротких замыканий цепи нагрузки. Объясняется это тем, что выходного тока токового зеркала не хватает для вывода транзисторов VT11, VT12 из строя. Ток зеркала ограничен его током покоя и определяется сопротивлением резистора R10. Ограничение сигнала в этом каскаде наступает раньше, чем в выходном, а поскольку токовое зеркало ограничивает «мягко», то и УМЗЧ в целом делает это «мягче». Благодаря отсутствию общей ООС УМЗЧ не вносит динамических искажений и абсолютно устойчив при переходных процессах и работе на комплексную нагрузку. Искажения типа «ступенька», кроссовер-ные, коммутационные, а также «гладкие» нелинейные искажения и амплитудные потери снижаются узлом компенсации.

К недостаткам описываемого УМЗЧ следует отнести небольшую выходную мощность, низкий коэффициент использования питающего напряжения, высокие требования к источнику питания (во избежание роста четных гармоник он должен быть стабилизированным). Выходную мощность можно повысить, подняв напряжение питания (возможно также применение двуполяр-ного источника), стабилизированным напряжением можно питать не весь УМЗЧ, а только входной каскад и токовое зеркало.

Конструкция и детали. Все детали УМЗЧ, кроме транзисторов VT11, VT1 2 смонтированы на печатной плате (см. рис. 2), изготовленной из фольгиро-ванного стеклотекстолита толщиной 1,5 мм. Каждый из транзисторов оконечного каскада установлен на теплоотводе с площадью охлаждающей поверхности около 300 см2. Вместо указанных на схеме транзисторов КТ3117А можно применить транзисторы серии КТ503, вместо КТ313Б — транзисторы серии КТ502. Конденсаторы С1, С4, С6, С7, С11 - К73-17, С5 — К50-24, остальные — керамические любого типа. Использовать в качестве С6, С7 оксидные конденсаторы нежелательно, так как это может привести к увеличению коэффициента гармоник. В УМЗЧ применен подстроечный резистор СП5-16В, постоянные резисторы С5-16 (R30, R31) и МЛТ (остальные). Для удобства монтажа резисторы R16 и R18 составлены каждый из двух резисторов МЛТ-0,25 сопротивлением 300 Ом.

Для получения указанных выше технических характеристик резисторы R11—R14, R20, R22, R26—R29 необходимо подобрать попарно с отклонением от указанных на схеме номиналов не более +0,5 %. Налаживание устройства сводится к балансировке токового зеркала подстроечным резистором R9 по минимуму второй гармоники на выходе при подаче на вход УМЗЧ переменного напряжения 2 В частотой 1 кГц. Экспериментально снятые зависимости коэффициентов 2—5-й гармоник от частоты показаны на рис. 3, а (цифры 2— 5 обозначают номера гармоник), от выходной мощности — на рис, 3, б. Штриховыми линиями изображены характеристики аналогичного по параметрам устройства с общей ООС глубиной 20 дБ и «жестким» ограничением амплитуды выходного сигнала (УМЗЧ «Ве-га-У120-стерео»). При испытаниях использовалась аппаратура, позволяющая измерять Кг с точностью до+0,005 %.

В. ХОРОШЕВ, А. ШАДРОВ

г. Москва

ЛИТЕРАТУРА

1. Солнцев Ю. Какой же Кг допустим?— Радио, 1985, № 2, с. 26—28.

2. Митрофанов Ю. Экономичный режим А в усилителе мощности.— Радио, 1986, № 5, с. 60—63.

3. Cherry Е. М. Nested Differentiating Feedback Loops in Simple Audio Power Amplifiers.— Journal of Audio Engeneering Society. Vol. 30, 1982, No 5, pp. 295—305.

4. Vanderkooy J., Lipshitz S. P. Feedforward Error Correction in Power Amplifiers.— Journal of Audio Engineering Society, Vol. 28, 1980, No 1/2, pp. 2—16.

5. Hawksforol N. J. Distortion Correction in Audio Power Amplifiers.— Journal of Audio Engineering Society. Vol. 29, 1981, No 1 /2, pp. 27—30.

Радио № 9, 1989 г.

Назад