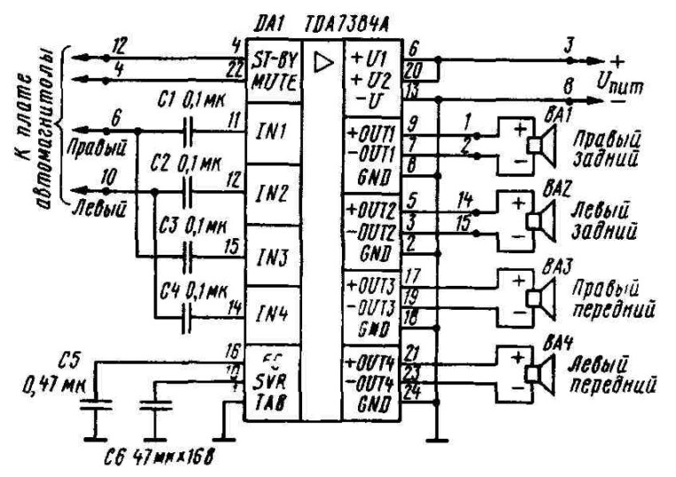
Увеличение выходной мощности автоматитолы описано в статье О.Долгова ("Радио", 10/99). В автомагнитоле 'Toshiba TX-20" установлен двухканальный УМЗЧ TDA7394, у которого максимальная выходная мощность 15 Вт на канал. Для повышения мощности микросхема TDA7394 заменена на микросхему TDA7384, обеспечивающую максимальную мощность 40 Вт в каждом из четырех каналов. При мощности 4 Вт на канал коэффициент гармоник не превышает 0,15%. Подключение микросхемы показана на рис. Номера на схеме рядом с черными точками соответствуют выводам ранее установленной микросхемы TDA7394. Сначала из платы автомагнитолы демонтируют старую микросхему УМЗЧ. Новую микросхему можно прикрепить к задней стенке с использованием теплопроводящей пасты, а соединения выполнить проводом МГТФ.

Радиоаматор № 12, 1999 г.