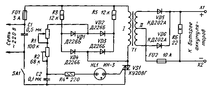
Ïðîñòåéøåå çàðÿäíîå óñòðîéñòâî äëÿ àâòîìîáèëüíûõ è ìîòîöèêëåòíûõ àêêóìóëÿòîðíûõ áàòàðåé, êàê ïðàâèëî, ñîñòîèò èç ïîíèæàþùåãî òðàíñôîðìàòîðà è ïîäêëþ÷åííîãî ê åãî âòîðè÷íîé îáìîòêå äâóõïîëóïåðèîäíîãî âûïðÿìèòåëÿ [1]. Ïîñëåäîâàòåëüíî ñ áàòàðååé âêëþ÷àþò ìîùíûé ðåîñòàò äëÿ óñòàíîâêè íåîáõîäèìîãî çàðÿäíîãî òîêà. Îäíàêî òàêàÿ êîíñòðóêöèÿ ïîëó÷àåòñÿ î÷åíü ãðîìîçäêîé è èçëèøíå ýíåðãîåìêîé, à äðóãîå ñïîñîáû ðåãóëèðîâàíèÿ çàðÿäíîãî òîêà îáû÷íî åå ñóùåñòâåííî óñëîæíÿþò.  ïðîìûøëåííûõ çàðÿäíûõ óñòðîéñòâàõ äëÿ âûïðÿìëåíèÿ çàðÿäíîãî òîêà è èçìåíåíèÿ åãî çíà÷åíèÿ èíîãäà ïðèìåíÿþò òðèíèñòîðû ÊÓ202Ã. Çäåñü ñëåäóåò çàìåòèòü, ÷òî ïðÿìîå íàïðÿæåíèå íà âêëþ÷åííûõ òðèíèñòîðàõ ïðè áîëüøîì çàðÿäíîì òîêå ìîæåò äîñòèãàòü 1,5 Â. Èç-çà ýòîãî îíè ñèëüíî íàãðåâàþòñÿ, à ïî ïàñïîðòó òåìïåðàòóðà êîðïóñà òðèíèñòîðà íå äîëæíà ïðåâûøàòü +85°Ñ.  òàêèõ óñòðîéñòâàõ ïðèõîäèòñÿ ïðèíèìàòü ìåðû ïî îãðàíè÷åíèþ è òåìïåðàòóðíîé ñòàáèëèçàöèè çàðÿäíîãî òîêà, ÷òî ïðèâîäèò ê äàëüíåéøåìó èõ óñëîæíåíèþ è óäîðîæàíèþ. Îïèñûâàåìîå íèæå ñðàâíèòåëüíî ïðîñòîå çàðÿäíîå óñòðîéñòâî èìååò øèðîêèå ïðåäåëû ðåãóëèðîâàíèÿ çàðÿäíîãî òîêà - ïðàêòè÷åñêè îò íóëÿ äî 10 À - è ìîæåò áûòü èñïîëüçîâàíî äëÿ çàðÿäêè ðàçëè÷íûõ ñòàðòåðíûõ áàòàðåé àêêóìóëÿòîðîâ íà íàïðÿæåíèå 12 Â.

 îñíîâó óñòðîéñòâà (ñì. ñõåìó) ïîëîæåí ñèìèñòîðíûé ðåãóëÿòîð, îïóáëèêîâàííûé â [2], ñ äîïîëíèòåëüíî ââåäåííûìè ìàëîìîùíûì äèîäíûì ìîñòîì VD1 - VD4 è ðåçèñòîðàìè R3 è R5. Ïîñëå ïîäêëþ÷åíèÿ óñòðîéñòâà ê ñåòè ïðè ïëþñîâîì åå ïîëóïåðèîäå (ïëþñ íà âåðõíåì ïî ñõåìå ïðîâîäå) íà÷èíàåò çàðÿæàòüñÿ êîíäåíñàòîð Ñ2 ÷åðåç ðåçèñòîð R3, äèîä VD1 è ïîñëåäîâàòåëüíî ñîåäèíåííûå ðåçèñòîðû R1 è R2. Ïðè ìèíóñîâîì ïîëóïåðèîäå ñåòè ýòîò êîíäåíñàòîð çàðÿæàåòñÿ ÷åðåç òå æå ðåçèñòîðû R2 è R1, äèîä VD2 è ðåçèñòîð R5.  îáîèõ ñëó÷àÿõ êîíäåíñàòîð çàðÿæàåòñÿ äî îäíîãî è òîãî æå íàïðÿæåíèÿ, ìåíÿåòñÿ òîëüêî ïîëÿðíîñòü çàðÿäêè. Êàê òîëüêî íàïðÿæåíèå íà êîíäåíñàòî-ðå äîñòèãíåò ïîðîãà çàæèãàíèÿ íåîíîâîé ëàìïû HL1, îíà çàæèãàåòñÿ è êîíäåíñàòîð áûñòðî ðàçðÿæàåòñÿ ÷åðåç ëàìïó è óïðàâëÿþùèé ýëåêòðîä ñììèñòîðà VS1. Ïðè ýòîì ñèìèñòîð îòêðûâàåòñÿ.  êîíöå ïîëóïåðèîäà ñèìèñòîð çàêðûâàåòñÿ. Îïèñàííûé ïðîöåññ ïîâòîðÿåòñÿ â êàæäîì ïîëóïåðèîäå ñåòè. Îáùåèçâåñòíî, íàïðèìåð èç [1], ÷òî óïðàâëåíèå òèðèñòîðîì ïîñðåäñòâîì êîðîòêîãî èìïóëüñà èìååò òîò íåäîñòàòîê, ÷òî ïðè èíäóêòèâíîé èëè âûñîêîîìíîé àêòèâíîé íàãðóçêå àíîäíûé òîê ïðèáîðà ìîæåò íå óñïåòü äîñòèãíóòü çíà÷åíèÿ òîêà óäåðæàíèÿ çà âðåìÿ äåéñòâèÿ óïðàâëÿþùåãî èìïóëüñà. Îäíîé èç ìåð ïî óñòðàíåíèþ ýòîãî íåäîñòàòêà ÿâëÿåòñÿ âêëþ÷åíèå ïàðàëëåëüíî íàãðóçêå ðåçèñòîðà.  îïèñûâàåìîì çàðÿäíîì óñòðîéñòâå ïîñëå âêëþ÷åíèÿ ñèìèñòîðà VS1 åãî îñíîâíîé òîê ïðîòåêàåò íå òîëüêî ÷åðåç ïåðâè÷íóþ îáìîòêó òðàíñôîðìàòîðà Ò1, íî è ÷åðåç îäèí èç ðåçèñòîðîâ - R3 èëè R5, êîòîðûå â çàâèñèìîñòè îò ïîëÿðíîñòè ïîëóïåðèîäà ñåòåâîãî íàïðÿæåíèÿ ïîî÷åðåäíî ïîäêëþ÷àþòñÿ ïàðàëëåëüíî ïåðâè÷íîé îáìîòêå òðàíñôîðìàòîðà äèîäàìè VD4 è VD3 ñîîòâåòñòâåííî. Ýòîé æå öåëè ñëóæèò è ìîùíûé ðåçèñòîð R6, ÿâëÿþùèéñÿ íàãðóçêîé âûïðÿìèòåëÿ VD5, VD6. Ðåçèñòîð R6, õðîìå òîãî, ôîðìèðóåò èìïóëüñû ðàçðÿäíîãî òîêà, êîòîðûå, êàê óòâåðæäàåò [Ç], ïðîäëåâàþò ñðîê ñëóæáû áàòàðåè. Îñíîâíûì óçëîì óñòðîéñòâà ÿâëÿåòñÿ òðàíñôîðìàòîð Ò1. Åãî ìîæíî èçãîòîâèòü íà áàçå ëàáîðàòîðíîãî òðàíñôîðìàòîðà ËÀÒÐ-2Ì, èçîëèðîâàâ åãî îáìîòêó (îíà áóäåò ïåðâè÷íîé) òðåìÿ ñëîÿìè ëàêîòêà-íè è íàìîòàâ âòîðè÷íóþ îáìîòêó, ñîñòîÿùóþ èç 80 âèòêîâ èçîëèðîâàííîãî ìåäíîãî ïðîâîäà ñå÷åíèåì íå ìåíåå 3 ìì2, ñ îòâîäîì îò ñåðåäèíû. Òðàíñôîðìàòîð è âûïðÿìèòåëü ìîæíî çàèìñòâîâàòü òàêæå èç èñòî÷íèêà ïèòàíèÿ, îïóáëèêîâàííîãî â [4]. Ïðè ñàìîñòîÿòåëüíîì èçãîòîâëåíèè òðàíñôîðìàòîðà ìîæíî âîñïîëüçîâàòüñÿ ìåòîäèêîé ðàñ÷åòà, èçëîæåííîé â [5]; â ýòîì ñëó÷àå çàäàþòñÿ íàïðÿæåíèåì íà âòîðè÷íîé îáìîòêå 20  ïðè òîêå 10 À.
Êîíäåíñàòîðû Ñ1 è Ñ2 - ÌÁÌ èëè äðóãèå íà íàïðÿæåíèå íå ìåíåå 400 è 160  ñîîòâåòñòâåííî. Ðåçèñòîðû R1 è R2 -ÑÏ 1-1 è ÑÏÇ-45 ñîîòâåòñòâåííî. Äèîäû VD1-VD4 -Ä226, Ä226Á èëè ÊÄ105Á. Íåîíîâàÿ ëàìïà HL1 - ÈÍ-3, ÈÍ-ÇÀ; î÷åíü æåëàòåëüíî ïðèìåíÿòü ëàìïó ñ îäèíàêîâûìè ïî êîíñòðóêöèè è ðàçìåðàì ýëåêòðîäàìè - ýòî îáåñïå÷èò ñèììåòðè÷íîñòü èìïóëüñîâ òîêà ÷åðåç ïåðâè÷íóþ îáìîòêó òðàíñôîðìàòîðà. Äèîäû ÊÄ202À ìîæíî çàìåíèòü íà ëþáûå èç ýòîé ñåðèè, à òàêæå íà Ä242, Ä242À èëè äðóãèå ñî ñðåäíèì ïðÿìèì òîíîì íå ìåíåå 5 À. Äèîä ðàçìåùàþò íà äþðàëþìèíèåâîé òåïëîîòâîäÿùåé ïëàñòèíå ñ ïîëåçíîé ïëîùàäüþ ïîâåðõíîñòè. ðàññåÿíèÿ íå ìåíåå 120 ñì2. Ñèìèñòîð òàêæå ñëåäóåò óêðåïèòü íà òñïëîîòâîäÿùåé ïëàñòèíå ïðèìåðíî âäâîå ìåíüøåé ïëîùàäè ïîâåðõíîñòè. Ðåçèñòîð R6 - ÏÝÂ-10; åãî ìîæíî çàìåíèòü ïÿòüþ ïàðàëëåëüíî ñîåäèíåííûìè ðåçèñòîðàìè ÌËÒ-2 ñîïðîòèâëåíèåì 110 Îì. Óñòðîéñòâî ñîáèðàþò â ïðî÷íîé êîðîáêå èç èçîëÿöèîííîãî ìàòåðèàëà (ôàíåðû, òåêñòîëèòà è ò.ï.).  âåðõíåé åå ñòåíêå è â äíå ñëåäóåò ïðîñâåðëèòü âåíòèëÿöèîííûå îòâåðñòèÿ. Ðàçìåùåíèå äåòàëåé â êîðîáêå - ïðîèçâîëüíîå. Ðåçèñòîð R1 ("Çàðÿäíûé òîê") ìîíòèðóþò íà ëèöåâîé ïàíåëè, ê ðó÷êå ïðèêðåïëÿþò íåáîëüøóþ ñòðåëêó, à ïîä íåé - øêàëó. Öåïè, íåñóùèå íàãðóçî÷íûé òîê, íåîáõîäèìî âûïîëíÿòü ïðîâîäîì ìàðêè ÌÃØÂ ñå÷åíèåì 2,5...3 ìì2. Ïðè íàëàæèâàíèè óñòðîéñòâà ñíà÷àëà óñòàíàâëèâàþò òðåáóåìûé ïðåäåë çàðÿäíîãî òîêà (íî íå áîëåå 10 À) ðåçèñòîðîì R2. Äëÿ ýòîãî ê âûõîäó óñòðîéñòâà ÷åðåç àìïåðìåòð íà 10 À ïîäêëþ÷àþò áàòàðåþ àêêóìóëÿòîðîâ, ñòðîãî ñîáëþäàÿ ïîëÿðíîñòü. Äâèæîê ðåçèñòîðà R1 ïåðåâîäÿò â. êðàéíåå âåðõíåå ïî ñõåìå ïîëîæåíèå, ðåçèñòîðà R2 - â êðàéíåå íèæíåå, è âêëþ÷àþò óñòðîéñòâî â ñåòü. Ïåðåìåùàÿ äâèæîê ðåçèñòîðà R2, óñòàíàâëèâàþò íåîáõîäèìîå çíà÷åíèå ìàêñèìàëüíîãî çàðÿäíîãî òîêà. Çàêëþ÷èòåëüíàÿ îïåðàöèÿ - êàëèáðîâêà øêàëû ðåçèñòîðà R1 â àìïåðàõ ïî îáðàçöîâîìó àìïåðìåòðó.  ïðîöåññå çàðÿäêè òîê ÷åðåç áàòàðåþ èçìåíÿåòñÿ, óìåíüøàÿñü ê êîíöó ïðèìåðíî íà 20%. Ïîýòîìó ïåðåä çàðÿäêîé óñòàíàâëèâàþò íà÷àëüíûé òîê áàòàðåè íåñêîëüêî áîëüøèì íîìèíàëüíîãî çíà÷åíèÿ (ïðèìåðíî íà 10%). Îêîí÷àíèå çàðÿäêè îïðàâëÿþò ïî ïëîòíîñòè ýëåêòðîëèòà èëè âîëüòìåòðîì - íàïðÿæåíèå îòêëþ÷åííîé áàòàðåè äîëæíî áûòü â ïðåäåëàõ 13,8...14,2 Â.
Âìåñòî ðåçèñòîðà R6 ìîæíî óñòàíîâèòü ëàìïó íàêàëèâàíèÿ íà íàïðÿæåíèå 12  ìîùíîñòüþ îêîëî 10 Âò, ðàçìåñòèâ åå ñíàðóæè êîðïóñà. Îíà èíäèðîâàëà áû ïîäêëþ÷åíèå çàðÿäíîãî óñòðîéñòâà ê àêêóìóëÿòîðíîé áàòàðåå è îäíîâðåìåííî, îñâåùàëà áû ðàáî÷åå ìåñòî.
Ëèòåðàòóðà:
1. Ýíåðãåòè÷åñêàÿ ýëåêòðîíèêà. Ñïðàâî÷íîå
ïîñîáèå ïîä ðåä. Â.À.Ëàáóíöîâà - 1987. ñ.280. 281, 426. 427.
2. Ôîìèí Â. Ñèìèñòîðèûé ðåãóëÿòîð ìîùíîñòè. -
Ðàäèî, 1981. ¹ 7, ñ.63.
3. ÇÄÐÎÊ À. Ã. Âûïðÿìèòåëüíûå óñòðîéñòâà
ñòàáèëèçàöèè íàïðÿæåíèÿ è çàðÿäà àêêóìóëÿòîðîâ -
Ì.: Ýíåðãîàòîìèçäàò, 1988.
4. Ãâîçäèöêèé Ã. Èñòî÷íèê ïèòàíèÿ ïîâûøåííîé
ìîùíîñòè.-Ðàäèî, 1992.¹ 4, ñ.43-44..
5. Íèêîëàåâ Þ. Ñàìîäåëüíûé áëîê ïèòàíèÿ? Íåò íè÷òî
ïðîùå. - Ðàäèî, 1992, ¹ 4. ñ. 53,54.
Í.ÒÀËÀÍÎÂ, Â.ÔÎÌÈÍ, ã. Íèæíèé Íîâãîðîä, ÐÀÄÈÎ ¹ 7, 94 ã.