
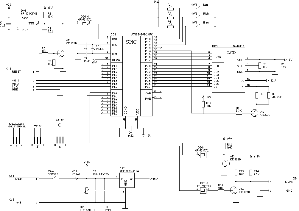
1. Описание
«Индикатор М1.5.4» предназначен для отображения в режиме реального времени значений внутренних переменных и кодов неисправностей системы управления двигателем с распределенным впрыском топлива и контроллером Bosch M1.5.4. «Индикатор М1.5.4» имеет два режима работы: режим отображения значения внутренней переменной, выбранной пользователем и режим отображения кодов неисправностей. После включения «Индикатор М1.5.4» автоматически переходим в режим отображения значений внутренних переменных и показывает значение той переменной, которая отображалась до выключения «Индикатора М1.5.4». «Индикатор М1.5.4» отображает в режиме реального времени одну из следующих переменных:
Перебор отображаемых параметров осуществляется кнопками «Влево» и «Вправо». Для перехода в режим отображения кодов неисправностей необходимо нажать и отпустить кнопку «Ввод». При этом «Индикатор М1.5.4» считает из блока управления коды неисправностей и отобразит на дисплее их число. Если коды неисправностей обнаружены, то их можно пролистать кнопками «Влево» и «Вправо». Выход из режима просмотра кодов неисправностей в режим отображения значений внутренних переменных происходит при повторном нажатии кнопки «Ввод».
2. Информация по подключению
Если Ваш автомобиль не оборудован иммобилайзером, то связь информационной линии диагностического интерфейса (K-Line) блока управления и контакта «М» колодки диагностики, к которому подключается контакт 1 разъема X3 «Индикатора М1.5.4», разорвана. Для исправления этой ситуации необходимо поставить перемычку между выводами 9 и 18 колодки для подключения иммобилайзера. Если Вам уже делали диагностику в автосервисе, то, скорее всего, данная перемычка уже установлена. Питание (+АКБ) на «Индикатор М1.5.4» рекомендуется подавать с контакта 87 главного реле системы впрыска. При этом «Индикатор М1.5.4» будет автоматически включаться при включении зажигания и выключаться при выключении зажигания.
3. Важное замечание
После включения зажигания контроллер Bosch M1.5.4 пытается установить связь с иммобилайзером. Если Ваш автомобиль не оборудован имобилайзером, то сигналы к иммобилайзеру попадут на вход «Индикатора М1.5.4». Если в момент установки связи контроллера двигателя с иммобилайзером «Индикатор М1.5.4» подключен к диагности-ческой линии и работает на передачу, то двигатель может заглохнуть. Для исключения этой ситуации «Индикатор М1.5.4» после включения делает паузу 3 секунды до первой попытки подключиться к контроллеру двигателя. К автомобилям, оборудованным иммобилайзером, все вышесказанное не относится. В файле prog.zip находятся исходники модулей управляющей программы на языках ASSM и C для компилятора FSI.
Автор проекта: Александр Алехин (E-mail: 2465.g23@g23.relcom.ru)
Прошу всех сделавших данное изделие отозваться — во-первых, я, наверно, буду модернизировать прибор и смогу выслать обновленную программу, во-вторых, хотелось бы услышать мнение пользователей, их замечания и предложения.