Тахометр для автомобиля с линейной шкалой.

В журнале "Радио" был описан квазианалоговый автомобильный бортовой тахометр [1]. Шкала этого прибора по способу индикации относится к типу "бегающая точка", т.е. текущее значение измеряемого параметра в любой момент высвечивает один светодиод шкалы, а остальные выключены. Такая шкала зрительно хорошо имитирует стрелку, отличается малым потреблением тока, но ее показания трудно считывать при дневном свете из-за недостаточной яркости. Как показывает практика, большее удобство обеспечивает линейная шкала, у которой каждому дискретному значению измеряемого параметра соответствует определенная длина линейки включенных светодиодов. Такая шкала находит широкое применение в бытовой звукоусилительной технике для индикации уровня выходного сигнала. Линейная шкала позволяет водителю оценить частоту вращения коленчатого вала двигателя автомобиля даже при беглом взгляде на панель приборов. Описанный ниже квазианалоговый тахометр оснащен линейной светодиодной шкалой. По остальным показателям он аналогичен описан ному в [1].

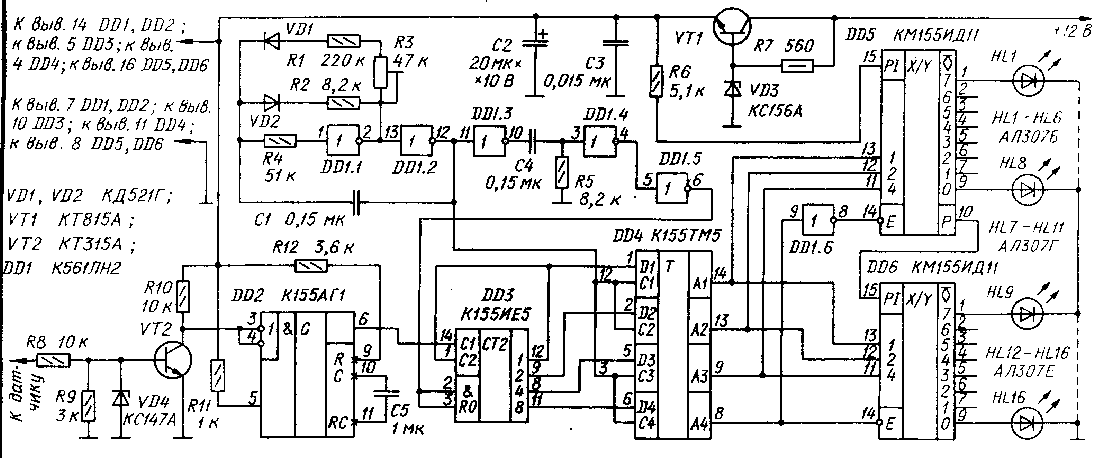
Схема тахометра представлена на рис. 1. В устройстве использованы два дешифратора КМ155ИД11 (об особенностях их работы можно прочитать в [2]). Преобразователь выходного сигнала куровню ТТЛ выполнен в виде инвертора на транзисторе VT2. В связи с тем, что этот тахометр потребляет больший ток, чем исходный вариант, в стабилизаторе напряжения применен более мощный транзистор VT1 (его необходимо установить на теплоотвод площадью не менее 20 см^2).

Чертеж печатной платы тахометра изображен на рис.2. Вместо транзистора КТ815А можно применить любой из этой серии. Транзистор КТ315А можно заменить любым из серии КТ315.

ЛИТЕРАТУРА:
1-Чуднов В. Квазианалоговый тахометр.-- Радио, 1992, N8. с.25, 26.
2. Алексеев С. Применение микросхем серии K155.- Радио. 1989. N12. с.78-80.

В.ЧУДНОВ, г.Раменское Московской обл.

Назад