Этот тахометр предназначен для использования при регулировке холостого хода карбюраторов двигателей внутреннего сгорания. Его можно использовать и для контроля частоты вращения вала автомобильных или лодочных двигателей во время движения. Принцип работы заимствован из статьи А. Бирюкова в журнале «Радио»«Цифровой тахометр» - 1997, №11, с. 54, 55. Для увеличения точности измерения оборотов введен предел измерения 3 секунды. Тахометр имеет три разряда индикации с пределом измерения от 60 мин-1 до 7800 мин-1. Погрешность измерения на пределе 1 секунда равна 30 мин-1, а на пределе 3 секунды – 10 мин-1. Нижний предел ограничен погрешностью измерения, а верхний - количеством прерываний между индикацией. Из-за чего индикация разрядов становится прерывистой. В статье-прототипе указана неверная формула [(2Nx3)/60] для вычисления частоты вращения коленчатого вала. Поскольку за один оборот коленчатого вала двигателя происходит два искрообразования, то мы подсчитываем за одну секунду 2N импульсов. Т.е. в два раза большее количество, чем произошло оборотов (N). Чтобы получить значение оборотов в минуту, необходимо умножить значение оборотов за секунду на 60 (Nsx60=Nm). Так как мы подсчитываем число импульсов не N, а 2N, то умножать нужно уже не на 60, а на 30. А поскольку аппаратно мы отбрасываем разряд единиц, то фактически делим значение оборотов на 10. Из этого следует расчетная формула: Nm=2Nsx3 мин-1. Где Nm – значение оборотов в минуту, 2Ns – число импульсов с прерывателя за одну секунду. Если подсчитывать число импульсов за 3 секунды, то Nm=2Ns мин-1. Таким образом, подсчитанное число импульсов за секунду достаточно умножить на 3 и перекодировать в двоично-десятичное, чтобы получить значение оборотов в минуту без единиц. А на пределе 3-х секунд просто перекодировать полученное значение. Показания индикатора равные 100 будут соответствовать значению 1000 мин-1.
Тахометр реализован на одной микросхеме микроконтроллера PIC16F84A. Алгоритм программы тахометра представлен на рисунке 1.

После включения питания происходит начальная инициализация всех регистров с последующей индикацией. После инициализации вступает в работу таймер TMR0. Таймер имеет коэффициент деления равный 256, что вместе с предделителем, имеющим коэффициент деления равный 32, и циклом процессора равным 4, дает прерывания каждую секунду (4х32х256=32768). При замыкании контактов прерывателя с входа RB0 также происходит прерывание. При прерывании сохраняются значения регистров, задействованных на момент прерывания, и определяется происхождение прерывания. Если прерывание с входа RB0, то двоичный 16-ти разрядный счетчик увеличивается на единицу. Таким образом, подсчитывается количество прерываний с входа RB0 между прерываниями от переполнения таймера, то есть за 1 секунду. Каждое прерывание заканчивается восстановлением ранее сохраненных значений регистров, и процессор переключается на работу с индикацией. Если прерывание произошло по переполнению таймера, то определяется состояние переключателя предела измерения и, если переключатель на пределе одной секунды, двоичное значение 16-ти разрядного счетчика умножается на 3 (2Nx3). 16-ти разрядный счетчик обнуляется, готовясь к новому циклу измерения. Полученное двоичное значение перекодируется в трехразрядное двоично-десятичное число и переписывается в регистры индикации. После восстановления значений регистров индикация происходит с новыми данными. То есть индикация обновляется каждую секунду. Если установлен предел измерения равный 3 секундам, то при переполнении таймера значение счетчика секунд увеличивается на единицу. Если значение счетчика секунд еще не равно трем, прерывание завершается без обнуления 16-ти разрядного счетчика. В противном случае, в 16-ти разрядном счетчике накапливается количество прерываний с входа RB0 за три секунды. Это значение перекодируется в двоично-десятичное число и переписывается в регистры индикации. Двоичный счетчик обнуляется и цикл повторяется. В данном случае индикация обновляется каждые три секунды.
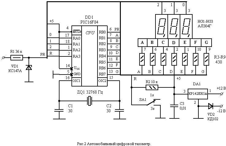
Схема тахометра показана на рисунке 2.

Входной сигнал с контактов прерывателя стабилизируется стабилитроном VD1 на уровень ТТЛ и подается на вход RB0. При бесконтактной системе зажигания сигнал снимается с выхода коммутатора, выдающего перепад напряжения 3 В. Этого напряжения достаточно для срабатывания микроконтроллера. Входы RA0-RA2 коммутируют аноды светодиодов, реализуя динамическую индикацию. Вход RA3 нагружен переключателем предела измерения «1s-3s». Внутренние подтягивающие резисторы на входах микроконтроллера программно отключены для исключения влияния на входной сигнал, поэтому возникла необходимость в установке резистора R2. Входы RB1-RB7 использованы для вывода значений сегментов. Поскольку микроконтроллер работает при верхнем питающем напряжении 6 В, то микросхему стабилизатора напряжения КР142ЕН5 можно взять с любой буквой, обеспечивающей это напряжение. Потребляемый тахометром ток около 25 миллиампер, поэтому микросхема стабилизатора напряжения не нуждается в радиаторе. Диод VD2 защищает прибор от переполюсовки. Если тахометр будет использоваться при регулировке карбюраторов, то светодиоды АЛ304Г нежелательно заменять светодиодами с большими размерами цифр.
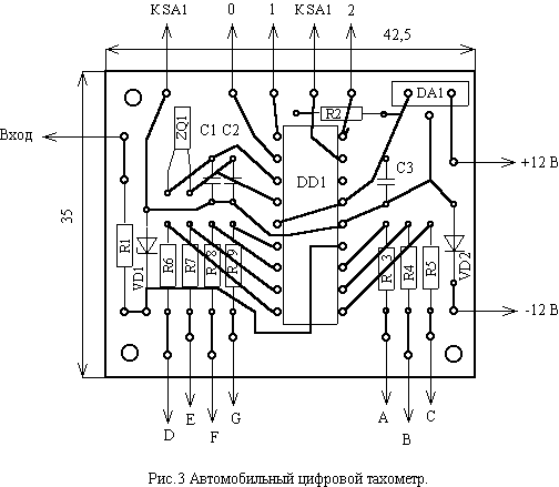
Топология печатной платы и расположение элементов на ней показаны на рисунке 3.

Печатная плата может быть выполнена на одностороннем фольгированном стеклотекстолите, однако лучше сделать ее из двухстороннего стеклотекстолита. Фольгу со стороны установки элементов необходимо использовать в качестве экрана, раззенковав отверстия установки элементов сверлом большего диаметра. Это улучшит помехозащищенность прибора, особенно если высоковольтные провода двигателя имеют микротрещины. После монтажа элементов выводы кварцевого резонатора ZQ1 и микросхемы стабилизатора DA1 изгибают так, чтобы резонатор и микросхема были параллельны плате.
Печатная плата индикаторов со стороны их установки показана на рисунке 4.

Тонкими линиями обозначены проводники, идущие с обратной стороны платы. При монтаже и пайке выводов с изгибом по краю корпуса необходимо действовать аккуратно и быстро, чтобы не повредить соединение внутри пластмассового корпуса светодиода. Для желающих на плате предусмотрен вывод сегмента запятой во втором разряде, чтобы отделить значение тысяч. Его необходимо подключить через резистор 430-510 Ом на минус 5 В. Тахометр в настройке не нуждается. Только необходимо перед установкой проверить кварцевый резонатор на соответствие его номинальной частоте. В противном случае придется корректировать частоту кварца в готовом приборе параллельным или последовательным подключением к нему корректирующих конденсаторов, что не предусмотрено конструкцией платы.
Проверку работоспособности тахометра можно выполнить при помощи любого низкочастотного импульсного генератора. Зависимость частоты FГц от показаний тахометра N мин-1 следующая: FГц х 3 = N мин-1. И наоборот, чтобы иметь представление о частоте вращения коленчатого вала в Герцах, необходимо показания тахометра разделить на три. Например, если подать на вход тахометра частоту 100 Гц, то показания индикатора должны быть равны 300, что соответствует 3000 мин-1. При показании тахометра равном150 (соответствует 1500 мин-1), частота вращения коленчатого вала в Герцах будет равна 50 Гц. Для определения частоты вращения двухцилиндровых двигателей, например, автомобилей «Ока» показания тахометра необходимо умножать на два.
Файлы .hex и .asm (52,5 Кб) сгенерированные ассемблером MPLAB можно взять здесь.