Это устройство предназначено для фазового регулирования мощности в трехфазных электротепловых установках народнохозяйственного назначения. Допустимая мощность нагрузки в первую очередь зависит от мощности коммутирующих элементов регулятора. С не меньшим успехом он может работать и в однофазных сетях, а также с нагрузкой меньшей мощности. Особенность регулятора состоит в том, что значение угла управления может быть задано в цифровом виде; иными словами, мощностью нагрузки может управлять микропроцессор. В регуляторе использован импульсный метод регулирования коммутирующими элементами — симметричными тиристорами. Время фазового регулирования определяет число разрядов в счетчике узла управления и период сетевого напряжения. Структурная схема трехфазного варианта регулятора изображена на рис. 1.

Цифровой код регулирования от
управляющего микропроцессора поступает на вход
трех одинаковых по схеме узлов управления —
каналов А, В и С. Фазовая информация, необходимая
для работы каждого канала, поступает от
трехфазной сети питания нагрузки. Каждый канал
вырабатывает сигнал управления своим
симистором. Для питания цепей каналов служит
отдельный источник стабилизированного
напряжения 5 В.
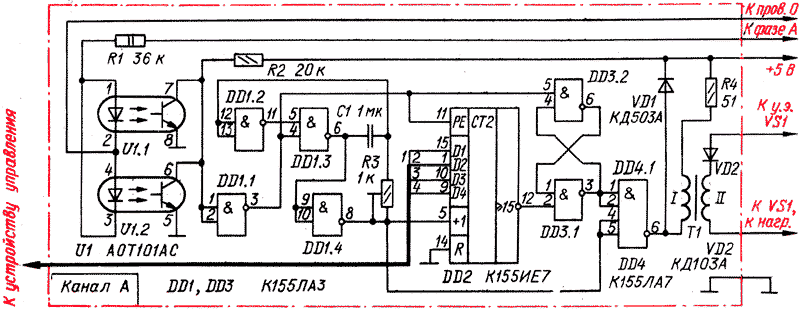
Принципиальная схема одного из каналов
представлена на рис. 2.

Синусоидальное фазное напряжение через
резистор R1 поступает к узлу синхронизации,
выполненному на сдвоенном оптроне U1. При
положительной полуволне ток протекает через
светодиод оптрона U1.1 и транзистор этого оптрона
открыт, поэтому на входах логического элемента
DD1.1 низкий уровень сигнала. При отрицательной
полуволне открыт транзистор оптрона U1.2 и
на входах элемента DD1.1 также низкий уровень.
Но в моменты, когда сетевое напряжение переходит
через нуль, оба светодиода выключены,
транзисторы оптронов закрыты, а на
входах элемента DD1.1 на короткие отрезки времени
появляется уровень 1. На выходе этого элемента
формируются прямоугольные синхроимпульсы
в моменты, когда фазное сетевое напряжение равно
нулю. Синхроимпульсы поступают одновременно на
вход разрешения записи РЕ счетчика DD2, на один из
входов RS-триггера, собранного на
элементах DD3.1, DD3.2, и на управляющий вход
генератора импульсов (на один из входов элемента
DD1.3). Когда на вход РЕ счетчика DD2 приходит
напряжение низкого уровня, то код,
зафиксированный ранее по параллельным входам
D1—D4 счетчика, загружается в него независимо от
сигналов на тактовых входах, т. е. операция
параллельной загрузки асинхронна. В исходном
положении на выходе >=15 счетчика высокий
уровень. Если счет достиг максимума, то с
приходом следующего отрицательного тактового
перепада на вход +1 счетчика на его выходе
появится уровень 0. Таким образом, на входы
RS-триггера DD3.1, DD3.2 поступают импульсы низкого
уровня: синхроимпульс с логического элемента DD1.1
и выходной импульс счетчика DD2, смещенный по
отношению к синхроимпульсу на время,
определяемое цифровым кодом на параллельных
входах D1— D4 счетчика. На выходе RS-триггера
появляется сигнал высокого уровня, разрешающий
прохождение импульсов генератора на выход
элемента совпадения DD4.1. Этот элемент формирует
пачки коротких импульсов, которые через
импульсный трансформатор Т1 поступают на
управляющий переход симистора канала и
открывают его. Импульсный трансформатор
позволяет гальванически развязать цепи канала
от сети. Ток, потребляемый всеми тремя каналами
от источника стабилизированного напряжения 5
В,— около 100 мА. Генератор импульсов выполнен на
логических элементах DD1.2—DD1.4. Частоту f г
импульсов генератора выбирают в соответствии с
зависимостью
f г = 2Fс (2n—l), Гц,
где: Fc — частота питающей сети, Гц; n —число разрядов счетчика.
Для рассматриваемого случая f г = 2*50 (24—1)=1500 Гц. Импульсный трансформатор Т1 — серийный, МИТ-4, имеющий три одинаковые обмотки по 100 витков.Налаживание регулятора мощности заключается в установке требуемой частоты генератора.
В. КАЛАШНИК г. Георгиу-Деж, Воронежской обл.