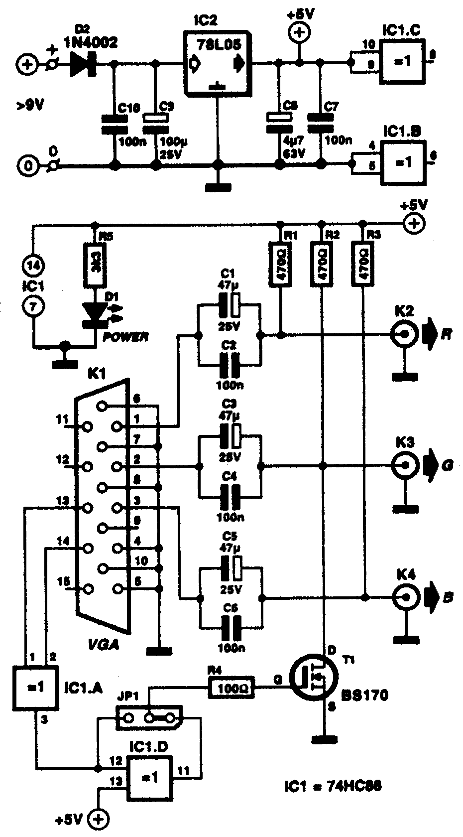
Многие профессиональные мониторы имеют только три RGB (BNC) входа и композитную синхронизацию от «зеленого» сигнала. В.Зеллер предложил переходник VGA -> BNC (см. рисунок), который позволяет подключать такие мониторы к обычным VGA-картам ПК. RGB-сигналы передаются с разъема VGA через разделительные конденсаторы С1-С6 с нагрузочными резисторами R1-R3.

Кроме того, элемент «исключающее ИЛИ» 1С1.А формирует композитный синхросигнал из разделенных кадрового и строчного синхроимпульсов (снимаемых с контактов 13 и 14 разъема VGA), который затем добавляется к «зеленому» каналу ключевым транзистором Т1. В связи с тем, что полярность синхронизации в DOS и WINDOWS режимах обычно противоположна, в устройстве предусмотрен инвертор синхросигнала IC1.D, который при необходимости вводится перемычкой JP1. С подключенным монитором переходник потребляет около 30 мА («Elektor Electronics» N 7-8/01, с.108).
РадиоХобби № 4, 2001