Система сбора информации от удаленных объектов посредством интерфейса RS485.

Возможности:

1. Управление опросом датчиков от персонального компьютера через последовательный порт.
2. Возможность подключения до 255 датчиков с индивидуальными адресами.
3. Управление через интерфейс RS232\RS485 по двухпроводной линии связи.
4. К каждому датчику может быть подключено 8 - 16 контактов (пожарная,охранная сигнализация и.т.д.)

Состав системы: Система состоит из преобразователя RS232\RS485 выполненного на оптронах (что значительно дешевле, чем применение специализированных микросхем) и собственно датчиков, построенных на процессоре ATMEL.

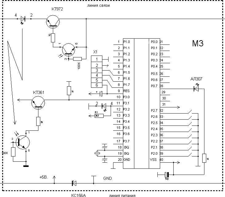
Преобразователь RS232\RS485

Преобразователь интерфейсов RS232\RS485 выполняет функцию согласования\преобразования сигналов RXD,TXD порта СОМ в токовую петлю где передача генерируется путем размыкания шлейфа,а приемная часть следит за состоянием шлейфа и преобразует его размыкания в сигнал RXD. На микросхеме 7805 выполнен стабилизатор тока,который протекая по линии через все приемники\передатчики подключается к общему проводу через транзисторный модулятор.Модулятор управляется сигналом TXD и осуществляет передачу данных в линию.Прием данных с линии отслеживается оптроном и преобразуется в сигнал RXD.

Датчик

Каждый из датчиков собран на процессоре AT89S8252,который обладает такими достоинствами,как встроенный порт аналогичный СОМ и возможность перепрограммирования прямо в схеме посредством PCI интерфейса. Немаловажно также наличие энергонезависимой памяти. Сигналы с линии связи преобразуются оптронами в стандартные ТТЛ уровни.Весь алгоритм работы (дешифрация адреса,ответ и.т.д.) выполняется по внутренней прграмме. Датчик требует для подключения 2 пары. По одной осуществляется дистанционное питание,а по второй связь с компьютером посредством RS485. Развязка выполнена на оптронах АОТ110. В линии связи постоянно протекает ток 10-15мА от плюса источника тока через все датчики к минусу источника. Любой из датчиков через оптопару и ключевой транзистор может разрывать линию на время передачи одного бита информации. В каждом датчике есть также приемный оптрон,через который отслеживаются эти разрывы шлейфа. Обмен данными стандартный по протоколу RS232. Каждому датчику присваивается индивидуальный адрес на который он отзывается. Имеется возможность подключения до 24 внешних цепей контороля. Питание по второй линии током 30мА.(все датчики соединены последовательно,если расстояние небольшое,то возможно параллельное соединение).

Система была собрана и испытана в лабораторных условиях . Программная оболочка - стандартный терминал из набора утилит NC. Число датчиков 2. Хочется отметить то преимущество,что сушествующие аналоги подобной системы(как правило импортные)весьма дороги,тогда как себестоимость данной системы достаточно низкая.

Автор проекта: Анисимов Сергей Владимирович (E-mail: zinch@ezmail.ru)

Назад