Проигрыватель компакт-дисков реализован на базе дисковода СD-ROM для компьютеров, который управляется по шине IDE контроллером. Контроллер проверен со многими дисководами CD-ROM - от 2-х до 24-х скоростных. Хорошие результаты показала работа с дисководами фирм: NEC, Philips, SONY, GoldStar, FUNAJ, MITSUMI,PANASONIC. Единственное различие в работе с ними - поддержка регулировки громкости.

В проигрывателе
реализованы следующие режимы работы:
стандартные для проигрывателей режимы
<ВОСПРОИЗВЕДЕНИЕ>, перемотка <ВПЕРЕД> и
<НАЗАД>, <ПАУЗА>, а также <ЗАГРУЗКА>
(совмещена с кнопкой <СТОП>) светодиодная
индикация основных режимов работы. 6-разрядный
цифровой индикатор времени звучания и номера
трека. автоматическое определение наличия или
отсутствия диска в дисководе и определение его
данных (количество фрагментов, общее время
звучания и т. д.) режим <ОБЗОР> - каждый
фрагмент проигрывается по 15 секунд до нажатия
любой клавиши. режим <ПЕРЕМОТКА +\-10 секунд>
возможна в процессе воспроизведения. режим
<НЕПРЕРЫВНОЕ ВОСПРОИЗВЕДЕНИЕ> - после
проигрывания последнего фрагмента проигрывание
начинается с 1-го фрагмента. блокирование клавиши
<EJECT> дисковода, работает клавиатура
контроллера (если вставлен диск). автоматическое
закрытие каретки дисковода, если она выдвинута
более чем на 15 секунд. если вставлен плохой диск,
то делается до 10-ти попыток начать
воспроизведение с заданного места. В таких
случаях воспроизведение возможно не с начала
трека, а с 10-й...15-й секунды. Не все дисководы
поддерживают режим <ГРОМКОСТЬ> (аппаратно и
программно это предусмотрено). В процессе
регулировки громкости мигает светодиод
<ПАУЗА>. При нажатии кнопки <ВРЕМЯ>
происходит смена режима индикации времени -
время с начала воспроизведения трека, время с
начала воспроизведения диска, время до конца
воспроизведения диска, длина трека, общая длина
диска.
Поддерживается отключение внешнего усилителя НЧ
в паузах (типа TDA1555Q).
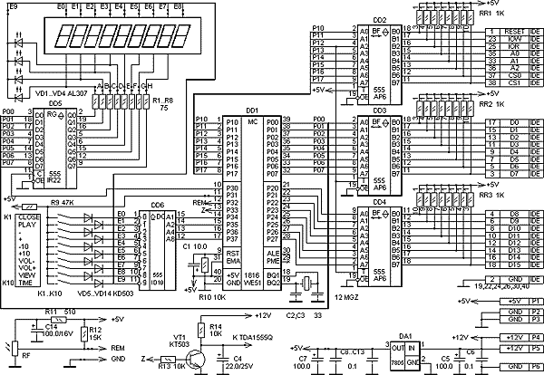
Применен процессор АТ89С51 фирмы ATMEL. Связь процессора с дисководом осуществляется посредством 3-х шинных буферов 555АП6. Регистр 555ИР22 и дешифратор 555ИД10 отвечают за индикацию и клавиатуру. Индикатор 9-разрядный, с общим катодом (применяется в АОНах), одиночные светодиоды- любые. Клавиатура - кнопочные переключатели ПКН159 или их импортные аналоги. Вывод 12 процессора зарезервирован под введение дистанционного управления (в данной модели не хватает памяти процессора - будет использоваться AT89C52 ), выв. 13 - отключение усилителя НЧ. 5-вольтовый стабилизатор размещен на плате процессора. Oн предназначен только для питания контроллера. Весь контроллер собран на двух двухсторонних печатных платах, размер конструкции идентичен размерам дисковода. На дисководе CD-ROM джампер должен быть в положении <MASTER>. Правильно собранный контроллер начинает работать сразу и в наладке не нуждается.
Схема, плата и сборочный чертеж для программы PCAD.
Схема, плата и сборочный чертеж в формате PDF.
Автор: (c) Eugene Gil, e-mail: gil_77@yahoo.com