Описание конструкции
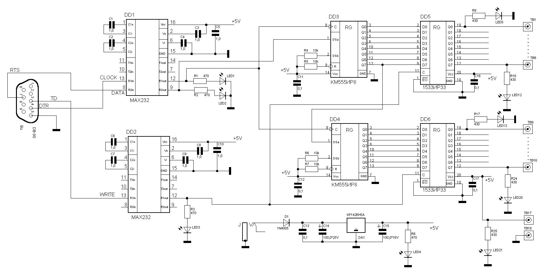
.Генератор логических уровней изготовлен в виде приставки к компьютеру. Он предназначен для управления различными цифровыми устройствами путем генерации на 16 выводах различных логических TTL уровней. Имеются также зажимы "+5V" и "земля". Генератор подключается к компьютеру через последовательный порт (COM1 или COM2). Управление осуществляется по трем линиям: RTS - такт, DTR - данные, TXD - запись. Протокол обмена данными компьютера с приставкой показан на рис.1.

Рис.1. Протокол обмена данными и рекомендуемые временные задержки.
В начале все три линии находятся в нулевом
состоянии. Затем выставляется нулевой бит
данных. Логическая единица на тактовой линии
записывает этот бит в регистр сдвига КМ555ИР8
(Рис.2.). Перед выставлением следующего бита
данных следует обнулить тактовую линию. После
записи в регистр сдвига последнего пятнадцатого
бита логическая единица подается на линию
"Запись". Этот сигнал записывает данные в
регистр 1533ИР33 и таким образом все два байта
данных одновременно подаются на выход приставки.
Детали монтируются в подходящем по размеру
пластмассовом корпусе на стандартной макетной
плате. Большинство соединений выполнено луженым
проводом (навесные - в пластиковой изоляции).
Примененные резисторы типа МЛТ-0,125; конденсаторы
- малогабаритные керамические (за исключением
электролитических); светодиоды - любые на ток 10мА
(если ток примененных светодиодов другой, то
необходимо пересчитать значения балластных
резисторов).
ВНИМАНИЕ! Автор не несет никакой ответственности за ущерб, причиненный в результате изготовления или использования приставки!
Описание программы
Программа позволяет редактировать массив данных 16*50 (16 сигналов по 50 позиций в каждом). Для удобства работы каждому сигналу можно присвоить имя. Массив данных и имена можно записывать в файл. Управление выводом данных на генератор осуществляется в двух режимах: в шаговом (выводятся данные отмеченные вертикальной линией курсора) и в непрерывном (все 50 позиций). После запуска программы открывается окно, показанное на рис.3 (за исключением поля редактирования, которое появляется при необходимости, например, после выполнения пункта меню "New" или перемещения курсора). Вывод данных в приставку будет осуществляться только после выбора порта.
Редактирование массива данных:
1. Кнопками перемещения курсора (Рис.3.) выбрать необходимую позицию;
2. Кнопками установки логического уровня определить значение выбранной позиции.
Определение названия сигнала:
1. В окне "Signal Name" набрать название;
2. С помощью пункта меню "Signal" присвоить название выбранному сигналу.
Рис.3. Программа работы с приставкой
Меню:
File - работа с файлами:
New - открытие нового поля редактирования;
Open - открытие файла;
Save As - сохранение поля редактирования в файле;
Exit - выход из программы;
Port - выбор порта;
Delay - выбор задержки перед выводом следующей группы из 16 бит (точности большое внимание не уделялось);
Signal - запись названий сигналов (набрать название в окне ввода и в меню выбрать соответствующий номер);
Test - вывод тестовых данных:
All Log "0" - на всех выводах логический нуль;
All Log "1" - на всех выводах логическая единица;
? - информация:
About - информация о программе.
Программа разработана для Windows 98 и с системой
типа Windows 2000 работать не будет. Системные
требования не критичны, если компьютер
"тянет" операционную систему, то должен
справиться и с программой. Разрешающую
способность экрана желательно брать не менее
1024х768, при 800х600 окно программы немного не
помещается. Обо всех замечаниях и пожеланиях
сообщите, пожалуйста, автору.
Программа для работы с приставкой
Автор проекта: Юрис Гризанс,
Рижский Технический университет
E-mail: grizans@rsf.rtu.lv