Есть неколько сновных вариантов джойстиков:
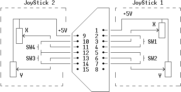
В любом из этих джойстиков стоят переменные резисторы, именно они преобразовывают движения рукоятки (руля) в сигналы понятные для компьютера. Резисторы нужны на 100КОм (подойдут и на 80КОм, и на 120КОм калибровка это исправит). Кнопки - любые, главное чтобы подходили по размерам. Схема подключения кнопок и резисторов к игровому порту:

Можно добавить Hat switch (переключатель вида), как в джойстиках от фирмы ThrustMaster:
| Название | Номинал |
|---|---|
| R1 | 22КОм |
| R2 | 20КОм |
| R3 | 20КОм |
| R4 | 18КОм |
| R5 | 2КОм |

© Угнич Антон, 2000-2001