Известно, что хорошо наладить некоторые устройства без осциллографа весьма проблематично. Однако осциллографы довольно дороги, поэтому, если у вас есть IBM-совместимый компьютер, значительно дешевле собрать относительно несложную приставку к нему, например, такую, как описываемая в публикуемой ниже статье.
| Бит | Контакт |
| Порт 378Н (базовый) | |
| 0 | 2 |
| 1 | 3 |
| 2 | 4 |
| 3 | 5 |
| 4 | 6 |
| 5 | 7 |
| 6 | 8 |
| 7 | 9 |
| Порт 379Н (ввод) | |
| 0 | 11 (инв.) |
| 1 | 10 |
| 2 | 12 |
| 3 | 13 |
| 4 | 15 |
| Биты 5-7 на разъем не выведены |
- |
| Порт 37АН (вывод) | |
| Биты 0-3 на разъем не выведены |
- |
| 4 | 17 (инв.) |
| 5 | 16 |
| 6 | 14 (инв.) |
| 7 | 1 (инв.) |
Предлагаемая двухканальная осциллографическая приставка к ПК предназначена для наблюдения и исследования формы электрических сигналов, измерения временных и амплитудных характеристик электрических процессов. Полоса пропускания каждого из каналов - 0...50 МГц, коэффициент отклонения луча - 0,1...20 В/дел., входное сопротивление - 1 МОм, входная емкость - 20 пФ, длительность развертки - от 0,1 мкс до 100 мс/дел. Минимальные требования к ПК: 386, VGA, принтерный порт, MS DOS 3.3.
На высокочастотных диапазонах устройство работает по стробоскопическому принципу, на низкочастотных - в реальном времени. Программное обеспечение допускает работу в режиме спектроанализатора. Число отсчетов сигнала, изображаемого на экране, в обычном режиме - 256, в режиме спектроанализатора - 128. Программа использует порт LPT1 (см. таблицу): базовый порт 378Н, порт сигналов состояния принтера (входной) 379Н, порт управляющих сигналов (выходной) 37АН. В программе принято, что состояние бит портов стандартно и соответствует состояниям сигналов на контактах принтерного разъема [1].
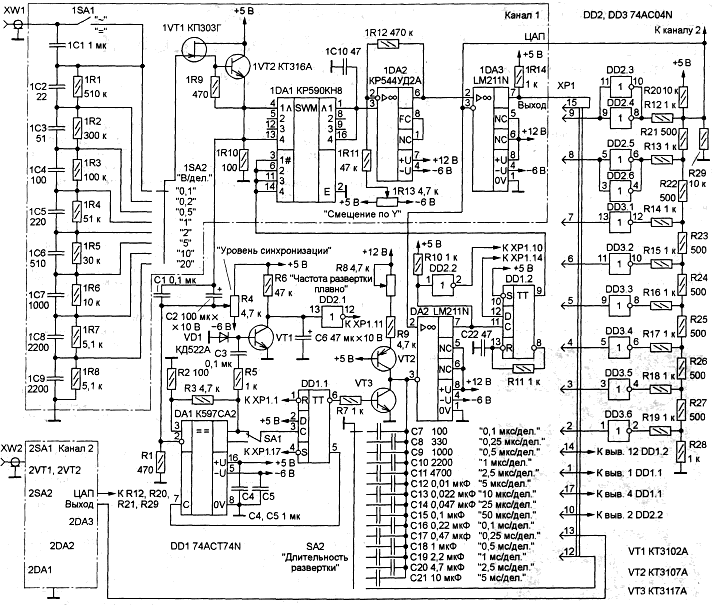
Принципиальная схема приставки изображена на рис. 1. Исследуемые сигналы через входные гнезда XW1 и XW2 поступают на резистивно-емкостные делители, состоящие из переключателей 1SA2, 2SA2, резисторов 1R1 -1R8, 2R1-2R8 и конденсаторов 1С2-1С9,2С2-2С9, которые определяют максимальный размах по вертикали (префиксы 1 и 2 здесь и далее обозначают принадлежность элементов соответственно к каналам 1 и 2). К выходам делителей через повторители на транзисторах 1VT1, 1VT2 и 2VT1, 2VT2 подключены МОП-ключи микросхемы 1DA1 (два из ее направлений использованы в канале 1, остальные - в канале 2). Ключи открываются импульсами длительностью около 10 нc, поступающими от формирователя на триггере DD1.2, и через них заряжаются конденсаторы 1С10 и 2С10, к которым подключены неинвертирующие входы ОУ 1DA2 и 2DA2. Напряжения на конденсаторах, соответствующие напряжениям сигналов в момент открывания ключей, усиливаются ОУ в 10 раз. Длительность открывающего импульса соответствует минимальной длительности фронта входного сигнала, который отобразится без искажений, т. е. определяет полосу пропускаемых частот.
Реализованное в программе измерение напряжений на выходах ОУ 1DA2 и 2DA2 путем последовательного приближения осуществляется следующим образом. Сначала в порт 378Н выставляется число 27 (на выходе ЦАП - 2,5 В) и проверяется состояние выходов компараторов (бит 3 и 4 порта 379Н). Если компаратор сработал, к указанному числу прибавляется 26, если нет - из первого вычитается второе. Затем еще раз проверяется состояние компараторов, прибавляется или вычитается 25. Процедура повторяется до прибавления или вычитания 20. Полученные в результате числа соответствуют значениям напряжения на выходах 1DA2 и 2DA2. Делитель R20R29 устанавливает пределы изменения напряжения на выходе ЦАП от 0,5 до 4,5 В. Чтобы формирователь импульсов не срабатывал при определении напряжений на выходах ОУ, на вход D триггера DD1.2 в это время подается лог. 0. Время преобразования АЦП при времени записи в порт, равном 2 мкс, составляет 2x40 мкс.
Синхронизация осуществляется в канале 1 с помощью компаратора DA1, инвертирующий вход которого через конденсаторы С1 и С2 подключен к выходу повторителя на транзисторах 1VT1 и 1VT2. Для повышения помехоустойчивости введены резисторы R2 и R3, задающие компаратору гистерезис 20 мВ. Уровень синхронизации регулируют переменным резистором R4.

Рис.1. Принципиальная схема приставки
Задержка времени от момента срабатывания компаратора DA1 до момента открывания ключей микросхемы 1DA1 устанавливается программно-аппаратно на высокочастотных диапазонах и программно - на низкочастотных. В первом случае программа, когда она готова к приему очередного значения входных сигналов, устанавливает, а затем убирает сигнал "Reset" с триггера DD1.1 (бит 7 порта 37А = "1/0", контакт 1 принтерного разъема = "0/1"). "Взведенный" таким образом триггер срабатывает при переключении компаратора DA1, и транзистор VT3 закрывается. В результате от источника тока, выполненного на элементах VT2, R8, R9,начинает заряжаться один из времязадающих конденсаторов С7-С21. Когда напряжение на нем достигает значения напряжения на выходе ЦАП, срабатывает компаратор DA2 и запускает формирователь импульса (DD1.2, R11, С22), управляющий ключами микросхемы 1DA1. Срабатывание компаратора DA2 программа определяет по значению 0 на контакте 11 принтерного разъема (бит 0 порта 379Н). После этого запускается подпрограмма определения напряжения на выходах 1DA2 и 2DA2. Величины напряжений записываются в память, в ЦАП устанавливается следующее значение, триггер DD1.1 снова "взводится", и цикл повторяется до момента, когда будет нажата какая-либо клавиша. На элементах VT1, R5, R6, VD1, СЗ, С6 реализован узел определения наличия синхронизации. Когда компаратор DA1 периодически срабатывает, на контакте 10 разъема ХР1 (бит 1 порта 379Н) присутствует лог. 1, и после "взведения" триггера DD1.1 программа дожидается срабатывания компаратора DA2. В противном случае этот триггер запускается из программы путем последовательной установки сигналов "Reset" и "Set"(биты 4, 7 порта 37А = "10/01", контакты 1, 17 принтерного разъема = "01/10"). На выходе ЦАП программно устанавливаются значения от 0 до 255, соответственно задержка от момента синхронизации до момента открывания ключей изменяется от минимального значения до максимального, и формируется изображение сигнала. Период развертки Т (в секундах на деление) определяется по формуле Т = CU/2I, где С - емкость подключенного конденсатора в фарадах; U = 4,5 В - максимальное напряжение ЦАП; I = 0,001 А - ток коллектора транзистора VT2. При большой емкости времязадающего конденсатора изображение сигнала формируется слишком медленно. Поэтому в программе реализована процедура определения его емкости, проверяющая, сколько раз программа может считать значения сигналов за время его зарядки. Если это время велико (задана большая длительность развертки), после переключения компаратора DA1 ключи коммутатора 1DA2 могут открываться несколько раз. При этом на выходе ЦАП устанавливаются промежуточные значения, а триггер DD1.1 запускается из программы путем последовательной установки сигналов "Reset" и "Set". Если выбрана длительность развертки больше 5 мс/дел. (переключатель SA2 в нижнем - по схеме - положении), задержка после переключения компаратора DA1 формируется программно. Программа "узнает" об этом по нулевому значению бита 2 порта 379Н. Триггер DD1.1 запускается из программы путем последовательной установки сигналов "Reset" и "Set" через заданные промежутки времени. Время развертки задают с клавиатуры клавишами "0"-"9". Смещение луча по вертикали изменяют переменными резисторами 1R13 и 2R13, длительность развертки (плавно) - резистором R28.
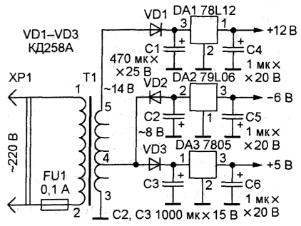
Программа написана на языке Turbo Pascal. В ней реализовано быстрое преобразование Фурье (спектроанализатор). Преобразовывается сигнал, изображенный на экране. Для того чтобы спектр был показан правильно, необходимо, чтобы на экране укладывалось целое число периодов сигнала. Этого можно добиться, подбирая длительность развертки переменным резистором R8. Подпрограмма быстрого преобразования на языке Фортран приведена в [2]. Там же можно найти пояснение способа определения спектра сигнала через преобразование Фурье. Для питания приставки необходим источник стабилизированных напряжений +12, +5, и -6 В. Потребляемый ток по цепям +12 и -6 В не превышает 50, по цепи +5 В - 150 мА. Уровень пульсаций не должен превышать 1 мВ. Можно использовать блок питания (адаптер) китайского производства на 3...12 В, 1А, доработав его, как показано на рис. 2.

Рис.2. Принципиальная схема блока питания
Приставка смонтирована на обычной макетной плате. При повторении следует учесть, что устройство чувствительно к внешним и внутренним наводкам. Например, проникание входного сигнала во времязадающую цепь может вызвать искажение формы наблюдаемого сигнала. Поэтому монтаж необходимо выполнить таким образом, чтобы связь этих цепей приставки между собой и проникание в них внешних сигналов были минимальными. Конденсаторы С4, С5 следует припаять непосредственно к выводам компаратора DA1, элементы 1DA1, 1С10, 2С10, 1DA2, 2DA2 расположить рядом. Резисторы 1R1-1R8, 2R1-2R8, конденсаторы 1С1-1С9, 2С1-2С9, С7-С21 целесообразно смонтировать на соответствующих переключателях.
В приставке можно применить следующие детали. Резисторы R12-R19, R21-R28 - с допускаемым отклонением от номинала не более ±0,25 %, например, С2-29. Номинал резисторов R12- R19, R28 - 1...10 кОм, R21-R27 - 0,5...5 кОм, причем сопротивление вторых должно быть точно в два раза меньше, чем первых (этого можно добиться параллельным соединением резисторов с номиналом первых). Остальные резисторы - любого типа с допускаемым отклонением ±5 %. В качестве времязадающих (С7-С21, 1С1 -1С8, 2С1-2С8) желательно использовать конденсаторы с возможно меньшим отклонением от номинальных значений и малым ТКЕ. Транзисторы 1VT1, 2VT1 - высокочастотные полевые с напряжением отсечки не менее 5 В (КПЗОЗГ-КПЗОЗЕ, КП307Ж и т. п.), 1VT2, 2VT2 - высокочастотные структуры n-p-n со статическим коэффициентом передачи тока п21Э не менее 50 (КТ316Д, КТ325Б, КТ325В), VT1, VT2 - любые соответствующей структуры с п21э не менее 400, VT3 - с импульсным током коллектора не менее 300 мА и рабочей частотой не менее 200 МГц (КТ3117А, 2N2222). Входные токи ОУ 1DA2 и 2DA2 должны быть не более 0,1 нА, скорость нарастания выходного напряжения - не менее 20 В/мкс (КР544УД2А, LF356). Компараторы 1DA3, 2DA3, DA2 - с коэффициентом усиления напряжения не менее 105, входными токами не более 0,5 мкА и временем переключения не более 0,5 мкс (КР554САЗ, LM211N, К521САЗ), DA1 - с временем переключения не более 15нс(КР597СА2, АМ686). В качестве микросхемы DD1 можно применить КР1594ТМ2 (74ACT74N), КР1533ТМ2 (74ALS74AN), DD2, DD3 -КР1594ЛН1 (74ACT04N), КР1554ЛН1 (74AC04N), КР1564ЛН1 (74HC04N). При использовании КР1594ТМ2 полоса частот - 0...50 МГц (в этом случае конденсатор С22 не устанавливают, a R11 заменяют резистором сопротивлением 4,7 кОм), КР1533ТМ2 - 0... 15 МГц. Применение микросхемы КР1564ЛН1 требует изменения номиналов резисторов R12 - R19, R28 и R21 - R27: сопротивление первых должно быть не менее 5 кОм, вторых - не менее 2,5 кОм (при сохранении отношений 2R/R). Сопротивление открытого канала МОП ключей 1DA1 должно быть не более 100 Ом, время включения/выключения - не более 10 не (КР590КН8, SD5002). Налаживание приставки начинают с проверки режимов входных повторителей. Если напряжения на эмиттерах 1VT1, 2VT1 выходят за пределы 1,5...2,5 В, подбирают резисторы 1R9 или 2R9. Затем, используя источник сигнала с калиброванной частотой, подбором конденсаторов С7-С21 и резистора R9 устанавливают требуемые значения частоты развертки на высокочастотных диапазонах (на низкочастотных она устанавливается программно). При работе с приставкой следует учитывать особенности стробоскопического эффекта, выражающиеся, например, в значительном искажении формы сигнала с амплитудной модуляцией, если частота модулирующего колебания близка к частоте выборки. Кроме того, компаратор DA2 вносит задержку около 300 нc, это может создать трудности при наблюдении фронтов сигналов с большой скважностью. Наибольшую пользу приставка может принести при использовании в режиме реального времени - как запоминающий осциллограф, а также при длительности развертки менее 1 мкс/дел. - как альтернатива дорогим высокочастотным приборам.
Скачать: [Программу]
Источники
Автор: А.Хабаров, г. Ковров