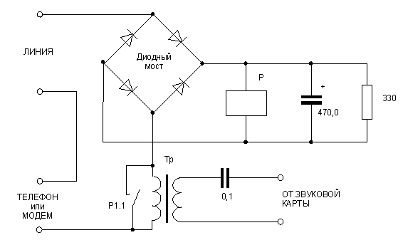
Подключение звуковой карты к телефонной линии.

Приведенная простая схема позволяет подключить выход звуковой карты (Sound Blaster) для вывода информации через телефонную линию. Трансформатор - малогабаритный с коэффициентом трансформации 10:1.

Схема

Mark-Jan, E-mail: mbast@xs4all.nl

Назад