Программатор
для микроконтролеров AT89C51/52/55.
|

|
На этом сайте вы сможете найти
описание, схему и программное обеспечене для
самостоятельного изготовления программатора
микроконтроллеров AT89C51/52/55 производства фирмы
ATMEL.
Вам не нужно нигде
регистрироваться, не нужно ничего оплачивать,
все вы можете использовать абсолютно
бесплатно.
Я, как автор, не несу НИКАКОЙ
ответственности за возможный ущерб,
недополученную выгоду в результате
неправильного или правильного использования
Вами любого ресурса, размещенного на этом сайте.
Если завтра вы опоздаете на работу, случится
мировой экономический и финансовый кризис, Земля
столкнется с кометой, я тут непричем. |
Программатор подключается к последовательному
порту компьютера. При управлении программатором
используются только стандартные функции Windows API,
поэтому программа должна работать под всеми
версиями Windows. Я проверял под Windows 98. Если у вас
что-то не работает, то пишите, буду дорабатывать.
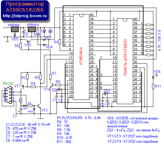
Основу
программатора составляет микроконтроллер AT90S4414.
Почему такой дорогой, спросите Вы? Да, можно было
использовать контроллер AT89C51. Но если вы только
еще собрались делать программатор, т.е. у вас его
нет, то чем вы прошьете контроллер для
программатора? AT90S4414 дороже, но имеет возможность
программирования по последовательной шине SPI.
Программатор для такой шины состоит из 3-х
резисторов, 3-х конденсаторов и кварца и
подключается к параллельному порту. Я
использовал программатор SP12 c сайта http://www.xs4all.nl/~sbolt/e-spider_prog.html.
Там вы сможете найти схему подключения к порту LPT
и программное обеспечение под различные
операционные системы: DOS/WINDOWS, LINUX и даже WINDOWS 2000!
Кстати, там вы сможете найти программатор и для
контроллеров, совместимых с семейством MSC-51 и
имеющих интерфейс SPI: AT89S8252, AT89S53.
Для более
дешевого варианта преобразователь уровней
COM-порта в ТТЛ и обратно выполнен на дискретных
элементах, хотя можно было
использовать готовые микросхемы типа DS275, MAX232, но
их нужно сначала найти и купить. А два
транзистора и пяток резисторов с конденсатором
можно найти всегда. Правда, такой вариант имеет
недостаток: уровень логического "0",
передаваемого контроллером, будет не +12 в, а всего
+5 в. Но стандарт последовательного порта
предполагает уровень логического "0" +3...+12В,
так что +5 соответствует стандарту. Эту схему
преобразователя я придумал не сам, а нашел на
сайте ATMEL www.atmel.com. Там эта
схема используется в программаторе для
микроконтроллеров семейства AVR. Там же
сообщается о том, что старые платы ввода-вывода
могут не работать при таком малом уровне
напряжения.
Ниже вы можете скачать
прошивку для контроллера AT90S4414 в форматах ROM и HEX
(SP12 понимает оба этих формата), управляющую
программу, иструкцию по сборке и проверке
программатора. Управляющая программа имеет
подробный Help.

ОПИСАНИЕ |
ФОРМАТ |
РАЗМЕР |
|
| Прошивка для
контроллера AT90S4414(ROM и НЕХ) |
RAR архив |
5505 байт |

|
| Управляющая программа
Prog51(Windows) |
RAR архив |
217 Кбайт |

|
| Краткая инструкция по
сборке |
TXT |
6 Кбайт |

|
| Схема
программатора |
GIF |
15 Кбайт |

|
| Печатная
плата |
GIF |
16 Кбайт |

|
| Все вышеперечисленное в
одном архиве |
RAR архив |
121 Кбайт |

|
|
Также вы можете скачать описания
микроконтроллеров AT89C51/52/55 и AT89S53 на английском
языке. Описаны только отличия данных
микроконтроллеров от стандартного образца 87C51.
Описание |
Формат |
Размер |
|
AT89C51 |
PDF |
125 Кбайт |
|
AT89C52 |
PDF |
125 Кбайт |
|
AT89C55 |
PDF |
620 Кбайт |
|
AT89S53 |
PDF |
483 Кбайт |
|
|
Если вы хотите полее подробно
ознакомится с микроконтроллерами фирмы Atmel и
имеете кое-какие познания в аглийском языке, то
можете сходит на официальный сайт фирмы http://www.atmel.com. Также имеется
российский сайт поддержки Atmel http://www.atmel.ru.
Правда там микроконтроллеры семейства MSC-51(AT89C51 и
др.) не уважают, в основном пишут об семействе AVR
(AT90S4414 из этих), но в разделе "вопрос-ответ"
есть ссылки на MSC-51.
Автор проекта: Александр Фомин (E-mail: fomalex@mail.ru, сайт: http://atprog.boom.ru/)
