Программатор представляет собой устройство, выполненное на печатной плате и подключаемое через параллельный порт к компьютеру типа IBM PC. Программирование осуществляется спецальной управляющей программой. Программа реализована как приложение для WIN95\WIN98.
Программатор может осуществлять запись следующих видов микросхем:
27C16(К573РФ5), 27C32, 27C64(К573РФ4), 27C128, 27C256(К573РФ8), 27C512.
Настройка на тип микросхемы осуществляется переключателями, находящимися на программаторе, а также в программе.
Программа написана на DELPHI3. Запись и чтение регистров LPT написаны с помощью ассемблерных вставок, поэтому под WINNT и WIN2000 программа работать не будет. Необходимые интервалы времени для установления и удержания стробов задаются выполнением определённого количества пустых циклов.
Ниже представлен внешний вид управляющей программы.

Файл для записи в ПЗУ должен быть в готовом двоичном формате. Запись начинается с адреса, установленного в поле "Начальный адрес", и заканчивается либо по окончании файла либо когда значение адреса превысит значение, установленное в поле "Конечный адрес".
Порядок программирования.
1. Запустить управляющую программу;
2. Выбрать в программе тип микросхемы из списка;
3. Выбрать файл для записи в ПЗУ;
4. Установить переключатели на плате в соответтствии с типом микросхемы;
5. Установить записываемую микросхему;
6. Подать на программатор напряжение питания и программирования;
7. Произвести запись.
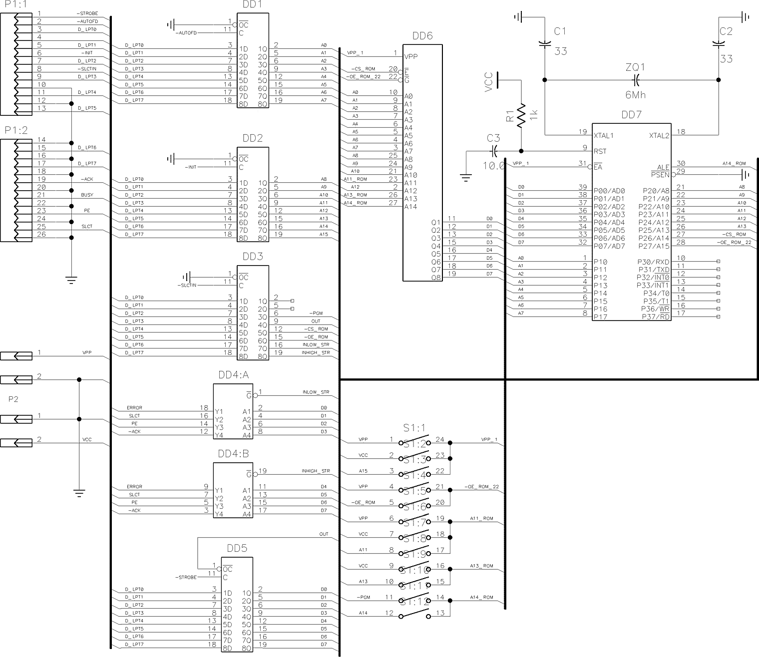
Принципиальная схема программатора.
Управление программатором осуществляется через LPT порт, который состоит из трёх регистров:
Регистр данных. D_LPT0-D_LPT7. Через этот регистр передаются данные;
Управляющий регистр. -STROBE, -AUTOFD, -INIT, -SLCTIN. Сигналы этого регистра управляют передачей данных;
Входной регистр. Через входной регистр принимаются данные из ПЗУ. Для приёма используются четыре разряда этого регистра - -ERROR, SLCT, PE, -ACK.
DD1, DD2 (555ИР22) - адресные регистры
Регистры DD1, DD2 предназначены для установки адреса ПЗУ. DD1 устанавливает младшие разряды адреса, DD2 - старшие. Запись в эти регистры происходит через шину данных LPT по переднему фронту управляющих стробов -AUTOFD и -INIT соответственно.
DD3 (555ИР22) - регистр управляющих сигналов
Регистр DD3 предназначен для выработки стробов, управляющих работой ПЗУ и шиной данных ( см. таблицу).
| Адрес | Название | Функция строба |
| 0 | Не используется | - |
| 1 | Не используется | - |
| 2 | -PGM | Запись в ПЗУ |
| 3 | OUT | Подключение DD5 к ПЗУ |
| 4 | -CS_ROM | Запись в ПЗУ или выбор кристалла |
| 5 | -OE_ROM | Установка ПЗУ на запись/чтение данных |
| 6 | INLOW_STR | Подключение DD4.1 к LPT |
| 7 | INHIGH_STR | Подключение DD4.2 к LPT |
Запись управляющего слова в регистр происходит через шину данных LPT по переднему фронту управляющего строба -SLCTIN.
DD4 (555АП5) - приёмный буфер
DD4 - два 4-х разрядных буфера, через которые принимаются данные из ПЗУ в IBM PC. Один принимает младшие 4 разряда данных другой - старшие. Такое разделение сделано из-за того, что LPT имеет только 5 входных линий. Подключение буферов к входам LPT осуществляется стробами inlow_str и inhigh_str управляющего регистра DD3 (см. таблицу).
| inlow_str | inhigh_str | LPT |
| 0 | 0 | Запрещенное состояние |
| 0 | 1 | D0-D3 |
| 1 | 0 | D4-D7 |
| 1 | 1 | Не определено |
DD5 (555ИР22) - регистр данных для записи
DD5 - 8-ми разрядный регистр данных. Этот регистр устанавливает данные для записи в ПЗУ. Запись данных в него осуществляется через шину данных LPT по переднему фронту управляющего сигнала -STROBE. Состояние выходных сигналов этого регистра зависит от строба OUT управляющего регистра DD3. При OUT=0 данные из регистра выводятся на шину данных ПЗУ, при OUT=1 выходы регистра находятся в высокоомном состоянии.
Для установки микросхем на программаторе предусмотрено два посадочных места. Одно для микросхем ПЗУ, другое для микроконтроллеров МК51 (программирование микроконтроллеров не было до конца отработано, поэтому в управляющей программе нет этого типа микросхем). В качестве посадочных колодок были использованы обычные DIP-панели.
Напряжения питания и программирования подаются на разъём P2. Напряжение программирования следует устанавливать по техническим требованиям для каждого типа микросхем.
Warning: Так как настройка на тип микросхем осуществляется переключателями, то включение устройства можно производить только после установки микросхемы и соответствующей настройке переключателей.
Вы можете загрузить следующие файлы,
относящиеся к проекту:
prog_sch.zip — архив электрической
схемы в формате ACCEL P-CAD V15
prog_pcb.zip — архив чертежа печатной
платы в формате ACCEL P-CAD V15
Автор проекта: Сергей Ростовцев (E-mail: rmsergey@chuvashia.ru)