НАЗНАЧЕНИЕ
Программирует микросхемы:
EPROM 2516, 2532, 2564, 2716, 2732, 2764, 27128, 27256, 27512, 27010, 27020, 27040, 27080, 27513, 27011, 27100 (КС1626РФ1, К573РФ2/РФ4А/РФ4Б/РФ5/РФ6/РФ7/РФ8).
Программирует и стирает микросхемы:
EEPROM 2804/16/64, 2804A/16A/17A/64A, 28256, 48016, 52864 (КМ1609РР1/РР2/РР3, К573РР2/РР3, КМ558РР2/РР3/РР4, КС1611РР2); FLASH 28F256, 28F512, 28F010, 28F020, 28F001BX-T, 28F001BX-B, 29C256, 29C512, 29C010, 29C020, 29C040.
Считывает масочные микросхемы:
2316 - 23080 (КА1603РЕ1, КР1610РЕ1).
Тестирует STATIC RAM-микросхемы:
6116, 6264, 62256, 621000, 622000 (К537РУ8/РУ10/РУ17, К581РУ5).
Дополнительно через адаптеры программируются микросхемы:
1. Микроконтроллеры 8741/42/48/49/50/51/52/53/54/58,
89C51/52 (КМ1816ВЕ48/51, КМ1830ВЕ48/751/753). ПЗУ до 64 Кбайт, три
бита защиты, шифровальная таблица 16/32/64/128 байт.
2. Микроконтроллеры AT89C1051, AT89C2051, AT89C4051 (FLASH).
3. PIC16C61/62/63/64/65/620/621/622/71/72/73/74/710/711/83/84,
FLASH PIC16F83/84/873/874/876/877;
SEEPROM 24C00/01/02/04/08/16/32/64/128/256 (1568РР1);
SEEPROM 93C06/46/56/66/76/86.
4. EPROM 271024, 272048, 274096, 271616 (16-разрядные).
5. 8755 (К573РФ10 Порт и EPROM 2 Кбайта).
6. 2920 (КМ1813ВЕ1 Цифровой процессор обработки
сигналов).
7. PLCC 27010/020/040/080,28F256/512/010/020,29C512/010/020/040.
(Адаптерами программатор комплектуется по
желанию Заказчика.)
(Подробный перечень отечественных и зарубежных аналогов приводится в справочном файле INFO.TXT.)
КРАТКОЕ ОПИСАНИЕ
Исполнение программатора - внешнее. Размеры 12*10*2 см.
Напряжения Vpp: 5.0; 10.5; 12.5; 14.5; 16.5; 19; 21; 23; 25 В.
Напряжения Vcc: 5.0; 6.0 В.
Скорость считывания информации - 4 Кбайт/сек. (Считывание микросхемы 27256 - 8 сек, программирование - 30 сек.)
Питание - автономное, от сети 220 В, 50 Гц, блок питания выполнен в виде сетевой вилки.
Программатор подключается к IBM PC-совместимому компьютеру через параллельный порт. Подключение может производиться к любому из параллельных портов компьютера (LPT1 - LPT3), номер порта определяется программой автоматически.
На программаторе установлена 32-ножечная панелька с нулевым усилием. Если микросхема имеет менее 32-х ножек, она вставляется в панельку, начиная с крайних разъемов, со стороны, противоположной ключу (положение ключа обозначено на корпусе). Во время установки микросхемы на панельке нулевой потенциал (при подаче напряжения на панельку в левом верхнем углу экрана загорается надпись <Вкл>). По типу микросхемы программатор автоматически выполняет коммутацию ножек.
Имеются: защита от перегрузок, диагностический тест, проверка соединительных разъемов на контакт, контроль установки микросхемы. Процесс тестирования непрерывный (каждые 0.3 сек). Если тест не проходит, программатор выключается и выдается сообщение "Программатор не подключен".
ПРОГРАММНОЕ ОБЕСПЕЧЕНИЕ
На программаторе отсутствуют механические переключатели. Все управление осуществляется программно.
Для работы с программатором используется программа TURBO-V6.EXE. Главное меню программы:

Скачать программу turbo61.rar , turbo62.rar - 290 kb
Программа имеет оконный интерфейс, цвет и тени, поддерживает работу с манипулятором типа "мышь", языки - английский/русский.
Цветовой режим для каждого монитора определяется программой автоматически по типу установленной карты. Пользователь по своему желанию может скорректировать предложенный вариант: подводом кур- сора к строке "Цвет" в окне "Конфигурация" и нажатием клавиши <Enter> - включить или выключить цвет, в режиме монохрома - выб- рать темный фон со светлыми буквами или наоборот.
Если в окне конфигурации включена "Адресация микросхем", можно задавать начальный и конечный адреса микросхемы и адрес буфера.
При работе с буфером микросхема EPROM 27040 программируется и считывается блоками не более 256 КБ, 512 КБ программируются в два приема, а микросхема 27080 - в четыре приема. Если памяти компьютера недостаточно, размер буфера автоматически уменьшается с 256 до 128 КБ, при этом 27020 программируется в два, 27040 - в четыре, а 27080 - в восемь приемов.
При работе напрямую из файла все микросхемы программируются и считываются за один прием. Программа сама предлагает работать не- посредственно с диском, если размер файла превышает размер буфера.
Загрузка с диска производится через
окно, надо выбрать файл и нажать клавишу
При работе с манипулятором "мышь" левая кнопка соответствует Enter, правая - Esc.
Клавиша F1 - включение/выключение секундомера, F3 - просмотр буфера, F4 - редактор буфера, Esc - прерывание любого режима, Alt+X - выход из программы.
Ниже приводится описание режима программирования. Работа в других режимах осуществляется аналогично.
Программирование
Загрузка файла в буфер, выбор типа микросхемы, напряжения прог- раммирования, длительности импульса производится через окна. В ин- формационное окно выводятся: имя загруженного файла, его размер в байтах, тип микросхемы, напряжение программирования, начальный и конечный адреса, адрес буфера, длительность импульса программиро- вания. Во время программирования в окно выводятся текущий адрес, данные и реальная длительность импульса программирования. Процесс программирования можно отслеживать по закрашивающейся полосе в нижней части окна. Если адрес не запрограммировался, в окне появляется мигающая надпись "Ошибка", ее адрес, код, записанный в EPROM, и код, который должен был записаться. При этом компьютер подает три звуковых сигнала, со всех ножек микросхемы снимается напряжение.
Имеются два режима программирования - с проверкой очистки мик- росхемы (или ее части) и без проверки.
Алгоритм программирования - "INTEL". На микросхему подаются им- пульсы программирования длительностью 1 мс (можно программно изме- нять от 0.1 до 12 мс). После каждого импульса делается проверка. Если адрес запрограммировался, подается импульс допрограммирова- ния, длительность которого равна сумме предыдущих импульсов, умно- женной на коэффициент 3 (коэффициент можно программно изменять от 1 до 6). Код FF не программируется.
Дополнительно имеется режим программирования "НЕПРЕРЫВНО", при котором можно задавать начальный и конечный импульсы программиро- вания длительностью от 10 до 99990 мкс. При ошибках записи режим программирования не прерывается, в информационное окно выводятся адреса, записанные с ошибкой, и длительность импульсов программи- рования. Если начальный импульс меньше конечного, тогда длительность импульсов будет расти пропорционально росту адресов. Это позволяет определить минимальную длительность импульса программирования, при которой микросхема начинает записываться. Также режим "НЕПРЕРЫВНО" бывает нужен при записи технологических микросхем (на корпусе - серая полоса), которые не программируются алгоритмом "INTEL".
Режим программирования "ПЛАВАЮЩИЕ БИТЫ" используется для защиты программ. В режиме считывания предусмотрена возможность повторного считывания от 2 до 4096 циклов по каждому адресу. "Плавающие" биты записываются в буфер нулями. (См. Дополнения)
Напряжение Vcc можно установить равным 6.0 В. Это бывает нужно, если микросхема не программируется при Vcc = 5.0 В.
В связи с особенностью микросхемы 27100, если микросхема имеет постраничное программирование, ее необходимо программировать неп- рерывным режимом. (См. файл INFO.TXT.)
Программируемая микросхема должна быть чистой. Стирание инфор- мации, записанной в микросхему, осуществляется путем облучения ми- кросхемы ультрафиолетовым излучением. Для засветки можно использо- вать бытовой косметический прибор "Фотон", время облучения - около трех-пяти минут.
Работа в других режимах - аналогично описанному режиму програм- мирования.
Надпись "esc" в правом нижнем углу окна означает, что из окна можно выйти, нажав клавишу Esc. Задействованы клавиши курсора, Enter, Home, End, Page Up, Page Dn, Insert, Delete, Backspace.
ПРОЧИЕ МИКРОСХЕМЫ
EPROM 25XX
Проверка очистки, считывание, программирование, проверка записи EPROM - микросхем 2532, 2564. (Микросхема EPROM 2516 - аналог мик- росхемы 2716.)
В связи с особенностями микросхем 25XX, процесс программирова- ния не совмещен с проверкой. Проверка записи производится отдель- ным режимом. Программирование осуществляется одиночным импульсом длительностью 50 мс (можно программно изменять от 1 до 60 мс).
EEPROM 28XX
Проверка очистки, считывание, программирование, проверка запи- си, стирание EEPROM - микросхем 2804, 2816, 2864, 2804A, 2816A, 2817A, 2864A, 28256, 48016, 52864, KM558PP3, KC1611PP2.
В связи с особенностями EEPROM - микросхем, процесс программи- рования не совмещен с проверкой. Проверка записи производится от- дельным режимом. Программирование осуществляется одиночным импуль- сом, длительность импульса можно программно изменять от 1 до 60мс. (См. файл INFO.TXT.)
Для микросхем 2804A, 2816A, 2817A, 2864A, 28256 наряжение программирования 5 В. (См. файл INFO.TXT.)
Стирание микросхем 2804, 2816, 2864, 2804A, 2816A, 2817A, 2864A, 28256 совмещено с записью.
Микросхемы 48016, 52864, 558PP3, 1611PP2 перед записью необхо- димо стереть. (Чистые микросхемы 48016 и 52864 можно программиро- вать, как 2716 и 2764.)
FLASH 28FXX
Проверка очистки, считывание, программирование, проверка запи- си, стирание микросхем 28F256, 28F512, 28F010, 28F020, 28F001BX-T, 28F001BX-B. Прошивка BIOS.
FLASH 29CXX
Считывание, программирование, проверка записи 29C256, 29C512, 29C010, 29C020, 29C040 (29EE011 - аналог 29C010).
Стирание микросхем производится одновременно с записью. Запись постраничная, размер сектора можно изменять от 32 до 256 байт в зависимости от модификации микросхем. После записи страницы делается пауза длительностью 10 мс (можно программно изменять от 1 до 60 мс). В связи с постраничной записью микросхем 29XXX, процесс программирования не совмещен с проверкой. Проверка записи производится отдельным режимом.
Программатор не может записывать команды "Protection Enable" и "Protection Disable", поэтому не удастся запрограммировать микросхему, если в нее записана команда "запрет записи". Если микросхема стоит в BIOSе компьютера и чтобы компьютер не смог записать в нее эту команду, можно не вставлять в панельку 31-ю ножку "WE" (разрешение записи), соединив ее с 32-й ножкой "Vcc", а BIOS перепрограммировать только программатором.
Программирование микросхем 29CXXX требует точных временных интервалов, что влияет на показания часов в программе.
Микросхемы 29FXXX и 49FXXX программатор не программирует, может только считывать.
Тестирование STATIC RAM - микросхем
Производится тестирование STATIC RAM - микросхем: 6116, 6264, 62256, 621000, 622000. Можно выбрать один или несколько алгоритмов проверки и число циклов тестирования.
АДАПТЕРЫ
Микроконтроллеры серий 8748, 8751, 8951. (Адаптер "М")
Проверка очистки, считывание, программирование, проверка записи микроконтроллеров 8741/42/44/48/49/50/51/52/53/54/58, 89C51/52.
Для программирования микроконтроллеров в панельку программатора вставляется переходной адаптер "М". Размеры адаптера 85*70 мм.
На адаптере установлены две панельки под микросхемы 8741, 8742, 8748 - 8750 и 8744, 8751 - 8758, 87C51, 87C52, рядом с каждой па- нелькой имеются надписи 48 и 51 соответственно. Для правильной установки микросхем указаны положения 1-й и 40-й ножек.
Алгоритмы программирования микроконтроллеров 8741 и 8748, 8742 и 8749 - аналогичны.
Для микроконтроллеров серии 8751 имеется запись трех битов за- щиты, запись шифровальной таблицы 16/32/64/128 байт, считывание идентификатора (См. файл INFO.TXT).
Программирование осуществляется одиночным импульсом длитель- ностью 50 мс (можно программно изменять от 1 до 60 мс). Для серии 8751 - Quick-Pulse, 25*100мкс. Для FLASH-микросхем 89C51, 89C52 импульс - FLASH 89C51.
Имеется режим стирания микросхем 89C51, 89C52.
Для микроконтроллеров серии 8748 напряжение на входе ЕМА можно программно изменять от 10.5 до 25 В, оно не должно превышать напряжения программирования. Для масочных микросхем напряжение на входе ЕМА равно 12.5 В. Если напряжения на входе ЕМА недостаточно, выдается сообщение "Программатор не подключен".
Микроконтроллеры AT89C1051, AT89C2051, AT89C4051. (Адаптер "K")
Проверка очистки, считывание, программирование, проверка записи, стирание, запись двух битов защиты, считывание идентификаторов микроконтроллеров AT89C1051, AT89C2051, AT89C4051, 89C55.
Для программирования микроконтроллеров в панельку программатора вставляется переходной адаптер "K". Размеры адаптера 45*33 мм.
Микросхемы PIC16CXX, 24CXX, 93CXX. (Адаптер "Р")
Проверка очистки, считывание, программирование, проверка записи микросхем:
Microchip PIC16C61/62/63/64/65/620/621/622/71/72/73/74/710/711/83/84, FLASH PIC16F83/84/873/874/876/877;
Serial EEPROM 24C00/01/02/04/08/16/32/65 (1568РР1);
Serial EEPROM 93C06/46/56/66/76/86.
Для программирования микросхем в панельку программатора встав- ляется переходной адаптер "Р". Размеры адаптера 55*50 мм.
На плате адаптера установлены пять
панелек под микросхемы: 40-ножечная для
PIC16C64/65/74/710/711/874/877,
28-ножечная для PIC16C62/63/72/73/873/876,
18-ножечная для PIC16C61/620/621/622/71/83/84,
8-ножечная с надписью "24" для
24C00/01/02/04/08/16/32/64/128/256,
8-ножечная с надписью "93" для 93C06/46/56/66/76/86.
Для микросхем PIC16CXX: Идентификатор
"ID": адреса 2000h - 2003h, в буфере 4000h - 4007h.
Конфигурационное слово "CFGW": адрес 2007h, в
буфере 400Eh - 400Fh.
Для PIC16C83/F83 (512*14, EEPROM 64B) адреса области данных: 2100h -
213Fh, в буфере 4200h - 427Fh.
Для PIC16C84/F84 ( 1K*14, EEPROM 64B) адреса области данных: 2100h -
213Fh, в буфере 4200h - 427Fh.
Для PIC16F8?? ( 2K*14, EEPROM 128B) адреса области данных: 2100h -
217Fh, в буфере 4200h - 42FFh.
Для PIC16F873/874 ( 4K*14, EEPROM 128B) адреса области данных: 2100h
- 217Fh, в буфере 4200h - 42FFh.
Для PIC16F876/877 ( 8K*14, EEPROM 256B) адреса области данных: 2100h
- 21FFh, в буфере 4200h - 43FFh.
Для микросхемы 24C01 протокол Microchip или Xicor выбирается программой автоматически, остальные микросхемы - протокол фирмы Microchip.
Для микросхем 93SXX имеется возможность записи и стирания регистра запрета записи (Protect Register).
При программировании микросхем серии
24XX и 93XX сигналы: "Write Protect (WP)
1568РР1, аналог 24C02, отличие: при программировании на 7-ю ножку "Write Protect" подается +5В.
При программировании микросхем 93C76/86 на 7-ю ножку "Program Enable" подается +5В. В адаптерах, выпущенных до 1.11.97г., 7-я ножка сидит на земле, поэтому, чтобы запрограммировать микросхему, надо не вставлять 7-ю ножку микросхемы в панельку, либо доработать адаптер. Для этого надо разорвать дорожку, идущую к 7-ой ножке, и поставить перемычку с 7-ой ножки на 22-ю ножку разъема, который вставляется в панельку программатора.
Микросхемы EPROM 271024, 272048, 274096, 271616. (Адаптер "А")
Для 16-разрядных микросхем EPROM 271024, 272048, 274096, 271616 предусмотрен переходной адаптер "А". При работе с ними используются алгоритмы EPROM - микросхем 27010, 27020, 27040, 27256 соответственно. Размеры адаптера 70*70 мм. Для правильной установки микросхемы указаны положения 1-й и 40-й ножек.
Микросхемы 8755, 87C55. (Адаптер "С")
Проверка очистки, считывание, программирование, проверка записи микросхем 8755 (Vpp 25В), 87C55 (Vpp 21В). Для программирования микросхем в панельку программатора вставляется адаптер "С". Размеры адаптера 55*40 мм.
Микросхема 2920. (Адаптер "Е")
Проверка очистки, считывание, программирование, проверка записи микросхемы 2920. Для программирования микросхем в панельку прог- рамматора вставляется адаптер "Е". Размеры адаптера 45*40 мм.
Микросхемы PLCC 27010/020/040/080, 28F256/512/010/020,
29C512/010/020/040.
(Адаптер "DIP-32 в PLCC-32")
Переходной адаптер DIP-32 в PLCC-32 для работы с микросхемами в корпусах PLCC. Размеры адаптера 47*23 мм.
БУФЕР (256 КБ)
Используется для:
- загрузки по заданным адресам из любого места файла в любое место буфера и записи из любого места буфера в файл (побайтно или через байт), а также загрузки с измененной ад- ресацией; программа сохраняет информацию о загруженных файлах,
- сравнения любого участка буфера с любым участком файла, проверки на возможность дозаписи в микросхему; маска позволяет сравнивать только заданные разряды,
- заполнения буфера или его части кодом, случайными числами или для выполнения логических операций AND, OR, XOR при заполнении кодом, изменения порядка расположения разрядов, перестановки местами четных и нечетных адресов,
- копирования участков буфера,
- подсчета контрольной суммы и дополнения до нуля (для BIOS-ов),
- просмотра и редактирования буфера,
- редактирования кодов знакогенератора, матрицы 8 - 48 точек,
- автоматической русификации видеоадаптеров,
- просмотра и копирования в буфер любой области RAM/ROM компью- тера (позволяет считывать BIOS, EGA, VGA и пр. непосредствен- но из памяти компьютера, их адреса определяются программой автоматически и выводятся в информационном окне).
Загрузка в буфер или запись в файл через байт позволяет рабо- тать с прошивками, когда в одной микросхеме записаны четные адре- са, в другой - нечетные. Загрузка с изменением адресации позволяет программировать с произвольным расположением адресов и данных.
При сравнении буфера с файлом, в случае
несовпадения кодов, внизу экрана появляется окно
вывода ошибки. В нем указаны поряд- ковый номер
ошибки, адрес буфера, код буфера и код файла.
Сравне- ние можно продолжить нажатием клавиши <Пробел>
или
Редактирование буфера производится следующим образом. Задается начальный адрес и на экран выводятся коды. Редактирование осущест- вляется непосредственным изменением нужных кодов (подводится кур- сор и делается замена). При необходимости область редактирования можно сдвигать, пользуясь клавишами курсора: Page Up, Page Dn, Home, End, Ctrl + Home, Ctrl + End, Tab, Ctrl + клавиши курсора, начало/конец последнего участка, загруженного в буфер: Ctrl + Page Up и Ctrl + Page Dn.
Редактирование кодов знакогенератора
отличается от режима ре- дактирования буфера тем,
что на экран выводится реальное изображе- ние
символов. Подводом курсора и нажатием клавиши
Конфигурация
Позволяет:
- выбрать язык программы - английский/русский,
- выбрать цвет или негативное/позитивное изображение для моно- хромного монитора,
- включить/выключить звуковой сигнал,
- включить/выключить адресацию при работе с микросхемами (это бывает нужно, когда необходимо запрограммировать только часть микросхемы),
- включить/выключить начальную очистку буфера (записать код 00 или FF),
- включить/выключить визуальное передвижение строк меню в информационное окно,
- настроить скорость перемещения мыши (при "00" мышь выключена),
- выбрать десятичный или шестнадцатеричный размер файлов в директории,
- включить/выключить сортировку файлов в директории по алфавиту,
- включить/выключить маску для файлов в директории,
- включить/выключить поиск в директории последнего загружен- ного файла,
- включить/выключить автосохранение конфигурации при выходе из программы,
- сохранить настройку последнего режима (повтор) и конфигурацию.
Если в конфигурации при выборе цвета установить "Авто", то программа автоматически, по типу установленной карты, выберет цвет или монохром. Также можно самостоятельно установить цвет или нега- тив/позитив для монохромного режима (это бывает нужно, например, при работе с NOTEBOOK).
При включенной адресации микросхем можно задавать начальный и конечный адреса в микросхеме и в буфере. Если адресация выключена, адреса устанавливаются на начало и конец микросхемы и начало буфе- ра.
Если включена начальная очистка буфера, при запуске программы буфер заполняется кодом FF или 00.
При включенном поиске файлов в директории запоминается послед- ний загруженный файл, и курсор при повторном просмотре директории устанавливается на этот файл. Также, если записывается файл, а файл под этим именем уже существует, при просмотре директории кур- сор укажет этот файл.
При записи конфигурации в программу записывается номер порта LPT, с которым работает программатор. При последующем запуске программы поиск начнется с этого порта, что сократит время поиска. Также это бывает нужно, например, когда программатор работает с LPT2, а к LPT1 подключен принтер. Сброс принтера производиться не будет, если в конфигурации записан LPT2.
При записи конфигурации сохраняется настройка последнего режима (повтор). Это бывает нужно, когда приходится программировать один тип микросхем. Тогда можно запомнить в повторе режим "Проверка очистки и Программирование", а файл загрузить в буфер через коман- дную строку, например, TURBO-V6 ФАЙЛ.
Если включено автосохранение, при выходе из программы сохраня- ются конфигурация, номер порта, с которым работал программатор, и повтор последнего режима.
Командная строка
Через командную строку можно загрузить файл в буфер и настроить меню программы.
Пример строки BAT-файла для загрузки в буфер с автоматической настройкой меню:
turbo-v6.exe %1 /1310323310!4
"%1" означает, что из командной строки можно загрузить файл, например: menu.bat file.bin
"/" означает, что далее идет
настройка меню. Цифры от "0" до "9"
указывают позицию курсора в окне. Знак "!"
перед цифрой говорит о том, что число больше
десяти, например, "!4" означает "14". Цифра
"0" - пауза, нажатие клавиши
turbo-v6.exe %1 / проверка 1310 программирование 323310 выход !4
После последней цифры нажатие клавиши
turbo-v6.exe %1 /!26!4 1310323310!4
(Установка микросхем в программатор производится после вхожде- ния в программу.)
НАБОР СЕРВИСНЫХ ПРОГРАММ
TURBO-V6.EXE Программа для работы с программатором "ТУРБО". (V6 - обозначает версию программы, соответствующую модификации программатора.)
TURBO-V6.TXT Руководство по эксплуатации.
README.TXT Краткое описание программатора.
INFO.TXT Справочная информация по микросхемам. Дается цоко- левка микросхем и перечень аналогов.
LPT-TEST.EXE Программа для тестирования портов LPT.
FLOATBIT.TXT Руководство для работы с "плавающими" битами.
MENU.BAT Пример BAT-файла для настройки меню программы.
RUS-COMP.TXT Описание методов русификации компьютера.
FONT-PIC.EXE Программа, преобразующая файл знакогенератора в реа- льное графическое изображение символов с указанием адресов и кодов. Имя преобразованного файла имеет в расширении знак "$", его можно просмотреть любым редактором. Используется при русификации компьютеров и принтеров.
FONT6-8.RUS Русский шрифт, матрица 6 * 8
(символ 7 точек).
FONT8-8.RUS Русский шрифт, матрица 8 * 8 (символ 7 точек).
FONT8-14.RUS Русский шрифт, матрица 8 * 14 (символ 9 точек).
FONT8-16.RS1 Русский шрифт-1, матрица 8 * 16 (символ 9
точек).
FONT8-16.RS2 Русский шрифт-2, матрица 8 * 16 (символ 10
точек).
FONT16#2.RUS Русский шрифт, матрица 8 * 16/2 (символ 9
точек).
(При необходимости Пользователь может переименовать файлы. Файлы с расширением *.TXT можно читать редактором Лексикон.)
Примечания.
Установка микросхем в программатор производится только после запуска программы. До запуска программы некоторые ножки в панельке программатора могут оказаться под напряжением. Также при запуске программы производится тестирование программатора, во время которого на панельку подаются различные напряжения и нахождение там микросхемы нежелательно.
Не выключайте компьютер, когда в программатор вставлена микро- схема.
При работе с программатором, необходимо соблюдать меры по защи- те от воздействия статического электричества. Его допустимое зна- чение для EPROM - микросхем не более 50 В. Для снятия статики можно коснуться рукой корпуса компьютера.
Несмотря на то, что программатор определяет правильность уста- новки микросхем и выход из строя микросхем при неправильной уста- новке практически исключен, на панельку в течение нескольких мил- лисекунд подается напряжение, поэтому микросхемы желательно уста- навливать правильно.
Прошивки ПЗУ для русификации принтеров в зависимости от модифи- кации принтера не всегда могут совпадать.
Панелька с нулевым усилием требует аккуратного обращения. Не вставляйте в панельку микросхемы с грязными ножками, разъемы панельки чистятся спиртом при помощи кисточки.
Без необходимости не разбирайте панельку с нулевым усилием в связи со сложностью ее сборки. (Если вы разобрали панельку, то, прежде чем надеть крышку, необходимо: сжать разъемы, опустив рычаг в горизонтальное положение; наложить крышку так, чтобы разъемы вошли в отверстия; плавно поворачивая рычаг в вертикальное положе- ние, установить крышку на место.)
Чтобы продлить срок службы панелек в адаптерах, в них можно вставить такие же панельки, предварительно удалив из них свободные ножки (панельки между собой можно закрепить). Дополнительные па- нельки при необходимости легко заменить.
В случае неисправности необходимо проверить порт компьютера, подсоединив программатор к другому, заведомо исправному порту, позвонить в "БИНАР".
Ведется работа по расширению возможностей программного обеспечения, новые версии программ предоставляются бесплатно, см. файл "E-MAIL.TXT". Программное обеспечение различных модификаций программатора "ТУРБО" не взаимозаменяемо.
"БИНАР" Тел.: (095) 323-6848
E-mail: binar@iname.com (alemanov@postman.ru)
http://binar.da.ru
Дополнения
"Плавающими" битами называются биты, которые считываются по-разному: то как "1", то как "0".
Для их записи в программе имеется режим программирования ПЛАВАЮЩИХ БИТ, запись производится побитно.
Для чтения имеется режим считывания "плавающих" бит. Циклы считывания можно задавать от 2 до 4096. Увеличение числа циклов увеличивает число считанных "плавающих" бит. (Если взять две панельки, ленточный кабель длиной 25 см и спаять удлинитель, то при считывании микросхемы через такой удлинитель, за счет сетевых наводок, количество считанных "плавающих" бит увеличивается в несколько раз.) "Плавающие" биты хорошо просматривать и редактировать в редакторе знакогенератора.
Лучше всего "плавающие" биты записываются в микросхемы фирмы "INTEL". Напряжение программирования желательно выбирать ниже номинального, например, вместо 12.5 В установить 10.5 В.
Чтобы защитить программу, надо записать в микросхему "плавающий" участок, примерно 10 байт. При запуске программа должна около 1000 раз сосчитать этот участок. Если он считывается по-разному, значит, защита установлена. Если участок стабильный, значит, микросхема скопирована на программаторе, который не может писать "плавающие" биты.
Программировать и считывать "плавающие" биты может только программатор "ТУРБО".
Программирование микросхемы Atmel 89C55
У микросхемы 89C55 фирмы Atmel 14-й адрес находится на 10-й ножке, а не на 14-й, как у микросхем фирмы Intel. Поэтому, чтобы через адаптер "М" можно было программировать микросхему 89C55, надо соединить ножки 10-ю и 14-ю, например, можно взять панельку, поставить на ней перемычку между 10-й и 14-й ножками и вставить ее в панельку адаптера для 51-й серии (перемычка не влияет на программирование других типов микросхем).
Микросхема Atmel 89C55 имеет память 20КБ, старший адрес в ПЗУ - 4FFF, поэтому, чтобы можно было указать такой адрес, надо войти в меню "конфигурация" и включить "адресацию микросхем", а для микросхемы выбрать размер ПЗУ 32КБ и указать конечный адрес 4FFF.
Алгоритмы программирования микросхем Atmel 89C51, 89C52 и 89C55 одинаковы, они отличаются только объемом памяти, поэтому импульс при программировании и записи защиты для них надо выбирать "FLASH 89C51".
BIOS в 28xxx, 29xxx можно запрограммировать следующим образом.
Сначала записать BIOS в микросхему 27xxx,
28xxx или 29xxx, вставить в компьютер и запустить его.
В SETUP должно быть включено копирование BIOS в RAM (System
BIOS Cacheable: Enabled). Микросхема в панельку вставляется
не до конца, чтобы ее легко можно было снять.
Далее во включенном состоянии микросхема
аккуратно заменяется на 28xxx или 29xxx и программой
для записи нового BIOS (uniflash, mrflash ...)
программируется прямо в компьютере. Если
установить панельку с нулевым усилием, то
компьютер становится программатором для
FLASH-микросхем. Подробности на странице:
http://doctor.elis.cmw.ru/w_new/faq_BIOS.html
РУСИФИКАЦИЯ ВИДЕОАДАПТЕРОВ
Ручная русификация
Чтобы русифицировать карту EGA, надо:
- извлечь ПЗУ из карты, сосчитать его на программаторе, записать в файл.
- запустить программу FONT-PIC.EXE и преобразовать файл, считанный с ПЗУ.
- просмотреть преобразованный файл при помощи любого текстового редактора, найти и выписать начальный адрес, с которого начинаются шрифты, подлежащие замене. (Адрес указан над изображением символа, код снизу.) (Вместо FONT-PIC.EXE можно воспользоваться редактором знакогенератора в программе TURBO-V6.EXE)
- пользуясь возможностью загрузки из файла в буфер по заданным адресам в режиме "Работа с буфером" и сервисным набором фонтов, заменить имеющийся в EGA шрифтовой массив на соответствующий фонт с русским шрифтом.
- посчитать контрольную сумму русифицированной EGA. Она должна иметь в двух младших разрядах нули. Если это не так, следует изменить дополнение к контрольной сумме (находится обычно в последнем адресе ПЗУ) таким образом, чтобы получить в двух младших разрядах нули. Например, контрольная сумма - 5FE814h, а в последнем адресе ПЗУ записан код 24h. Следует записать его равным 10h - тогда контрольная сумма станет 5FE800h (при подсчете контрольной суммы программа автоматически определяет дополнение для последнего адреса). Замену байта можно произвести, пользуясь режимом "Редактирование буфера".
- полученный таким образом новый файл надо записать в ПЗУ и вставить в EGA карту.
CGA и Hercules русифицируются аналогичным образом, но без подсчета контрольной суммы.
Автоматическая русификация
видеоадаптеров
(программа TURBO-V6.EXE)
Чтобы русифицировать карту EGA, CGA, Hercules надо:
- извлечь ПЗУ из карты, сосчитать его на программаторе, записать в файл.
- в режиме "Работа с буфером", далее - "Русификация видеоадапте- ров", выбрать файл, который необходимо русифицировать. Программа автоматически выполнит все, что требуется: найдет и заменит фонты, подсчитает, если это необходимо, контрольную сумму и дополнение к контрольной сумме запишет в последний адрес.
Примечание:
Русификация VGA имеет свои особенности, например, дополнение к контрольной сумме не всегда располагается в конце файла, поэтому стандартного способа русификации VGA не существует, но основные методы - те же, что и при русификации EGA.
Если BIOS VGA находится на двух ПЗУ (четные и нечетные адреса), необходимо в режиме "Работа с буфером" объединить две ПЗУ с четными и нечетными адресами, загрузив в буфер "Через байт", и затем записать в один файл. После русификации при помощи записи из буфера в файл "Через байт" записать в два файла с четными и нечетными адресами.
Также встречаются ПЗУ, в которых программа записана с нестандартным расположением адресов и данных. Это можно проверить сравнением, сосчитав BIOS непосредственно из компьютера. Для таких случаев в программе предусмотрена загрузка из файла в буфер с переадресацией: при этом можно изменять порядок расположения адресов и данных.
В EGA и VGA в стороне от основных массивов фонтов часто располагаются рисунки отдельных символов, перед которыми находятся их коды. Все эти символы вместе с кодами необходимо стереть (заполнить нулями) и проверить контрольную сумму.
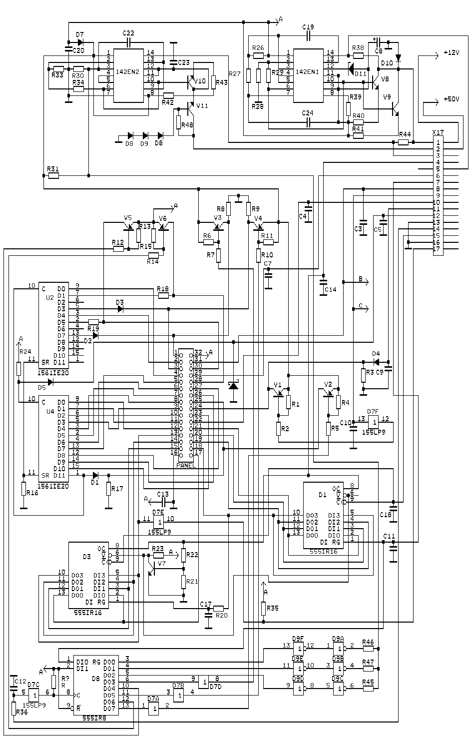
Неточности
Транзисторы у 142-х - КТ660А,Б
один КТ3102
остальные КТ209
R45=6k
R46=12k
R47=2.6k
С2 - 0.1мкф емиттеp V1 и на землю
Т.е. блокировочный кондюк по цепи Vpp
С21=2n2 5,7 ноги лп9
R32-нет в пpиpоде
D8,D9,D8 3 стабилитpона в сyмме 38 вольт на 11,12 ногах ЕH2,
с D8
просто ошибка номеpации.Вместо последнего D8
должен быть очевидно D10.
С1 - 2n2 паpалельно R1
R23=10k
C6=n33 17X17 и на землю
C15 - по питанию на иp16 0.1мкф 7,14-ноги
С16- +5,11нога ие20 сбpос.
R25- 125ом вpезается в пpовод 15Х17(pазьем),R25,9нога иp16
R37-10к
С21=2n2 5,7 ноги лп9
D6 - КС168
Ко всем собирающим программатор TURBO:
Управление включением стабилизаторов Vpp и Vcc
производится напрямую от порта LPT (выводы 14 ЕH1 и
ЕH2)
В качестве pullup используются резисторы с выводов
14 на цепь +12(15)V. Эти резисторы совместно с
внутренними резисторами микросхем (около 4KОм)
образуют _делитель_ напряжения. Поэтому, если
контакт вывода 14 с остальной схемой будет
нарушен (неконтакт панели, плохая пайка и т.д.), то
LPT, скорее всего, накроется...
C12 переезжает параллельно C13 - на питало панельки.
Да и 100n паpаллельно тактовому входу.
Выв. 1 неправильно подключён. надо: r42 на выв 8,
другой его конец вместе с r43, r31, выв.1 - это выход
стабилизатора.
Собственно схема
R1-R11=10K, R12-R15=510 om, R16=1M, R17-R19=10k, R20=500 oM,R21-23 = 20K,
R23=10K, R24=4.7K, R25=175om, R26=2K, R27=1.6K, R28=10K, R29=2.4K, R30=3K, R31=10K,
R32-HЕТУ :-), R33=60K, R34=1.6K, R35=5.6K, R36=175om, R37=10K, R38=6K, R39=1.5om,
R40=3.6om, R41=3.6om, R42=6.8om, R43=15om, R44=5K, R45=6K, R46=12K, R47=2.6K, R48=2K.
D1-D10 любые кpемн ~40вольт,T1-T6 PNP``40вольт любые
D8-D9 гpyппа стабилитpонов для стаб-ии +38вольт D6,D11
КС168, T8-T11 KT3117A,T7 KT3102
IC1 555IR16,IC2 1561IE20, IC3 555IR16, IC4 1561IE20, IC5 KR142EN1
IC6 KR142 EN2, IC7 144LP9, IC8 555IR8, IC9 155LN2.
C1=2n2,c2=0.1mkf,c3-c7=n33,c8=100mkf,c9-c11=n33,c12=0.1mkf,c13=200mkf,
c14=n33,c15=0.1mkf,c16=22n,c17=n33,c18=1n,c19=0.15mkf,c20=0.1mkf,c21=2n2, c22-c24=0.1mkf
В место 1561ие20 можно собpать гpyппy из 3-х 561ие10 схема
каскадиp. в Шило была.Я так и сделал
R31*- подстp. общий ypовень напp пpогpаммиp
R45 -
R46 - веса в цапе фоpмиp напp пpогp
R47 -
А можно и так
C3-C7,C9-C11,C14,C17 330p; C18 1n; C16 22n; C1,C21 2.2n;
C2,C12,C15,C20,C22-C24,C102,C106 100n; C19,C101 150n; C8,C13 200mk; C103,C104 100mk; C107
4.7mk
R1-R11,R17-R19,R23,R28,R31,R37,R38,R111,R116 10k; R12-R15,R20,R119 510;
R21,R22,R44,R107,R108 20k; R16 1M; R24,R105 4.7k; R25,R36,R106,R112 150; R26,R34,R109,R113
2k; R27 1.6k; R29,R110 2.4k; R30 3k; R33 56k; R35 5.6k; R40,R43,R115 6.8; R45 6k; R46 12k;
R47 2.6k; R114 1.8k; R101,R103 470; R102,R104,R117 1k; R118 24;
VD1-VD7 kd521; VD102 kc147; VD103 kd212; VD104-VD106 27V в сумме;
VT1-VT6 kt3107; VT7 kt3102; VT8,VT105 kt815a; VT10,VT106 kt815g; VT101 kt315; VT107 kt361;
DA1 kr142en2; DA2,DA3 kr142en1; DD1,DD3 555ir16; DD2,DD4,DD5 k561ie10; DD7 k155lp9; DD8
k555ir8; DD9 k155ln2;
LED1 Power; LED2 Prog;
T1 Transformator: kernel B-16 (2000HM) wire d.25; 1-2 3w; 3-4 20w; 5-6 30w;
некоторые изменения от оригинала (добавленные
детали имеют номера от 100):
1. счётчики к1561ие20 заменены на более доступные
к561ие10.
2. вместо стабилизатора 32в из 50 вписан
преобразователь напряжения по схеме,
предложенной Балясовым.
3. введён третий (регулируемый) стабилизатор для
питания программируемой м/сх. подозреваю, что
софт не знает о возможности такой регулировки,
поэтому вместо vt101,r107,r108 можно поставить
переменный резистор.
4. изменена схема стабилизаторов, для облегчения
режима работы кр142ен*. выводы 6 и 9 м/сх кр142ен*
подключены только для упрощения трассировки,
5. напряжение на выв. 1 и 14 lpt ограничено уровнем 5в,
вместо 12.
6. 27c040 "условно" вставлена в панельку, для
большей ясности.
7. светодиоды led1,led2 - индикация режимов.
Дж. Гумеров, 2:5049/37
История
Версия 6.62 Добавились микросхемы:
FLASH 29C256, 29C512, 29C010, 29C020, 29C040
SEEPROM 93C76, 93C86
Версия 6.63
Добавились микросхемы:
SEEPROM 24C128, 24C256
Версия 6.64
Для микросхем 93SXX появилась возможность записи и
стирания регистра запрета записи (Protect Register).
Версия 6.65
Улучшено:
ввод конфигурационного слова для
PIC-контроллеров, сравнение файла с буфером,
оформление окон.
Версия 6.66
Улучшен:
вывод в окно при сравнении.
Версия 6.67
Добавилась микросхема 89C4051.
В редакторе буфера добавились клавиши:
начало/конец последнего участка, загруженного в
буфер:
Ctrl + Page Up и Ctrl + Page Dn.
Для микросхем PIC16C83/84 и PIC16F83/84 изменились адреса
области данных в буфере: 4200h - 427Fh (в микросхеме 2100h
- 213Fh).
Версия 6.68
Добавились микросхемы PIC16F873, PIC16F874, PIC16F876, PIC16F877 и
считывание идентификатора Device ID Word.
Версия 6.69
Улучшена работа с идентификаторами для 28FXX, 87CXX,
89CX051, изменен вывод идентификаторов. Также
небольшие дополнения при выводе в других окнах.