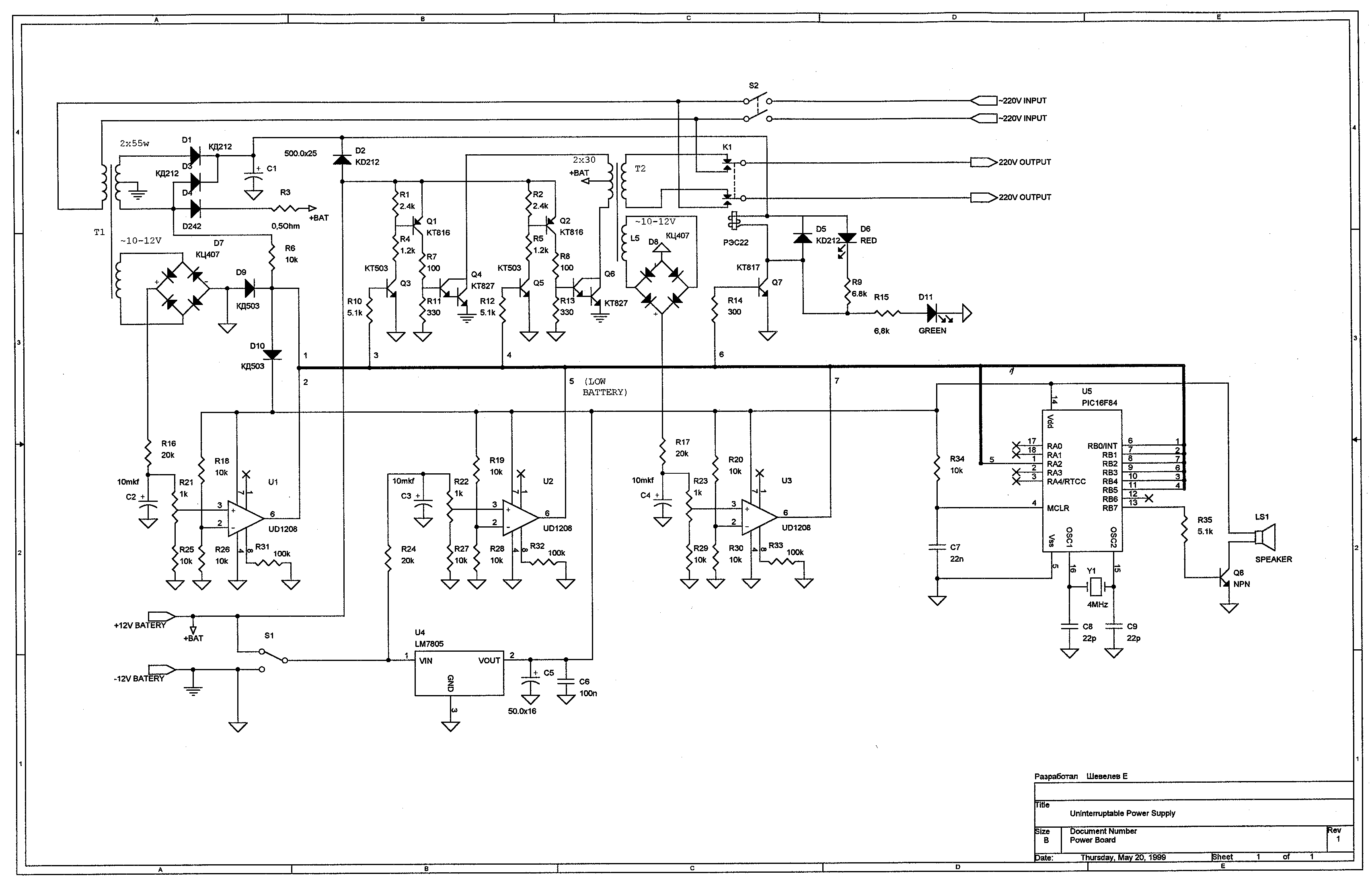
Схема источника бесперебойного питания для компьютера.

Программа прошивки микроконтроллера, а также схема с кратким описанием находятся в файле: ups.zip (121 kB)

Назад