Конвертер USB <=> IDE на микросхеме
CY7C68013.
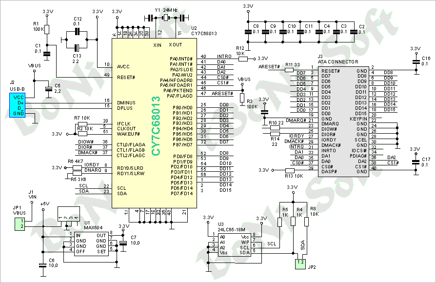
Конвертер USB <-> IDE разработан на основе ИМС периферийного контроллера
Cypress Semiconductor CY7C68013. С его помощью можно через USB-порт
спецификаций 1.1 (до 12 Мб/с) или 2.0 (до 480 Мб/с) подключить к ПК внешний
HDD, CD-ROM, DVD, ZIP и др. устройства с интерфейсом АТА. Питание конвертера
возможно как непосредственно от шины USB через интегральный стабилизатор U1,
так и от отдельного 5-вольтового блока питания; потребляемый ток при работе с
шиной USB 1.1 не превышает 150 мА, а при работе с USB 2.0 - 260 мА.

Рис.1. Принципиальная схема контроллера
ПК подключается к разъему J2, а внешний «винчестер» - к J3. Управляющий код
загружается при инициализации устройства через шину I2C из EEPROM
U3. Программное обеспечение и прошивки доступны по адресу
http://www.cypress.com/%20cfuploads/support/developer_kits/ez_usb-devtools.zip.

Рис.2. Печатная плата
CY7C68013 - контроллер периферии для шины USB стандарта 2.0 с ядром MCS-51
обеспечивает скорость обмена данными до 480 Мбит/сек.
Особенности архитектуры:
- MCS-51 ядро
- Рабочие частоты 12, 24, 48 МГц (x20 PLL), 4 такта на машинный цикл
- 8Кб ОЗУ программ, загружаемой из USB шины или из EEPROM
- FIFO-память (4 Кб)
- от 24 до 40 I/O
- Конфигурируемая 8 или 16- разрядная шина данных
- 2 канала UART, 1 канал I2C (100 или 400 КГц)
- Высокая скорость работы портов - до 96 Мбит/сек
- Встроенный последовательный интерфейс Engine (SIE) для выполнения
элементарных USB-функций
- Встроенный USB 2.0 трансивер
- Совместимость с USB1.1
- Интегрированный универсальный программируемый интерфейс GPIF ("General
Programmable Interface" ), позволяющий без соединительной логики
подключаться к ASIC и DSP, поддерживать различные стандарты (ATA, UTOPIA,
EPP и PCMCIA)
- Прерывания от FIFO и GPIF
- Напряжение питания 3.3 вольта
- Корпуса SSOP56, 100TQFP, 128TQFP

Рис.3. Структурная схема контроллера
Cпецификация USB - http://www.usb.org/,
полный даташит ИМС CY7C68013 - на
http://www.cypress.com/%20cfuploads/img/products/38-08012.pdf.
«Elektronika Praktyczna» № 1,
2003, с.14-19
Пиотр Клепач