С помощью одного из записанных на дискете драйверов Вы можете без каких-либо переделок или добавлений к Вашей карте VGA и телевизору работать на вашем черно-белом или цветном телевизоре (или RGB мониторе) с аналоговым входом (т.е с линейной амплитудной характеристикой от 0 v до 5 v входного сигнала или, другими словами не содержащем на своем входе логических элементов). Например на мониторе ВТЦ201,ВТЦ202, телевизоре с блоком цветности МЦ-31 или с разъемом типа "Scart" и.т.д. Большинство мониторов EGA и фирменных CGA для этого не подойдут, так как на своем входе содержат логические буфферные элементы, которые не допускают промежуточных уровней сигнала между логическими нулем и единицей, хотя исключения существуют из любых правил, и лучше если Вы посмотрите на принципиальную схему своего монитора. Драйвера поддерживают все режимы стандартной VGA практически на любой VGA или SVGA карте, но не пытайтесь включить какой-нибудь режим SVGA (типа 800x600 или 1024x768). Драйвер просто пропустит его через себя не обработав. Принцип работы состоит в перенастройке программируемого контроллера, находящегося на плате VGA, которая производит следующее:
Дискета содержит драйвера поддерживающие практически 100% работоспособность карт VGA с чипами следующих марок:
1) Chip & Tecnology VGA
2) COMPAQ VGA
3) Tseng Labs VGA
4) Paradise VGA
5) Video Seven VGA
6) IBM VGA
7) Cirrus VGA
8) OAK VGA
Кроме того драйвер PCV1 является универсальным средством для почти всех существующих карт не перечисленных выше, и работающем на 90% карт VGA без каких-либо эксцессов. Драйвера являются TSR (Terminate & Stay Resident) программами и перехватывают следующие прерывания: 09h , 0ah , 10h и занимающими после запуска от 5 до 7 Kb ОЗУ. Для работы на картах VGA, содержащих чипы типов с 1 по 6 необходимо запустить , лучше в AUTOEXECe, драйвер VISCREEN.COM со следующими ключами:
/h - помощь
/p - запуск драйвера сразу при загрузке
/i - Interlaced режим чередования строк для режимов с 350 и 480 строк (т.е. один кадр отображаюся четные строки, другой - нечетные строки.)
/o - в режимах с 350 и 480 строк выводятся только нечетные строки.
/e - в режимах с 350 и 480 строк выводятся только четные .
/0 - для Chip & Tecnology VGA
/1 - для COMPAQ VGA
/2 - для Tseng Labs VGA
/3 - для Paradise VGA
/4 - для Video Seven VGA
/5 - для IBM VGA
Например для Video Seven VGA , при включении драйвера сразу при запуске, для режима чередования строк (рекомендуется) команда будет выглядеть так:
VISCREEN /4 /i /p
Если не применять ключа /p , то драйвер будет загружен, но не изменит частот разверток. Для его запуска используйте горячие клавиши ALT-V все равно где Вы находитесь. Ими же происходит переключение обратно. Для Cirrus VGA (EGA/VGA) используйте драйвер PCV2.COM. Он не имеет ключей и горячих клавиш и запускается сразу.
PCV2 - Для снятия драйвера используйте PCV2/u
Для OAK VGA используйте драйвер PCV3.COM. Работает также как и предыдущий.
PCV3 - Для всех остальных VGA (в том числе с сомнительным происхождением) используйте драйвер
PCV1.COM. Его применение не дает 100% гарантии на успех, но драйвер будет любой ценой стараться сделать корректное изображение. На некоторых VGA в режимах 0h,1h,4h,5h,0dh может использоваться только 50% рабочего поля экрана по горизонтали (т.е. изображение будет сжато в 2 раза), а в остальном оно будет корректным. В режимах 0fh,10h,11h,12h будут отображаться только нечетные строки, что практически не сказывается на качестве изображения, если на экране нет мелких деталей. (соответствует режиму /o для VISCREEN, к сожалению режим Interlaced не поддерживается, так как больно уж по разному на разных VGA это делается). Для запуска драйвера используйте команду PCV1. При этом драйвер загружается, но не запускается. Для того чтобы включить или выключить его используйте горячие клавишы ALT-Backspace. Кроме того в запущенном состоянии можно подобрать положение изображения на экране нажатием ALT и одной из стрелок управления курсором, при этом изображение сдвигается в сторону указанную стрелкой. Драйвер PCV4.COM судя по всему является таким же универсальным средством как и PCV1, но без каких-либо управляющих клавиш. Можете поэксперементировать с ним так как у нас не достаточно по нему информации. Формат строки для его запуска:
PCV4 - Для снятия драйвера можете использовать ключ /u
Распайка разъема на карте VGA |
||
| R | 1 | красный |
| G | 2 | зеленый |
| B | 3 | синий |
| HSYNC | 13 | строчн.синхр |
| VSYNC | 14 | кадров.синхр |
| GND | 5 | земля |
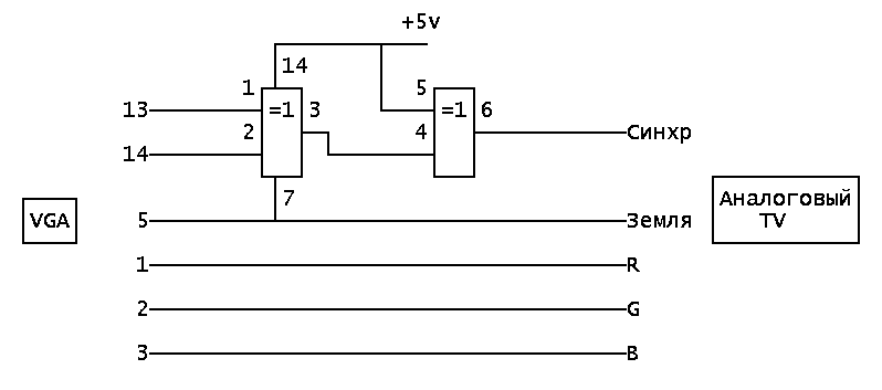
Если в вашем мониторе или телевизоре есть входы для раздельных кадровых и строчных импульсов, то ничего, кроме соединения одноименных контактов на карте VGA и телевизоре делать не надо. Если же у Вас только один вход для подключения синхросмеси (НЧ видеовход в телевизоре), то необходимо собрать любую из простейших схем для их смешивания. Мной использовалась нижеприведенная схема на 155ЛП5:

Для подключения к телевизору через разъем типа "Scart" привожу его распайку:
VGA Scart |
|
R |
15 |
G |
11 |
B |
7 |
Земля |
4,5,9,13,14,17,18,21 |
Синхр |
20 16 - подключается чарез резистор 1КОм на +5V (14 нога ЛП5) (Аналог сигнала Е-окно) |
Для подключения к Ч/Б телевизору можно использовать следующую схему:

Внимание ! Драйвера являются программными продуктами и ни каким образом не могут повредить карту VGA или телевизор ! Будьте внимательны при подключении кабеля и выборе точек подключения на блоке цветности телевизора ! Там существует масса мест попав на которые Вы можете не только спалить VGA , но и покалечить Motherboard ! Ни в коем случае нельзя соединять или разъединять разъем кабеля, соединяющего телевизор и VGA, если хоть один из них находится под напряжением питания ! Принебрежение этим в 30 случаях из 100 приводит к выгоранию выходного ЦАПа VGA или входного видеоусилителя в телевизоре или того и другого сразу !!! ( кстати , одинаково справедливо для любой переферии:принтеры и.т.п.). Если же у Вас возникли какие-то проблемы с подключением, то ознакомьтесь с массой информации как это делается со всякими там Синклерами , Поисками , РК-86 и прочим борохлом....( с поправкой что для VGA нужен аналоговый вход !!!!). Мы не можем Вам дать исчерпывающей информации почему данная карта не работает; или будет-ли такая-то, такая-то карта работать с драйверами, потому как карты VGA нынче делают все, кому не лень, а мне известно уже около 60 различных карт ! Сами понимаете, что все их проверить трудно.