Цифро-аналоговый функциональный генератор звуковой частоты.

Предлагаемый генератор может быть использован для настройки и проверки тракта звуковой частоты магнитофонов, усилителей и т.п. Генератор обладает высокой линейностью выходного напряжения благодаря применению ЦАП. Генерируемые формы выходного сигнала (синусоида, треугольный, меандр, пила) запрограммированы в ПЗУ (см. ниже).

Основные характеристики:

Диапазон генерируемых частот, Гц........................0-60000

Неравномерность АЧХ.............................................< 0,3 дБ

Амплитуда выходного напряжения, В...........................4

Число ступеней выходного сигнала........................128x128

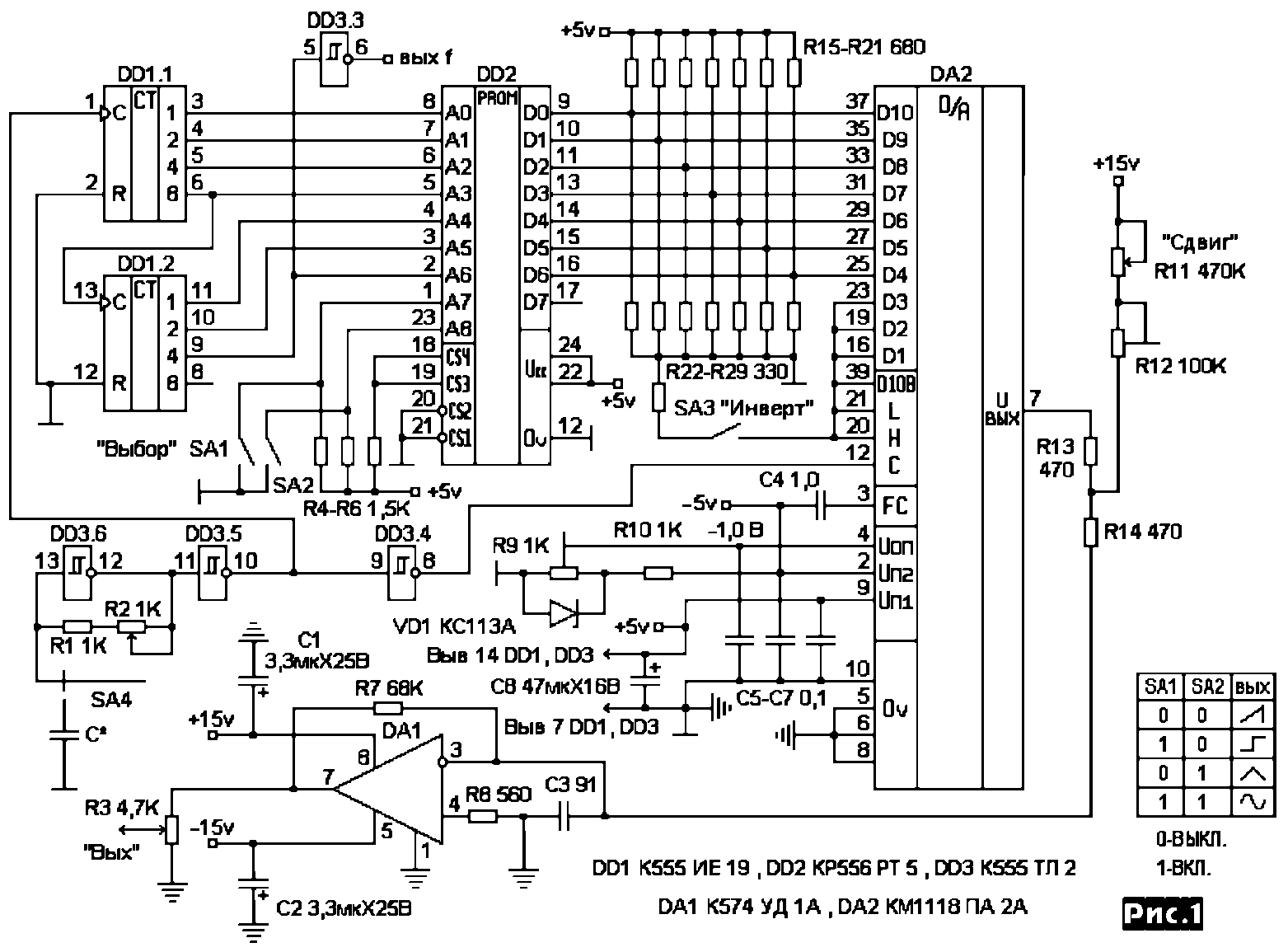
Принципиальная схема рис.1. На элементах микросхемы DD3.6, DD3.5 собран простейший задающий генератор. Многопозиционный переключатель SA4 служит для выбора частоты задающего генератора, который должен перестраиваться при помощи конденсаторов С* (1 мкФ -30 пФ) в пределах 0-8 МГц, а переменный резистор R2 - для плавной регулировки. Элемент DD3.4 формирует фронты сигнала на входе С (12) внутреннего регистра ЦАП [1], который в свою очередь уменьшает время формирования выходного сигнала. На микросхеме DD1 собран счетчик адреса. С вывода 9 DD1 через элемент DD3.3 поступает сигнал, равный по частоте выходному (для частотомера). Переключатели SA1, SA2 предназначены для выбора формы выходного сигнала, которые запрограммированы в ПЗУ DD2. Максимальная выходная частота генератора определяется в основном быстродействием ПЗУ, которая для 556РТ5 составляет примерно 8 МГц, поэтому максимальная выходная частота составляет 8 МГц / 128 ступеней = 60 кГц. Резисторы R15 - R21, R22 - R28 служат для ускорения установления сигнала. На резисторе R10 и ста-бисторе VD1 собран параметрический стабилизатор опорного напряжения ЦАП. Переключатель SA3 осуществляет инверсию выходного сигнала генератора. Переменный резистор R11 сдвигает выходной сигнал относительно нуля. Усилитель выходного сигнала собран на быстродействующем ОУ DA1. Для регулировки уровня выходного сигнала применен переменный резистор R3. Для большего диапазона регулирования нужно применить ступенчатый аттенюатор.

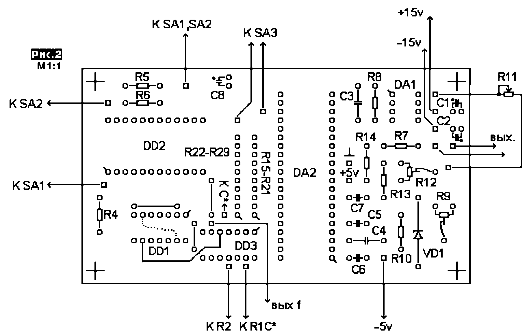
Конструкция и детали. Для удобства использования генератор встроен в корпус частотомера. Все элементы управления вынесены на переднюю панель. Устройство собрано на плате размерами 113x63 мм (см. рис.2) из фольгированного стеклотекстолита толщиной 1,5 мм. На многопозиционном переключателе SA4 (не менее 12 положений) расположены конденсаторы задающего генератора. Резистор R2 плавной регулировки частоты задающего генератора многооборотистый типа СП5-44-1. Переменный резистор R11 группы «В». R15-R21, R22-R29 - резисторные сборки типа НР1-4-9М. В блоке питания применены стабилизаторы 7805 (КРЕН5А) +5В; 7905 -5В; 7815 (КРЕН8В) +15В; 7915 -15В. Микросхему ЦАП КМ1118ПА2А можно заменить на КР1118ПА2А (Б), стабистор КС113 на два последовательно включенных кремниевых диода. При изготовлении монтажной платы для уменьшения влияния цифровых цепей на выходной сигнал необходимо разделять цифровую и аналоговую «землю» и соединять их в точке ввода питания (желательно возле вывода 10 DA2).

Налаживание. Перед первым включением генератора надо проверить правильность монтажа. Движок подстроечного резистора R9 необходимо установить в среднее положение. Включив генератор, резистором R9 устанавливают опорное напряжение равное -1,0 В. Подбором конденсаторов задающего генератора устанавливают необходимое перекрытие по частоте. Резистором R12 подстраивают выходное напряжение относительно нуля при среднем положении движка R11.

Литература.

1. Новаченко И.В., Телец В.А. «Микросхемы для бытовой радиоаппаратуры». Дополнение второе: Справочник.-М.: Радио и связь, 1991 г.

Примечание редакции.

Правый (по схеме рис. 1) вывод выключателя SA3 (общая точка ряда выводов DA2) рекомендуем соединить с шиной +5 В через резистор сопротивлением порядка 10 кОм, а параллеьноС1 и С2 включить блокировочные неэлектролитические конденсаторы емкостью 0,01...0,033 мкФ.

Радиохобби № 5, 2000

Юрий Сафонов, г.Киев

Назад